Operation CHARM: Car repair manuals for everyone.
Manuals through 2025 now available!

Our trusted friends have launched a new website named LEMON, which has newer manuals. It also contains all the CHARM manuals.

LEMON is the spiritual successor to CHARM, I recommend you try it!

Link: lemon-manuals.la or lemon-manuals.org.ua

(Some people have issue connecting. LEMON is investigating. For now, use Firefox or change your DNS server)

Or, hide this message: temporarily or permanently

76. Control Valve Body Installation

CONTROL VALVE BODY INSTALLATION

TOOLS REQUIRED
- J 25025-5 Dial Indicator Mounting Post M6 x 1.00
- J 36850 Transjel Lubricant




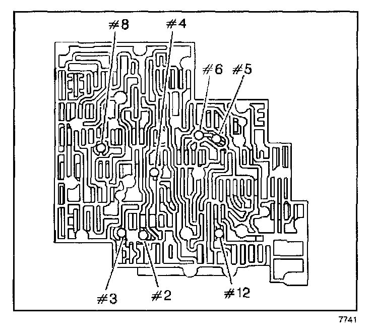
1. Install the checkballs (2-6, 8,12) in the valve body and retain checkballs with J 36850 or an equivalent.




2. Install the valve body over the J 25025-5 Guide Pins, and connect the manual valve link to the manual valve.
3. Install two bolts to hold the valve body in place.
4. Remove the J 25025-5.




5. Install the fluid level indicator stop bracket (93) and the valve body bolts (62) that are shown only.
6. Finger tighten the bolts.




7. Inspect the Transmission Fluid Pressure (TFP) Manual Valve Position Switch Assembly for the following conditions:
- Damage
- Debris
- Damaged or missing O-rings
- Cracked connector
- Loose pins
- Poor terminal retension
- Sediment in switch membrane




8. Install the TFP manual valve position switch (69) and bolts (62, 70).




9. Inspect the wiring harness solenoid assembly for the following conditions:
- Damage
- Cracked connectors
- Exposed wires
- Loose pins
- Poor terminal retension




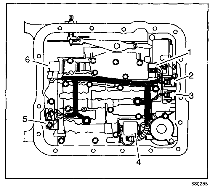
10. Install the transmission wiring harness on the valve body.
11. Install the TCC solenoid valve and bolts (68).

IMPORTANT: You must tighten certain bolts in a spiral pattern as indicated. If you tighten these bolts at random you may distort valve bores. This will inhibit valve operation.

NOTE: Refer to Fastener Notice in Service Precautions.




12. Tighten the bolts in the order shown.

Tighten
Tighten the bolts to 11 N.m (8 lb ft).

Each bolt number refers to a specific bolt size, as indicated by the following list:
- 1 - M6 x 1.0 x 65.0
- 2 - M6 x 1.0 x 54.4
- 3 - M6 x 1.0 x 47.5
- 4 - M6 x 1.0 x 35.0
- 5 - M8 x 1.25 x 20.0
- 6 - M6 x 1.0 x 12.0
- 7 - M6 x 1.0 x 18.0




13. Install the TCC PWM solenoid valve (396) and the solenoid retainer (395).




14. Connect all electrical connectors (1-6) to the electrical components.