Operation CHARM: Car repair manuals for everyone.
Manuals through 2025 now available!

Our trusted friends have launched a new website named LEMON, which has newer manuals. It also contains all the CHARM manuals.

LEMON is the spiritual successor to CHARM, I recommend you try it!

Link: lemon-manuals.la or lemon-manuals.org.ua

(Some people have issue connecting. LEMON is investigating. For now, use Firefox or change your DNS server)

Or, hide this message: temporarily or permanently

Transmission Replacement

TRANSMISSION REPLACEMENT

REMOVAL PROCEDURE

CAUTION: Refer to Battery Disconnect Caution in Service Precautions.




1. Disconnect the battery.
2. Raise the vehicle. Refer to Vehicle Lifting.
3. Support the transmission with a transmission jack.
4. Remove the exhaust pipe assembly.
5. Remove the starter motor.
6. Lower the transmission to gain access to the top and sides of the transmission.
7. Remove the transfer case.
8. Remove the shift cable end from the transmission shift lever ball stud and the pan rail bracket.
9. Remove the transmission heat shield.
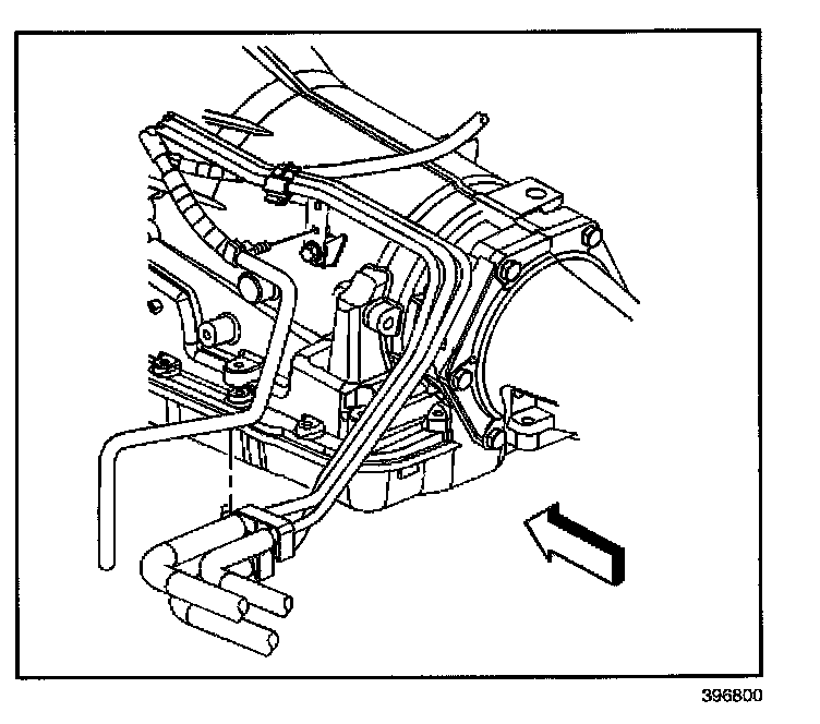
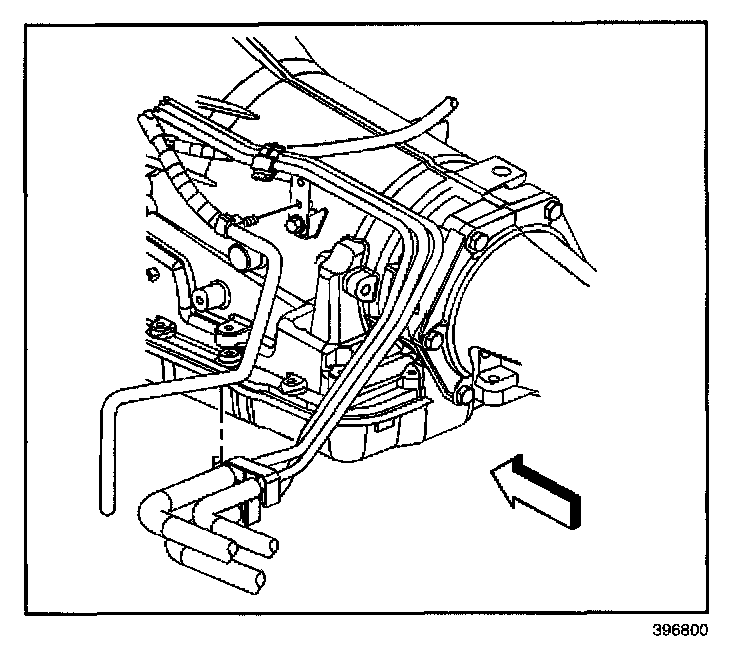
10. Disconnect the transmission vent hose, the park/neutral position switch connector, and the main electrical connector from the transmission.




11. Remove the bolt that secures the fuel line bracket to the left side of the transmission.
12. Remove the torque converter access plug.
13. Remove the flywheel to torque converter bolts.
14. Disconnect the transmission oil cooler lines from the transmission.
15. Plug the transmission oil cooler line connectors in the transmission case.
16. Remove the transmission fill tube retaining nut from the transmission stud.
17. Remove the engine harness bracket retaining nuts from the transmission studs.
18. Remove the fill tube from the transmission.
19. Remove the engine harness brackets from the transmission studs and position aside.




20. Remove the bolts securing the transmission to the engine oil pan.




21. Remove the six studs and one bolt securing the transmission to the engine.
22. Pull the transmission straight back.
23. Remove the transmission from the vehicle while simultaneously removing the fluid level indicator tube.
24. Perform the automatic transmission oil cooler flushing and flow test. Refer to Automatic Transmission Oil Cooler Flushing and Flow Test (J 45096) or Automatic Transmission Oil Cooler Flushing and Flow Test (J 35944-A).

INSTALLATION PROCEDURE




1. Support the transmission with a transmission jack.
2. Raise the transmission into place.
3. Slide the transmission straight onto the locating pins while lining up the marks on the flywheel and the torque converter. The torque converter must rotate freely by hand.

NOTE: Refer to Fastener Notice in Service Precautions.

4. Install six studs and one bolt securing the transmission to the engine.

Tighten
Tighten the studs and the bolt to 50 N.m (37 lb ft).




5. Install the bolts securing the transmission to the engine oil pan.

Tighten
Tighten the bolts to 50 N.m (37 lb ft).

6. Install the engine harness bracket onto the appropriate transmission studs.
7. Install the fill tube onto the transmission.
8. Instal the engine harness bracket and fill tube nuts onto the transmission studs.

Tighten
Tighten the nuts to 18 N.m (13 lb ft).




9. Install the flywheel to torque converter bolts.

Tighten
Tighten the bolts to 63 N.m (46 lb ft).

10. Install the torque converter access plug.
11. Connect the cooler lines to the transmission.




12. Install the transmission vent hose, fuel lines, and the wiring harness connectors to the transmission and park neutral switch.




13. Install the two bolts securing the heat shield to the transmission.

Tighten
Tighten the bolt to 17 N.m (13 lb ft).

14. Install the shift cable to the shift lever ball stud and the bracket.
15. Install the transfer case.
16. Install the starter motor.
17. Install the exhaust pipe assembly.
18. Flush the transmission oil cooler and cooling lines if necessary.
19. Lower the vehicle.

CAUTION: Refer to Battery Disconnect Caution in Service Precautions.

20. Connect the battery.
21. Fill the transmission to the proper level with DEXRON(R) III transmission fluid. Refer to Transmission Fluid Checking Procedure