Operation CHARM: Car repair manuals for everyone.
Manuals through 2025 now available!

Our trusted friends have launched a new website named LEMON, which has newer manuals. It also contains all the CHARM manuals.

LEMON is the spiritual successor to CHARM, I recommend you try it!

Link: lemon-manuals.la or lemon-manuals.org.ua

(Some people have issue connecting. LEMON is investigating. For now, use Firefox or change your DNS server)

Or, hide this message: temporarily or permanently

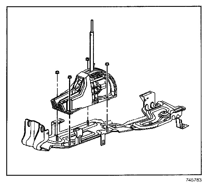
Floor Shift Control Replacement

FLOOR SHIFT CONTROL REPLACEMENT

REMOVAL PROCEDURE




1. Remove the front floor console.




2. Remove the end of the range selector cable (1) from the transmission control ball stud
3. Remove the range selector cable (2) from the floor shift control.




4. Remove the transmission control bolts.
5. Remove the transmission control.

INSTALLATION PROCEDURE




1. Install the transmission control.

NOTE: Refer to Fastener Notice in Service Precautions.

2. Install the transmission control bolts.

Tighten
Tighten the transmission control bolts to 25 N.m (18 lb ft).




3. Install the range selector cable (2) to the floor shift control.
4. Install the end of the range selector cable (1) to the transmission control ball stud.




5. Install the front floor console.
6. Check for proper operation of the floor shift control.
7. Adjust the range selector cable if necessary. Refer to Automatic Transmission Range Selector Cable Adjustment.