Operation CHARM: Car repair manuals for everyone.
Manuals through 2025 now available!

Our trusted friends have launched a new website named LEMON, which has newer manuals. It also contains all the CHARM manuals.

LEMON is the spiritual successor to CHARM, I recommend you try it!

Link: lemon-manuals.la or lemon-manuals.org.ua

(Some people have issue connecting. LEMON is investigating. For now, use Firefox or change your DNS server)

Or, hide this message: temporarily or permanently

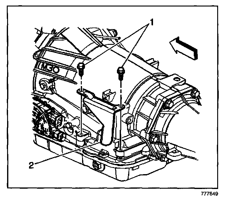
Automatic Transmission Range Selector Cable Bracket Replacement

AUTOMATIC TRANSMISSION RANGE SELECTOR CABLE BRACKET REPLACEMENT

REMOVAL PROCEDURE




1. Apply the parking brake.
2. Shift the transmission into neutral.
3. Raise the vehicle. Refer to Vehicle Lifting.
4. Disconnect the transmission range selector cable from the shift lever and the bracket (2).
5. Remove the bolts (1) securing the transmission range selector cable bracket (2) to the transmission.
6. Remove the transmission range selector cable bracket from the vehicle.

INSTALLATION PROCEDURE




1. Install the transmission range selector cable bracket to the vehicle.

NOTE: Refer to Fastener Notice in Service Precautions.

2. Install the transmission range selector cable bracket bolts (1).

Tighten
Tighten the bolts to 25 N.m (18 lb ft).

3. Install the transmission range selector cable to the bracket (2) and the lever.
4. Lower the vehicle.
5. Check the vehicle for proper operation. If adjustment of the cable is necessary, refer to Automatic Transmission Range Selector Cable Adjustment.