Operation CHARM: Car repair manuals for everyone.
Manuals through 2025 now available!

Our trusted friends have launched a new website named LEMON, which has newer manuals. It also contains all the CHARM manuals.

LEMON is the spiritual successor to CHARM, I recommend you try it!

Link: lemon-manuals.la or lemon-manuals.org.ua

(Some people have issue connecting. LEMON is investigating. For now, use Firefox or change your DNS server)

Or, hide this message: temporarily or permanently

Shift Solenoid: Service and Repair

CONTROL AND SHIFT SOLENOIDS REPLACEMENT

REMOVAL PROCEDURE




1. Remove the transmission oil pan and filter.

IMPORTANT: Do not remove the valve body for the following procedures. Removal of the 1-2 accumulator is necessary only if servicing the pressure control solenoid.

2. Remove the 1-2 accumulator if necessary.
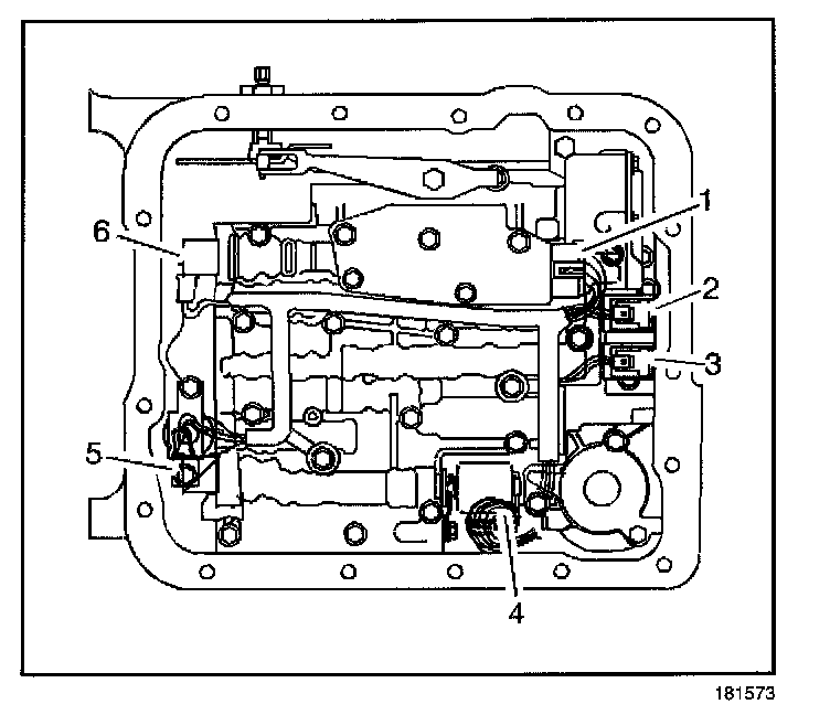
3. Disconnect the internal wiring harness electrical connectors from the following components:
- Transmission fluid pressure switch (1)
- 1-2 shift control solenoid (2)
- 2-3 shift control solenoid (3)
- Pressure control solenoid (4)
- TCC PWM solenoid (5)
- 3-2 control solenoid (6)




4. Remove the pressure control solenoid retainer.
5. Remove the pressure control solenoid.




6. Remove the 1-2 and 2-3 shift solenoid retainers.
7. Remove the 1-2 and 2-3 shift solenoids.




8. Remove the 3-2 control solenoid retainer.
9. Remove the 3-2 control solenoid.

INSTALLATION PROCEDURE




1. Install the 3-2 control solenoid.
2. Install the 3-2 control solenoid retainer.




3. Install the 1-2 and 2-3 shift solenoids.
4. Install the 1-2 and 2-3 shift solenoid retainers.




5. Install the pressure control solenoid.
Ensure that the electrical tabs are facing outboard.

NOTE: Refer to Fastener Notice in Service Precautions.

6. Install the pressure control solenoid retainer and retaining bolt.

Tighten
Tighten the pressure control solenoid retaining bolt to 11 N.m (97 lb in).




7. Connect the internal wiring harness electrical connectors to the following components:
- Transmission fluid pressure switch (1)
- 1-2 shift control solenoid (2)
- 2-3 shift control solenoid (3)
- Pressure control solenoid (4)
- TCC PWM solenoid (5)
- 3-2 control solenoid (6)
8. Install the 1-2 accumulator.
9. Install the transmission oil pan and filter.
10. Fill the transmission to the proper level with DEXRON(R) III transmission fluid. Refer to Transmission Fluid Checking Procedure.