Operation CHARM: Car repair manuals for everyone.
Manuals through 2025 now available!

Our trusted friends have launched a new website named LEMON, which has newer manuals. It also contains all the CHARM manuals.

LEMON is the spiritual successor to CHARM, I recommend you try it!

Link: lemon-manuals.la or lemon-manuals.org.ua

(Some people have issue connecting. LEMON is investigating. For now, use Firefox or change your DNS server)

Or, hide this message: temporarily or permanently

Procedures

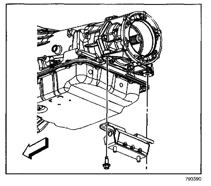
TRANSMISSION MOUNT REPLACEMENT

REMOVAL PROCEDURE




1. Raise and support the vehicle. Refer to Vehicle Lifting.
2. Remove the catalytic converter guard.
3. Support the transmission with a transmission jack.
4. Remove the two nuts securing the transmission mount to the transmission support.




5. Raise the transmission off of the transmission support.
6. Remove the bolts.

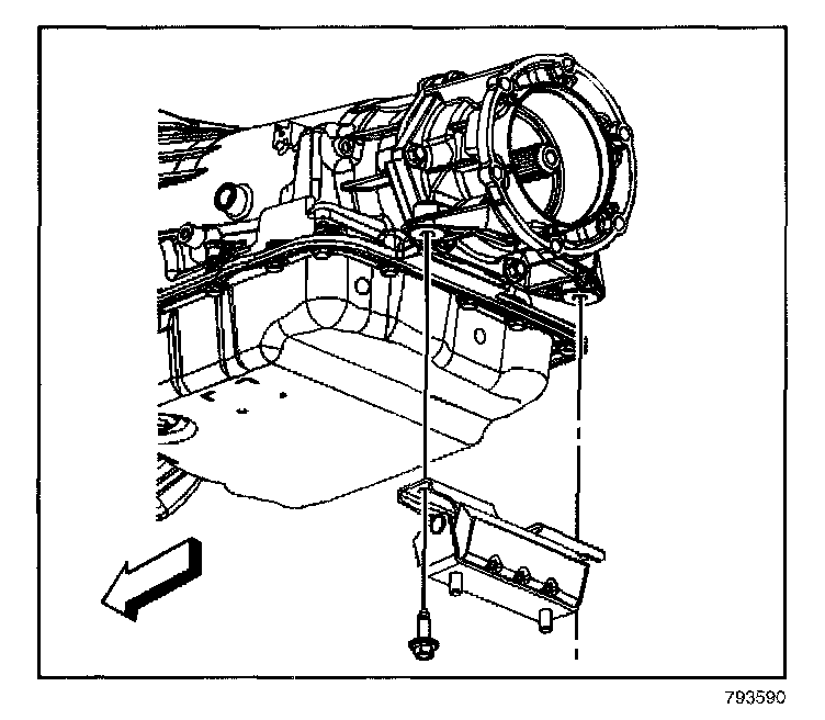
INSTALLATION PROCEDURE




1. Install the transmission mount to the vehicle.

NOTE: Refer to Fastener Notice in Service Precautions.

2. Install the bolts.

Tighten
Tighten the bolts to 60 N.m (44 lb ft).




3. Lower the transmission and install the two nuts securing the transmission mount to the transmission support.

Tighten
Tighten the nuts to 40 N.m (30 lb ft).

4. Remove the transmission jack.
5. Install the catalytic converter guard.
6. Lower the vehicle.