Operation CHARM: Car repair manuals for everyone.
Manuals through 2025 now available!

Our trusted friends have launched a new website named LEMON, which has newer manuals. It also contains all the CHARM manuals.

LEMON is the spiritual successor to CHARM, I recommend you try it!

Link: lemon-manuals.la or lemon-manuals.org.ua

(Some people have issue connecting. LEMON is investigating. For now, use Firefox or change your DNS server)

Or, hide this message: temporarily or permanently

Valve Body: Service and Repair

VALVE BODY AND PRESSURE SWITCH REPLACEMENT

REMOVAL PROCEDURE




1. Ensure that removal of the valve body is necessary before proceeding.

IMPORTANT: The following components can be serviced without removing the valve body from the transmission:
- The torque converter clutch solenoid (1)
- The pressure control solenoid (2)
- The internal wiring harness (3)
- The 2-3 shift solenoid (4)
- The 1-2 shift solenoid (5)
- The transmission fluid pressure manual valve position switch (6)
- The 3-2 shift solenoid (7)
- The torque converter clutch pulse width modulation (TCC PWM) solenoid (8)

2. Remove the fluid level indicator.
3. Raise the vehicle. Refer to Vehicle Lifting.
4. Remove the oil pan, gasket, and filter.




5. Disconnect the internal wiring harness electrical connectors from the following components:
- The transmission fluid pressure manual valve position switch (1)
- The 1-2 shift solenoid (2)
- The 2-3 shift solenoid (3)
- The pressure control solenoid (4)
- The TCC PWM solenoid (5)
- The 3-2 shift solenoid (6)




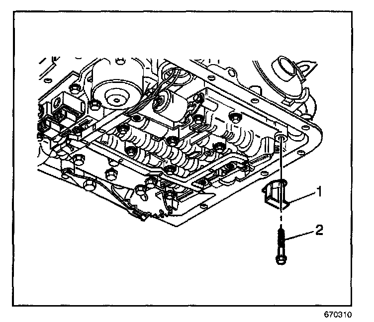
6. Remove the fluid indicator stop bracket bolt (2).
7. Remove the fluid indicator bracket (1).




8. Remove the TCC PWM solenoid retainer (2) with a small screwdriver. Rotate the solenoid (1) in the bore, if necessary, until the flat part of the retainer (2) is visible.
9. Remove the TCC PWM solenoid (1) in order to access the TCC solenoid retaining bolts.




10. Remove the TCC solenoid retaining bolts.




11. Remove the TCC solenoid (with O-ring seal) and wiring harness from the control valve body.
12. Reposition the harness to the side of the transmission case.




13. Remove the control valve body bolts which retain the transmission fluid pressure switch to the control valve body.
14. Remove the transmission fluid pressure switch.




15. Inspect the transmission fluid pressure switch for damage or debris.




16. Remove the manual detent spring retaining bolt.
17. Remove the manual detent spring.
18. Inspect the manual detent spring for cracks or damage.

IMPORTANT: Keep the control valve body level when lowering it from the vehicle. This will prevent the loss of checkballs located in the control valve body passages.




19. Remove the remaining control valve body bolts.
20. Carefully begin to lower the control valve body down from the transmission case while simultaneously disconnecting the manual valve link.

INSTALLATION PROCEDURE




1. Install the checkballs (1-7) in the valve body.




2. Install the control valve body to the transmission case while simultaneously connecting the manual valve link to the manual valve.




3. Verify that the manual valve link (3) is installed properly to the inside detent lever (1) and the manual valve (2).




4. Install one bolt (M6 X 1.0 X 47.5) hand tight in the center (1) of the valve body to hold it in place.

IMPORTANT: When installing bolts throughout this procedure, be sure to use the correct bolt size and length in the correct location as specified.




5. Do not install the transmission fluid indicator stop bracket and bolt at this time.

Install but do not tighten the control valve body bolts which retain only the valve body directly.

Each numbered bolt location corresponds to a specific bolt size and length, as indicated by the following:
- M6 X 1.0 X 65.0(1)
- M6 X 1.0 X 54.4(2)
- M6 X 1.0 X 47.5(3)
- M6 X 1.0 X 35.0(4)
- M8 X 1.0 X 20.0(5)
- M6 X 1.0 X 12.0(6)
- M6 X 1.0 X 18.0(7)




6. Install the manual detent spring.
7. Install but do not tighten the manual detent spring retaining bolt.




8. Install the transmission fluid pressure switch.
9. Install but do not tighten the control valve body bolts which retain the transmission fluid pressure switch to the control valve body.

NOTE:
- Refer to Fastener Notice in Service Precautions.
- Torque valve body bolts in a spiral pattern starting from the center. If the bolts are torqued at random, valve bores may be distorted and inhibit valve operation.




10. Tighten the control valve body bolts in a spiral pattern starting from the center, as indicated by the arrows.

Tighten
Tighten the control valve body bolts (in sequence) to 11 N.m (97 lb in).




11. Ensure that the manual detent spring is aligned properly with the detent lever.

Tighten
Tighten the manual detent spring bolt to 11 N.m (97 lb in).




12. Install the TCC solenoid with a new O-ring seal to the valve body.




13. Install the TCC solenoid bolts.

Tighten
Tighten the TCC solenoid retaining bolts to 11 N.m (97 lb in).




14. Install the internal wiring harness to the valve body. The internal wiring harness has a tab (1) on the edge of the conduit.




15. Place the tab between the valve body and the pressure switch in the location shown (2). Press the harness into position on the valve body bolt bosses (1, 3).




16. Install the TCC PWM solenoid (1) to the control valve body.
17. Install the TCC PWM solenoid retainer (2).




18. Install the transmission fluid indicator stop bracket (1) and bolt (2).

Tighten
Tighten the transmission fluid indicator stop bracket bolt to 11 N.m (97 lb in).




19. Connect the internal wiring harness electrical connectors to the following components:
- The transmission fluid pressure manual valve position switch (1)
- The 1-2 shift solenoid (2)
- The 2-3 shift solenoid (3)
- The pressure control solenoid (4)
- The TCC PWM solenoid (5)
- The 3-2 shift solenoid (6)

20. Install the transmission oil pan and filter.
21. Lower the vehicle.
22. Fill the transmission to the proper level with DEXRON(R) III transmission fluid. Refer to Transmission Fluid Checking Procedure.