Operation CHARM: Car repair manuals for everyone.
Manuals through 2025 now available!

Our trusted friends have launched a new website named LEMON, which has newer manuals. It also contains all the CHARM manuals.

LEMON is the spiritual successor to CHARM, I recommend you try it!

Link: lemon-manuals.la or lemon-manuals.org.ua

(Some people have issue connecting. LEMON is investigating. For now, use Firefox or change your DNS server)

Or, hide this message: temporarily or permanently

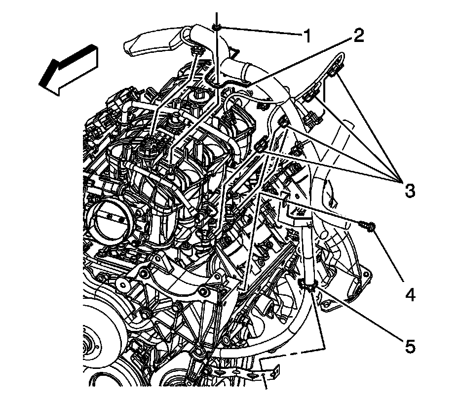
Generator Bracket Replacement



Generator Bracket Replacement

Removal Procedure





1. Remove the generator. Refer to Generator Replacement (LH8) (Generator Replacement)Generator Replacement (LLR) (Generator Replacement) .
2. Remove the drive belt idler pulley. Refer to Drive Belt Idler Pulley Replacement (Service and Repair) .
3. Remove the engine wiring harness bracket bolt (4).
4. Reposition the engine wiring harness bracket out of the way.




5. Remove the generator bracket bolts.
6. Remove the generator bracket from the vehicle.
7. Transfer any parts as needed.



Installation Procedure





1. Position the generator bracket in the vehicle.

Notice: Refer to Fastener Notice (Fastener Notice) .

2. Install the generator bracket bolts.

Tighten the bolts to 50 N.m (37 lb ft).





3. Position the engine wiring harness bracket to the generator bracket.
4. Install the engine wiring harness bracket bolt (4).

Tighten the bolt to 40 N.m (29.5 lb ft).

5. Install the drive belt idler pulley. Refer to Drive Belt Idler Pulley Replacement (Service and Repair) .
6. Install the generator. Refer to Generator Replacement (LH8) (Generator Replacement)Generator Replacement (LLR) (Generator Replacement) .