Operation CHARM: Car repair manuals for everyone.
Manuals through 2025 now available!

Our trusted friends have launched a new website named LEMON, which has newer manuals. It also contains all the CHARM manuals.

LEMON is the spiritual successor to CHARM, I recommend you try it!

Link: lemon-manuals.la or lemon-manuals.org.ua

(Some people have issue connecting. LEMON is investigating. For now, use Firefox or change your DNS server)

Or, hide this message: temporarily or permanently

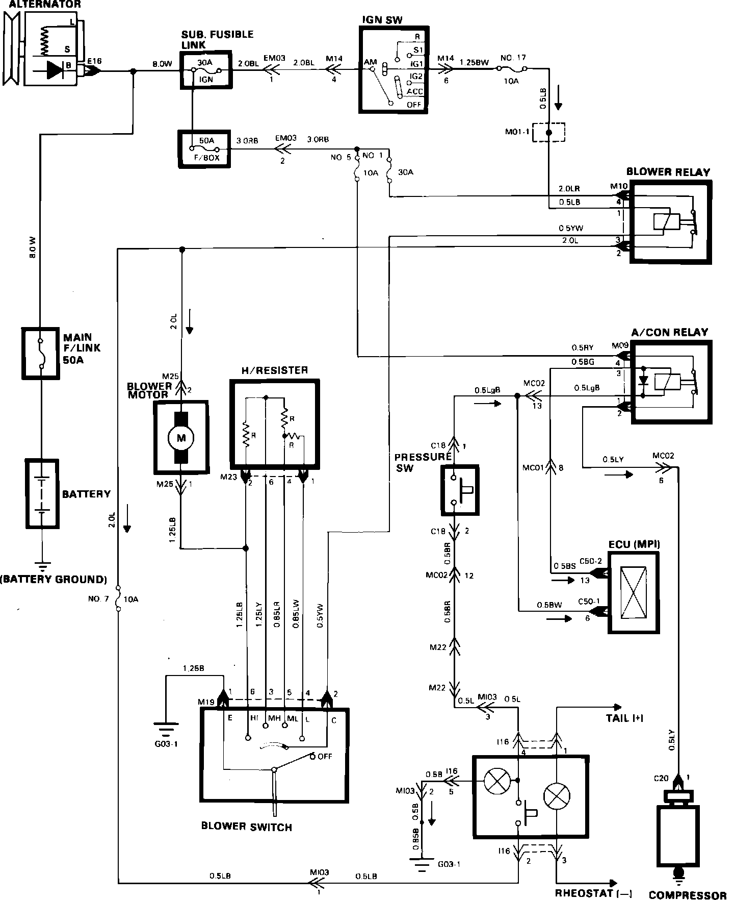
Air Conditioning Relay

Air Conditioning:





PURPOSE
The Air Conditioning Relay supplies current to the A/C compressor clutch when the ECU determines that engine conditions are suitable for A/C operation.

LOCATION
Located in the in front of the drivers left knee bolster.

A/C Relay:





RELAY OPERATION
The relay is electromechanical. The ECU monitors the A/C on signal from the switch to the relay. When voltage is supplied from the switch to the relay coil, the ECU supplies the ground circuit to the relay coil (if conditions are suitable). This energizes the relay, closing the contacts.


SYSTEM OPERATION
When the air conditioner switch is turned on, with engine at idle, the Idle Speed Control (ISC) servo increases idle speed. However, there is some delay before the engine speed actually increases. To eliminate air conditioner load during that delay period, the ECU keeps the compressor power off for about 0.5 seconds. As a result, even if the air conditioner switch is on, the air compressor is not driven instantly.

On automatic transmission equipped models, during acceleration when the throttle valve opening is above 65°, the air conditioner power relay circuit is shut off for approximately five seconds. This improves engine acceleration performance.