Operation CHARM: Car repair manuals for everyone.
Manuals through 2025 now available!

Our trusted friends have launched a new website named LEMON, which has newer manuals. It also contains all the CHARM manuals.

LEMON is the spiritual successor to CHARM, I recommend you try it!

Link: lemon-manuals.la or lemon-manuals.org.ua

(Some people have issue connecting. LEMON is investigating. For now, use Firefox or change your DNS server)

Or, hide this message: temporarily or permanently

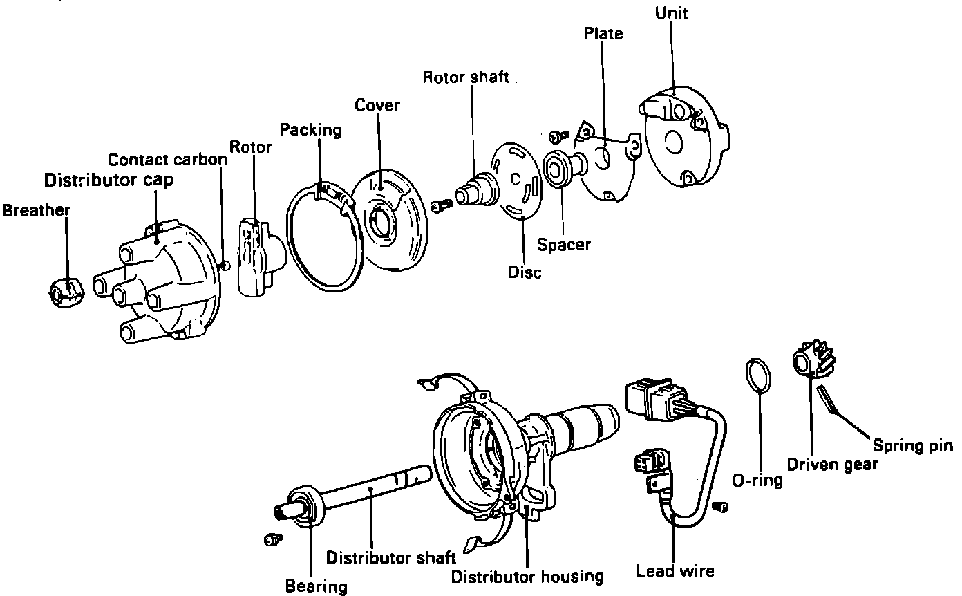
Distributor Assembly

Distributor Components Exploded View:





PURPOSE
The distributor directs high voltage ignition coil output to the spark plugs in proper sequence (firing order). To accomplish this, a rotor on the driven shaft acts as a rotary contact, directing ignition coil voltage to each spark plug terminal as it turns inside the distributor cap.

Crank Angle And #1 TDC Sensor:





OPERATION
The distributor uses photo-diode type crankshaft and camshaft position sensors consisting of a slotted disc that turns with the distributor shaft and a stationary pick-up assembly. As the disc rotates past the pick-up, the slots alternately pass and block photo-diode light transmission. Signals generated are interpreted by the ECU to determine camshaft position (#1 cylinder TDC) and engine rpm. To calculate ignition timing, the ECU uses this input together with several others related to vehicle operating conditions. Except for the initial setting, ignition timing is under ECU control.