Operation CHARM: Car repair manuals for everyone.
Manuals through 2025 now available!

Our trusted friends have launched a new website named LEMON, which has newer manuals. It also contains all the CHARM manuals.

LEMON is the spiritual successor to CHARM, I recommend you try it!

Link: lemon-manuals.la or lemon-manuals.org.ua

(Some people have issue connecting. LEMON is investigating. For now, use Firefox or change your DNS server)

Or, hide this message: temporarily or permanently

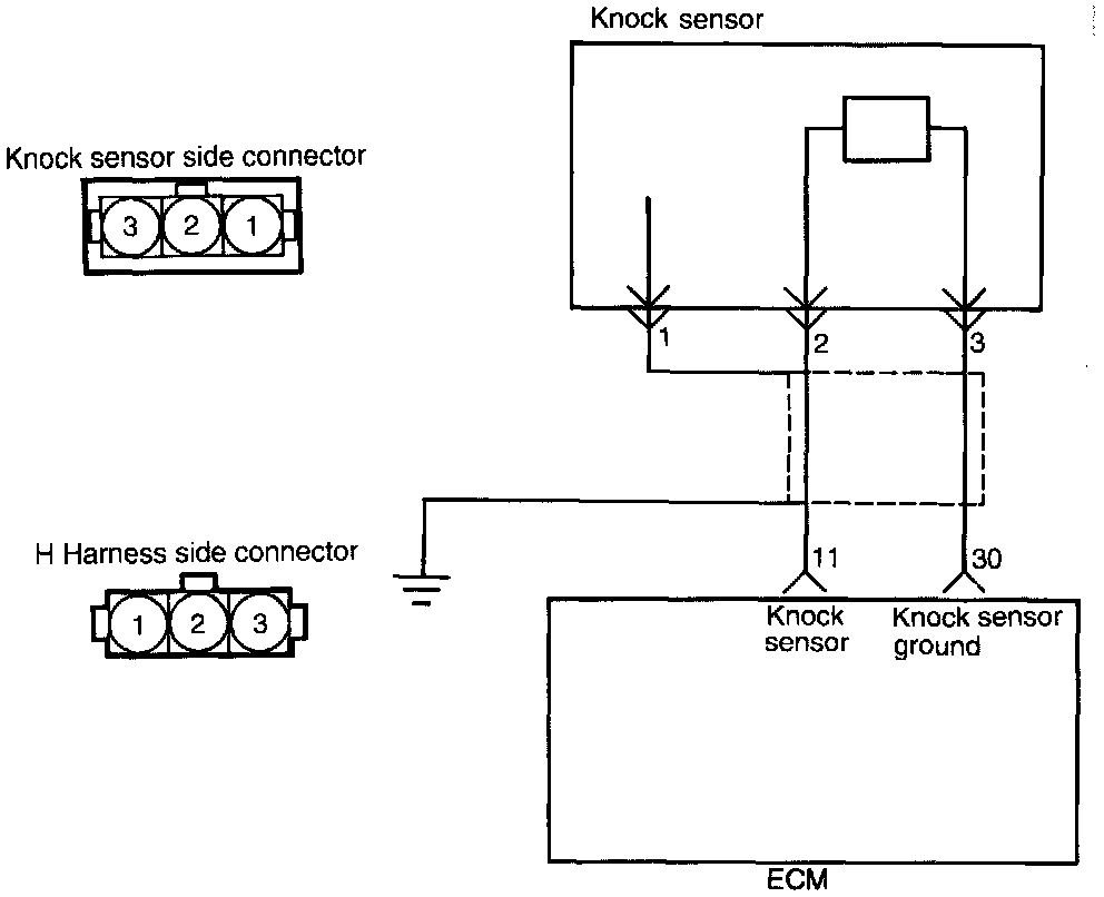
Knock Sensor: Testing and Inspection





Circuit Diagram





Troubleshooting Procedures








Harness Inspection Procedure

Sensor Inspection Procedure
1. Disconnect the knock sensor connector.





2. Measure resistance between the terminal 2 and 3.

Standard value: about 5 M ohms at 20° C (68° F)

3. If the resistance is continual, replace the knock sensor.

Tightening torque: 16 - 25 Nm (11.8 - 18.4 ft lb)