Operation CHARM: Car repair manuals for everyone.
Manuals through 2025 now available!

Our trusted friends have launched a new website named LEMON, which has newer manuals. It also contains all the CHARM manuals.

LEMON is the spiritual successor to CHARM, I recommend you try it!

Link: lemon-manuals.la or lemon-manuals.org.ua

(Some people have issue connecting. LEMON is investigating. For now, use Firefox or change your DNS server)

Or, hide this message: temporarily or permanently

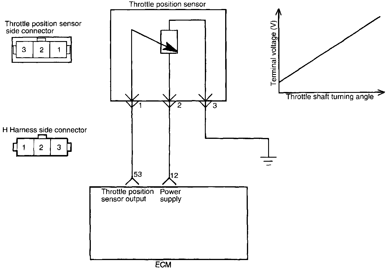
Throttle Position Sensor: Testing and Inspection





Circuit Diagram





Troubleshooting Procedures


Troubleshooting Hints
The throttle position Sensor signal is important in the control of automatic transaxle. Shift shock and other troubles will occur if the sensor is faulty.





Using Scan Tool





Using Voltmeter











Harness Inspection Procedure

Sensor Inspection Procedure
1. Disconnect the throttle position sensor connector.
2. Measure resistance between terminal 2 (sensor power) and terminal 3 (sensor ground).

Standard value: 1.2 - 2.8 k ohms

3. Connect a pointer type ohmmeter between terminal 3 (sensor ground) and terminal 1 (sensor output).
4. Operate the throttle valve slowly from the idle position to the full open position and check that the resistance changes smoothly in propotion with the throttle valve opening angle.
5. If the resistance is out of specification, or fails to change smoothly, replace the throttle position sensor.