Operation CHARM: Car repair manuals for everyone.
Manuals through 2025 now available!

Our trusted friends have launched a new website named LEMON, which has newer manuals. It also contains all the CHARM manuals.

LEMON is the spiritual successor to CHARM, I recommend you try it!

Link: lemon-manuals.la or lemon-manuals.org.ua

(Some people have issue connecting. LEMON is investigating. For now, use Firefox or change your DNS server)

Or, hide this message: temporarily or permanently

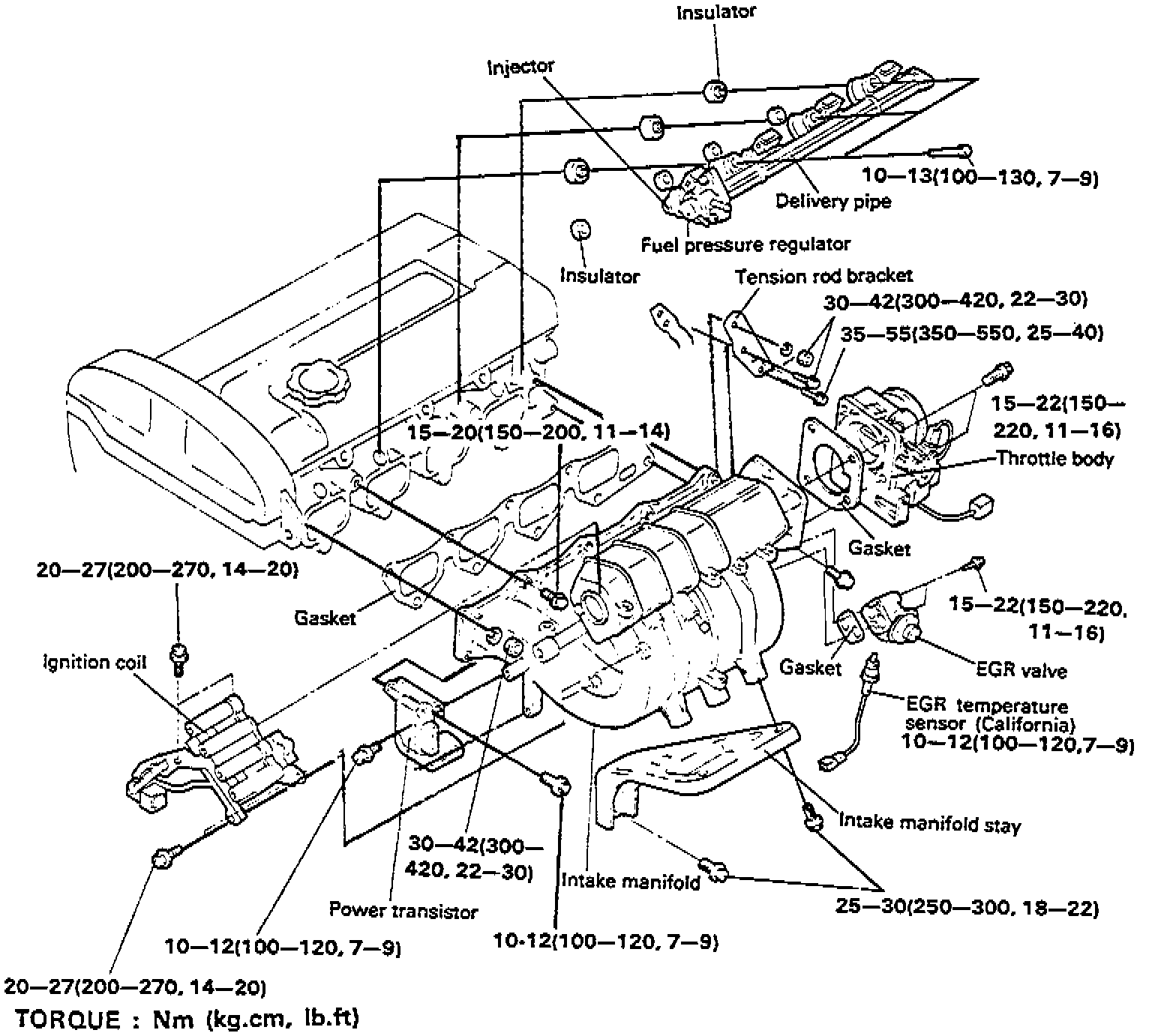
Intake Manifold: Service and Repair

Fig. 3 Surge Tank & Intake Manifold:






REMOVAL






1. Disconnect the high pressure fuel hose connection after relieving pressure in the fuel pipe line to prevent fuel overflow. Fuel Pressure






2. Remove the delivery pipe with the fuel injectors and pressure regulator attached.


CAUTION: Be careful not to drop the injectors when removing the delivery pipe.

INSPECTION

Intake Manifold

1. Check for damage or cracking of any part.
2. Check for obstruction of the vacuum outlet port, and for obstruction of the gas passage.

INSTALLATION






1. Make sure that the injector is not dropped, when installing the delivery pipe.