Operation CHARM: Car repair manuals for everyone.
Manuals through 2025 now available!

Our trusted friends have launched a new website named LEMON, which has newer manuals. It also contains all the CHARM manuals.

LEMON is the spiritual successor to CHARM, I recommend you try it!

Link: lemon-manuals.la or lemon-manuals.org.ua

(Some people have issue connecting. LEMON is investigating. For now, use Firefox or change your DNS server)

Or, hide this message: temporarily or permanently

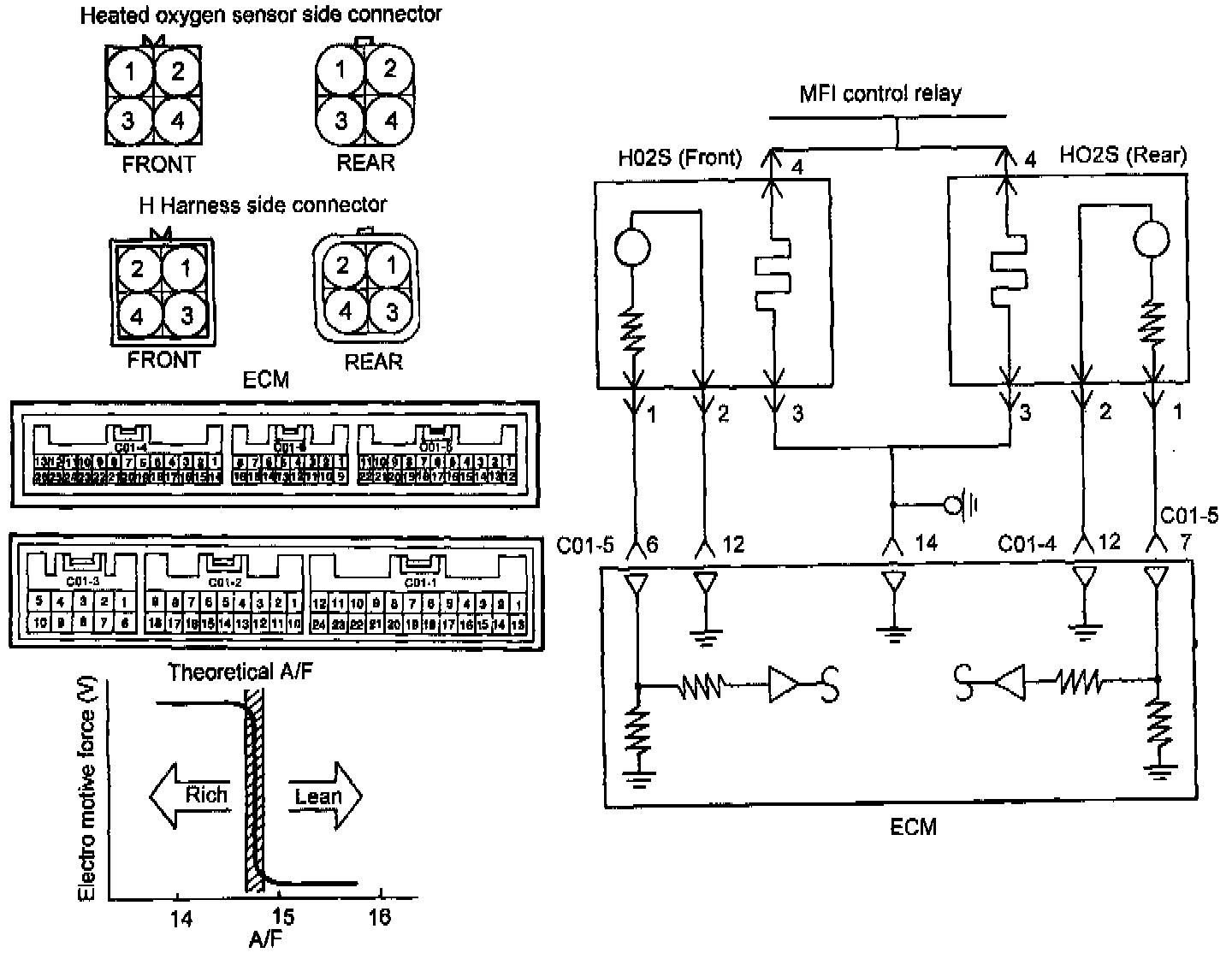
Oxygen Sensor: Testing and Inspection





CIRCUIT DIAGRAM





USING SCAN TOOL
NOTE
- If you release the accelerator pedal suddenly during engine running with about 4000 rpm, fuel supply will be stopped for a while and the oxygen sensor service data in the scan tool will be displayed in the range (A) And when you suddenly press down the accelerator pedal, the voltage will reaches (B) range.
- And then, when you let the engine idle again, the voltage will fluctuate between (A) and (B) range. In this case, the oxygen sensor can be determined as a good one.











HARNESS INSPECTION PROCEDURE

SENSOR INSPECTION











NOTE
1) Before checking, warm up the engine until the engine coolant temperature reaches 80 to 95°C (176 to 205°F).
2) Use an accurate digital voltmeter.

1. Disconnect the oxygen sensor connector, and measure the resistance between terminal 3 and terminal 4.

Standard value





2. Replace the oxygen sensor if there is malfunction.
3. Apply battery voltage directly between terminal 3 and terminal 4.

NOTE
- Take care when applying the voltage, because damage will result if the terminals are incorrect or are short- circuited.

4. Connect a digital-type voltmeter between terminal 1 and terminal 2.





5. While repeatedly racing the engine, measure the oxygen sensor output voltage.
6. If there is a problem, it is probable that there is a malfunction of the oxygen sensor.

Tightening torque
Oxygen sensor:
40-50 Nm (400-500 kg.cm, 29-36 lb.ft)



TROUBLE SHOOTING HINTS
1. If the HO2S is defective abnormally high emissions may occur.
2. If the HO2S check has resulted normal but the sensor output voltage is out of specifications, check for the following items related to air fuel ratio control system.
1) Faulty injector
2) Faulty wiring connection.
3) Air leaks in the intake manifold.
4) Faulty volume air flow sensor, intake air temperature sensor, barometric pressure sensor, engine coolant temperature sensor.