Operation CHARM: Car repair manuals for everyone.
Manuals through 2025 now available!

Our trusted friends have launched a new website named LEMON, which has newer manuals. It also contains all the CHARM manuals.

LEMON is the spiritual successor to CHARM, I recommend you try it!

Link: lemon-manuals.la or lemon-manuals.org.ua

(Some people have issue connecting. LEMON is investigating. For now, use Firefox or change your DNS server)

Or, hide this message: temporarily or permanently

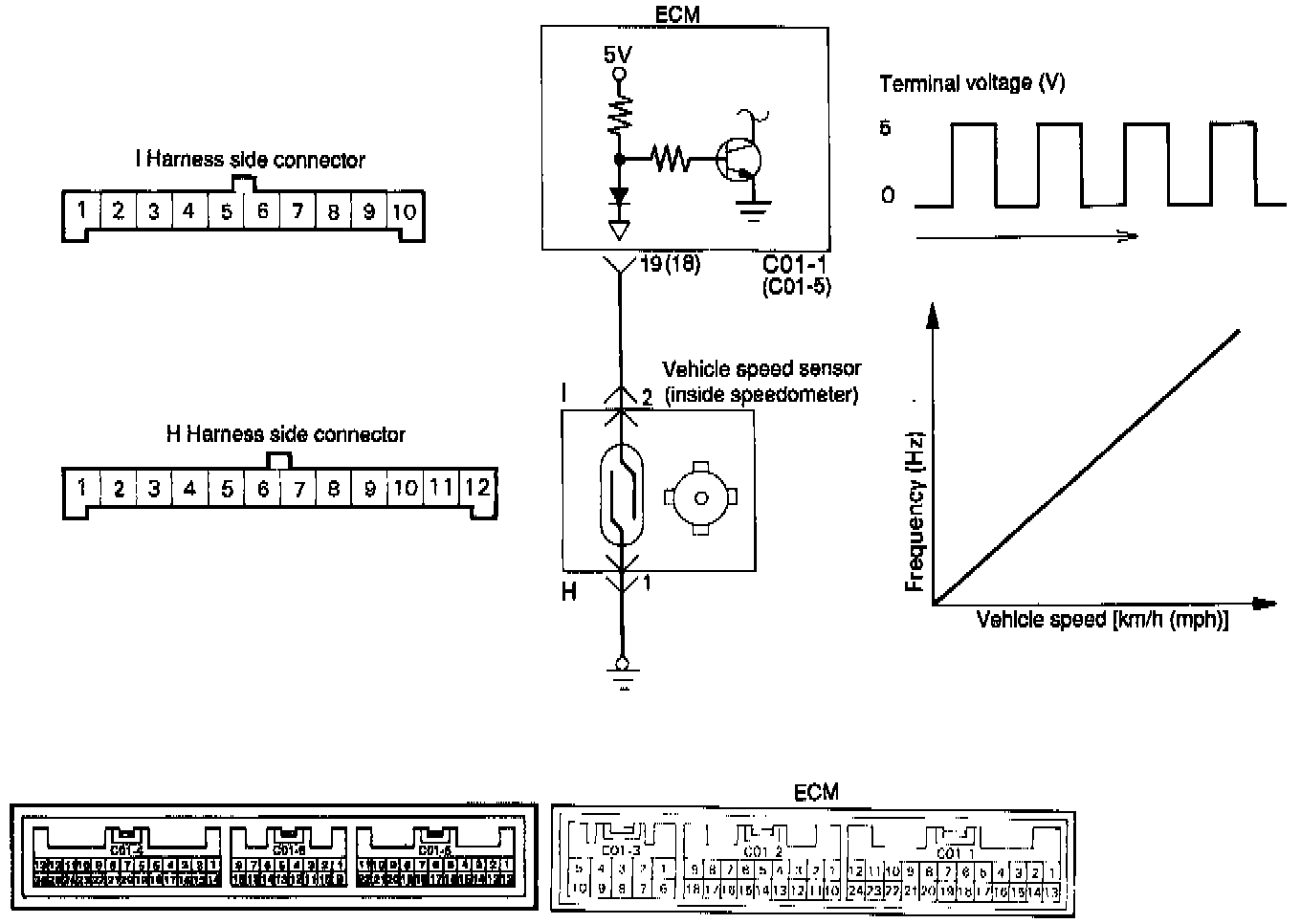
Vehicle Speed Sensor: Testing and Inspection





CIRCUIT DIAGRAM











HARNESS INSPECTION PROCEDURES

TROUBLE SHOOTING HINTS
If there is an open or short circuit in the vehicle speed sensor signal circuit, the engine may stall when the vehicle is decelerated to stop.