Operation CHARM: Car repair manuals for everyone.
Manuals through 2025 now available!

Our trusted friends have launched a new website named LEMON, which has newer manuals. It also contains all the CHARM manuals.

LEMON is the spiritual successor to CHARM, I recommend you try it!

Link: lemon-manuals.la or lemon-manuals.org.ua

(Some people have issue connecting. LEMON is investigating. For now, use Firefox or change your DNS server)

Or, hide this message: temporarily or permanently

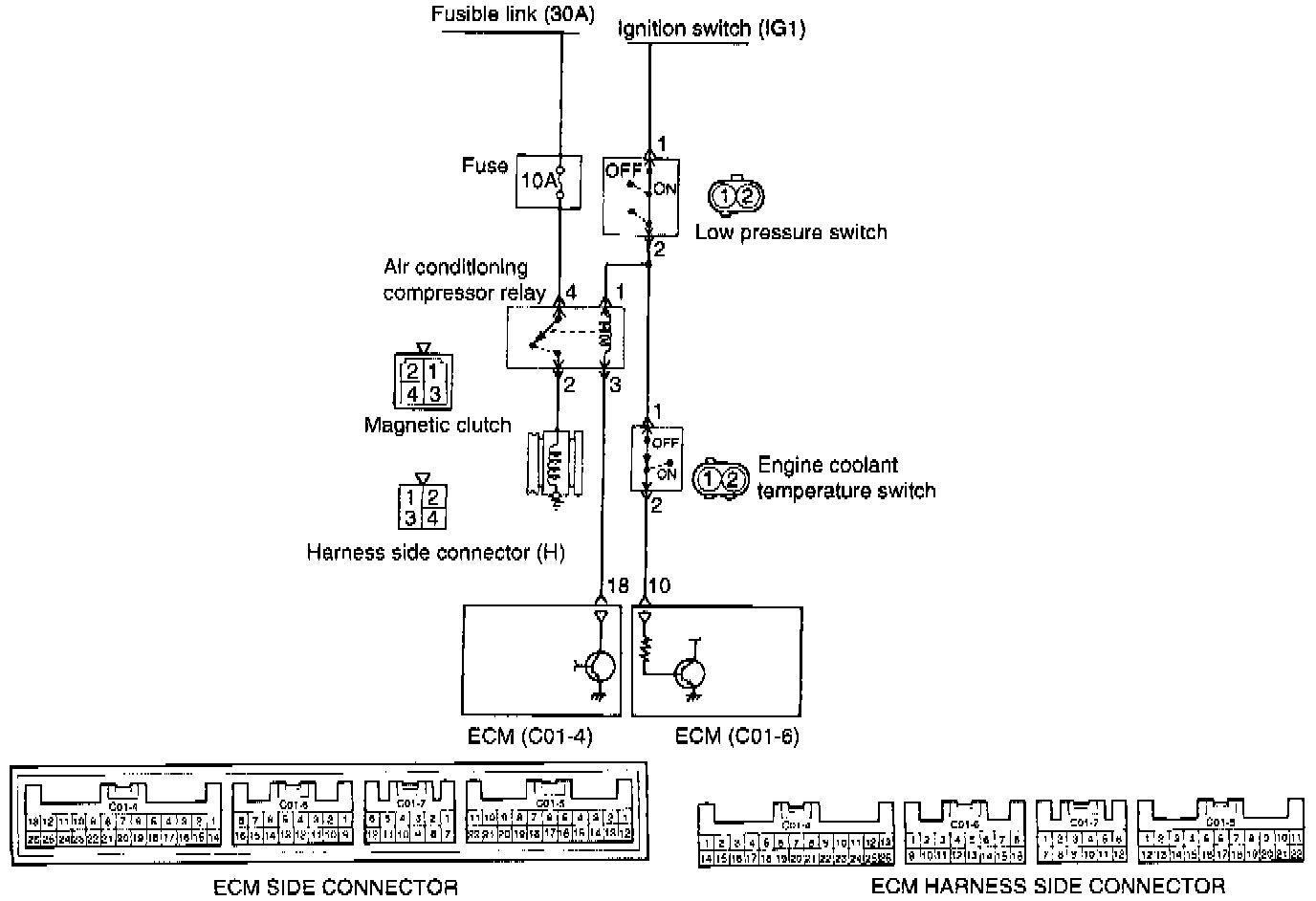
A/C Signal: Testing and Inspection





CIRCUIT DIAGRAM





USING SCAN TOOL





HARNESS INSPECTION

TROUBLESHOOTING HINTS
If the air compressor magnetic clutch is not activated when the air conditioning switch is turned on during idling a faulty air conditioning control system should be suspected.