Operation CHARM: Car repair manuals for everyone.
Manuals through 2025 now available!

Our trusted friends have launched a new website named LEMON, which has newer manuals. It also contains all the CHARM manuals.

LEMON is the spiritual successor to CHARM, I recommend you try it!

Link: lemon-manuals.la or lemon-manuals.org.ua

(Some people have issue connecting. LEMON is investigating. For now, use Firefox or change your DNS server)

Or, hide this message: temporarily or permanently

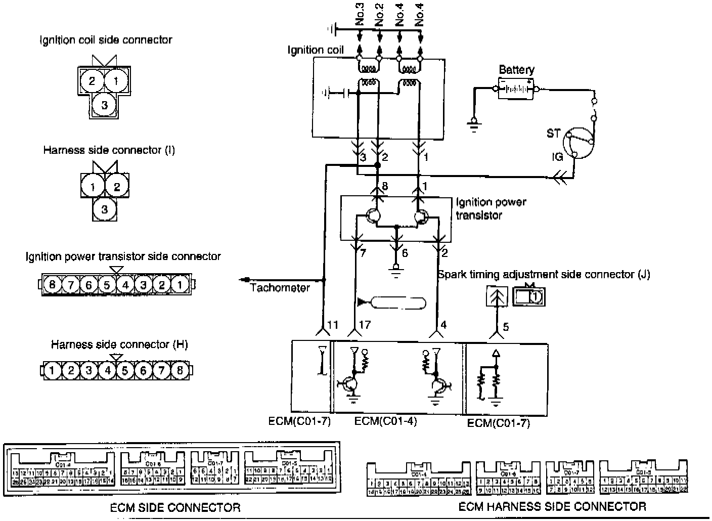
Ignition Coil: Testing and Inspection





CIRCUIT DIAGRAM





USING SCAN TOOL








HARNESS INSPECTION

COMPONENT TEST PROCEDURE





1. Measure the resistance between connector terminals 4 and 2 (the coils at the number 1 and number 4 cylinder sides) of the ignition coil. and between terminals 4 and 1 (the coils of the number 2 and number 3 cylinder sides).

Primary resistance: 0.77 - 0.95 Ohms





2. Measure the resistance between the high voltage terminal for the number 1 and number 4 cylinders and between the high voltage terminals for the number 2 and 3 cylinders.

Secondary Resistance: 10.3 - 13.9 K Ohms

CAUTION: Be sure, when measuring the resistance of the secondary coil, to disconnect the connector of the ignition coil.