Operation CHARM: Car repair manuals for everyone.
Manuals through 2025 now available!

Our trusted friends have launched a new website named LEMON, which has newer manuals. It also contains all the CHARM manuals.

LEMON is the spiritual successor to CHARM, I recommend you try it!

Link: lemon-manuals.la or lemon-manuals.org.ua

(Some people have issue connecting. LEMON is investigating. For now, use Firefox or change your DNS server)

Or, hide this message: temporarily or permanently

Automatic Transaxle Control System

�.J�=.JLQ.J:





Circuit Diagram

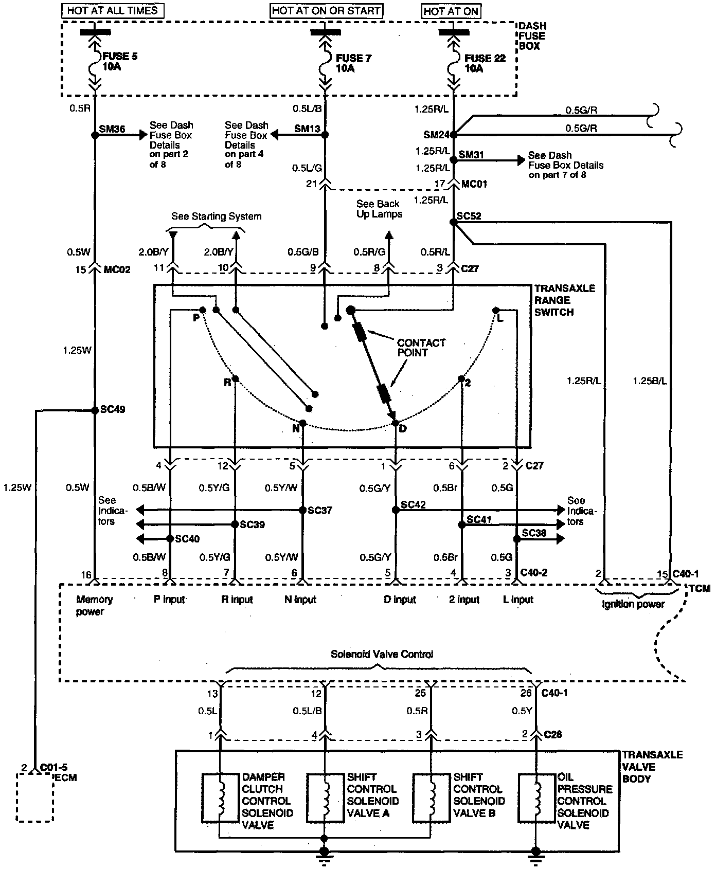
Automatic Transaxle Control System (Part 1 Of 3):




(Part 1 Of 3)
Dash Fuse Box
Transaxle Range Switch
TCM
Transaxle Valve Body

Automatic Transaxle Control System (Part 2 Of 3):




(Part 2 Of 3)
A/T Shift Lever
A/T Pulse Generator "A"
A/T Pulse Generator "B"
Instrument Cluster
Cruise Control Module
Power/Normal Switch
ECM
TCM
Kick Down Servo Switch

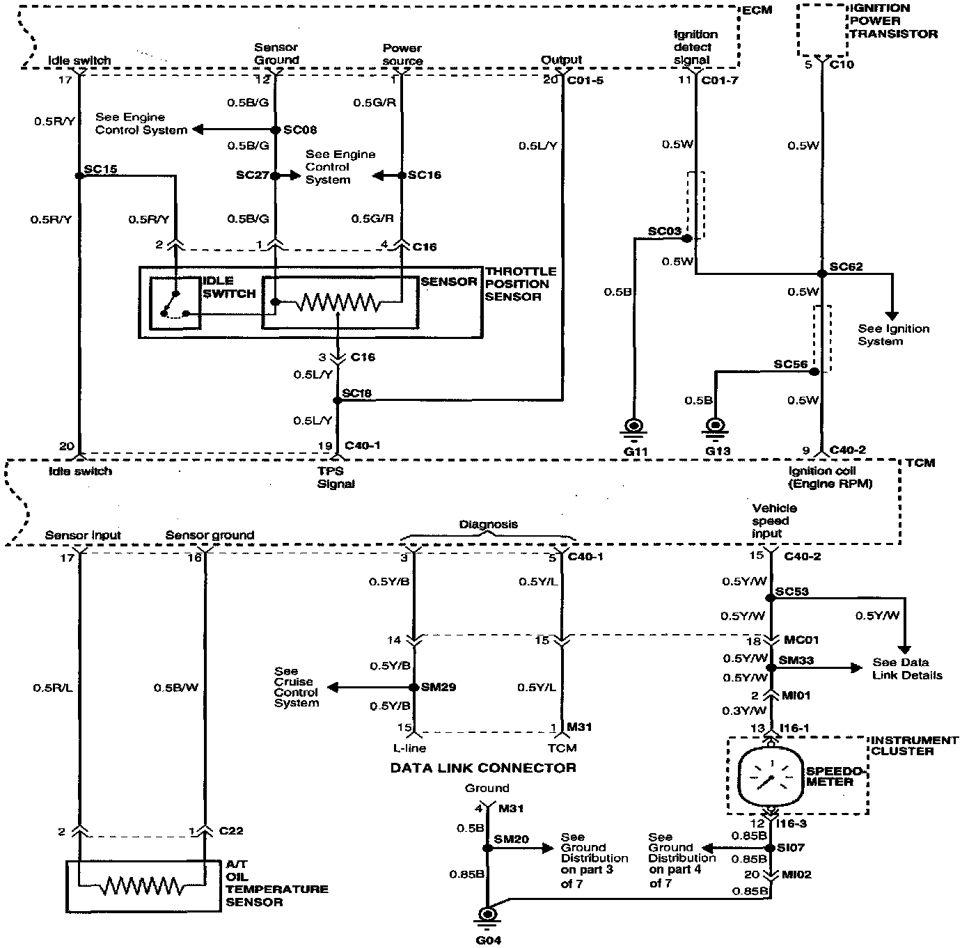
Automatic Transaxle Control System (Part 3 Of 3):




(Part 3 Of 3)
A/T Oil Temperature Sensor
Data Link Connector
ECM
Instrument Cluster
Ignition Power Transistor
Throttle Position Sensor
TCM


Connector Configurations Are Found In The Diagram Section Of The Vehicle.
Connector Views

Connector Locations Are Found In The Locations Section Of The Automatic Transaxle Control System.
Locations