Operation CHARM: Car repair manuals for everyone.
Manuals through 2025 now available!

Our trusted friends have launched a new website named LEMON, which has newer manuals. It also contains all the CHARM manuals.

LEMON is the spiritual successor to CHARM, I recommend you try it!

Link: lemon-manuals.la or lemon-manuals.org.ua

(Some people have issue connecting. LEMON is investigating. For now, use Firefox or change your DNS server)

Or, hide this message: temporarily or permanently

A/C Signal: Testing and Inspection

AIR CONDITIONING SWITCH AND RELAY
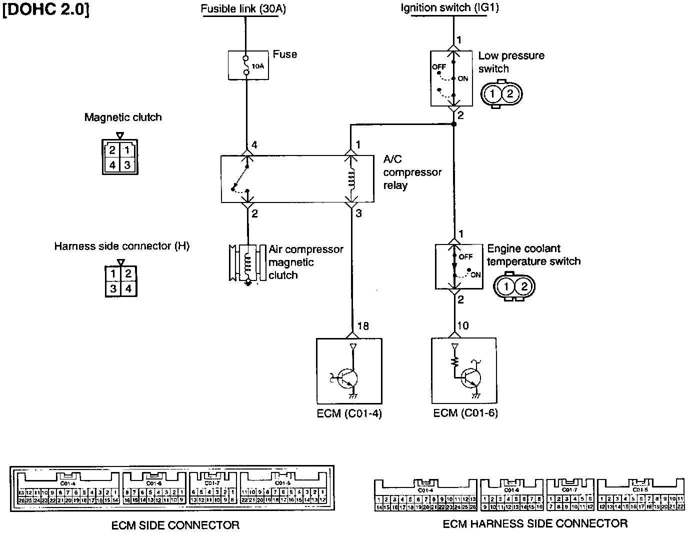
The air conditioning switch applies the battery voltage to the ECM when the air conditioner is turned on. When the air conditioning ON signal is input, the ECM drives the SC motor and turns ON the power transistor. And then the air conditioning power relay coil is energized to turn on the relay switch, which activates the air compressor magnetic clutch.




CIRCUIT DIAGRAM

NOTE: If the air compressor magnetic clutch is not activated when the air conditioing switch is turned on during idling, faulty air conditioning control system is suspected.




Using GST




Harness Inspection