Operation CHARM: Car repair manuals for everyone.
Manuals through 2025 now available!

Our trusted friends have launched a new website named LEMON, which has newer manuals. It also contains all the CHARM manuals.

LEMON is the spiritual successor to CHARM, I recommend you try it!

Link: lemon-manuals.la or lemon-manuals.org.ua

(Some people have issue connecting. LEMON is investigating. For now, use Firefox or change your DNS server)

Or, hide this message: temporarily or permanently

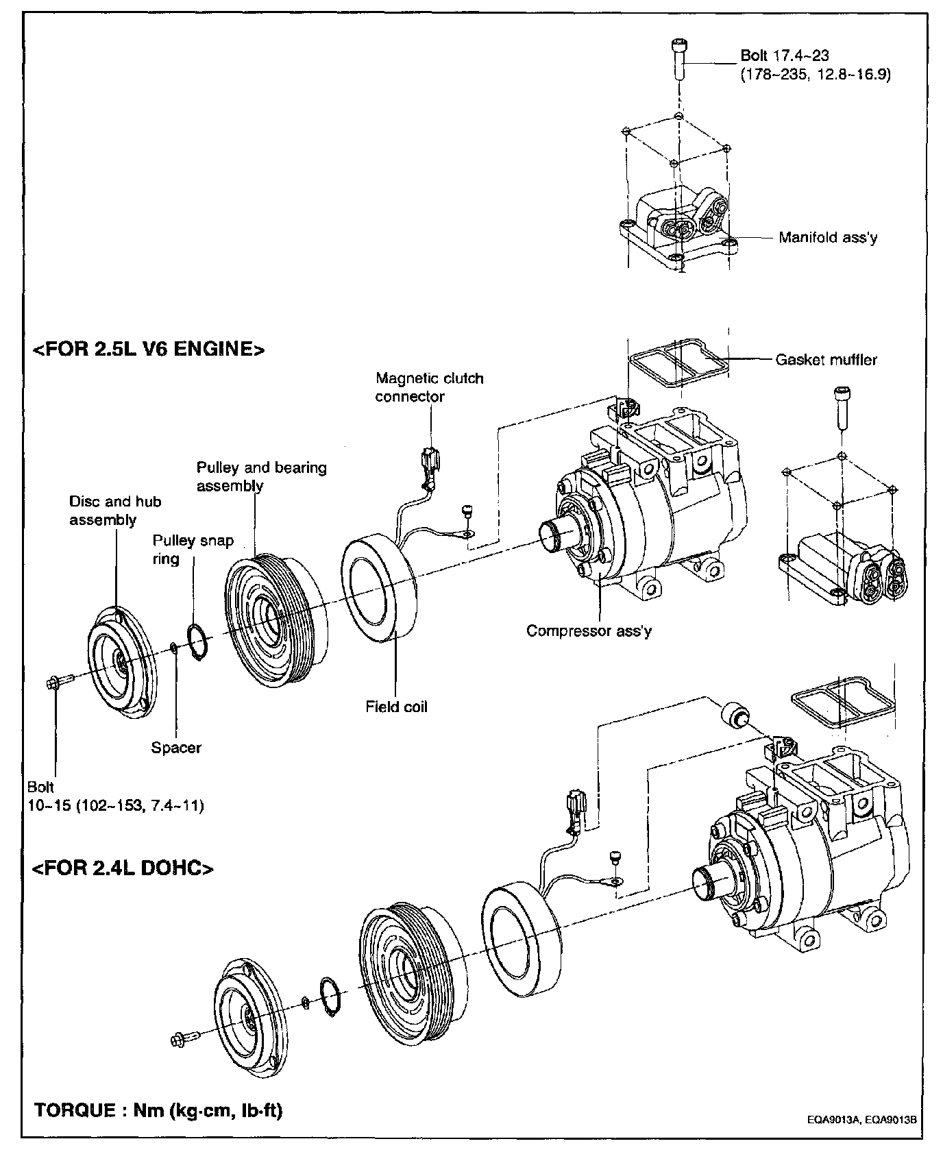
Compressor Clutch Hub: Service and Repair

Compressor:




DISASSEMBLY AND REASSEMBLY

DISASSEMBLY SERVICE POINTS

CLUTCH HUB AND PULLEY







1. Remove the clutch hub retaining bolt with the aid of a spanner wrench.
2. Pull the clutch hub. If the hub can not be pulled from the compressor shaft, screw an 8 mm bolt into the shaft hole of the clutch hub to force the hub from the shaft.
3. Remove the pulley retaining snap ring and then pull the pulley and bearing assembly from the compressor.




CLUTCH FIELD COIL
1. Remove the clutch hub and pulley following the procedure given.
2. Install shaft protector tool on the nose opening of the compressor.
3. Install the pulley on the compressor as shown in the illustration. Place the tip of the puller screw on the center dimple of the shaft protector and the jaws of the puller around the back side of the field coil.
4. Tighten the forcing screw with a wrench to pull the coil loose from the compressor front head.




REASSEMBLY SERVICE POINT
1. After reassembling the compressor assembly as the reverse of disassembly procedure given, check the clutch air gap between the clutch hub and the pulley mating surface with a feeler gauge.

The air gap should be as follows
Air gap 0.35 - 0.65 mm (0.014 0.026 inch)

NOTE: When reassembling the compressor assembly, clean the pulley bearing surface and coil press diameter of the front head to remove any dirt or corrosion.

2. If the clutch air gap is not within the dimensions specified above, adjust the various thickness shims until the air gap is between the specified limits.