Operation CHARM: Car repair manuals for everyone.
Manuals through 2025 now available!

Our trusted friends have launched a new website named LEMON, which has newer manuals. It also contains all the CHARM manuals.

LEMON is the spiritual successor to CHARM, I recommend you try it!

Link: lemon-manuals.la or lemon-manuals.org.ua

(Some people have issue connecting. LEMON is investigating. For now, use Firefox or change your DNS server)

Or, hide this message: temporarily or permanently

Knock Sensor: Testing and Inspection




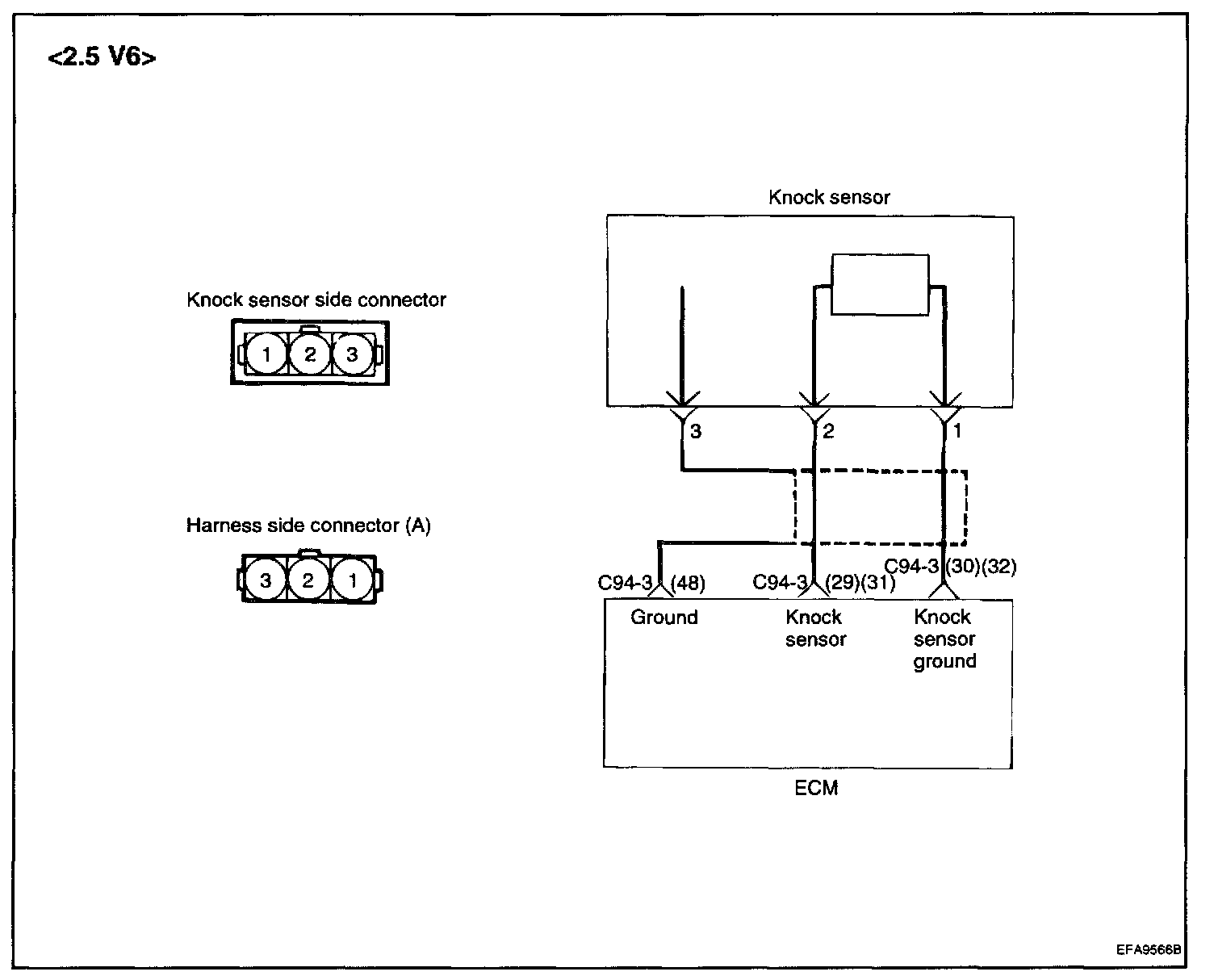
The knock sensor is attached to the cylinder block and senses engine knocking conditions. A knocking vibration from the cylinder block is applied as pressure to the piezoelectric element. This vibrational pressure is then converted into a voltage signal which is delivered as output. If engine knocking occurs, ignition timing is retarded to suppress it.

Circuit Diagram:






Troubleshooting Procedure:






TROUBLESHOOTING HINTS
1. The MIL is ON or the DTC is displayed on the HI-SCAN under the following condition;
- When the knock sensor signal is not detected though the engine is in the over load condition.
2. When knock sensor signal is abnormally low.

Harness Inspection Procedure:









SENSOR INSPECTION
1. Disconnect the knock sensor connector.
2. Measure resistance between the terminal 2 and 3.

Standard value about 5MW [at 20°C (68°F)]

3. If the resistance is continual, replace the knock sensor.

Knock sensor 16 - 28 Nm (160 - 250 kg.cm, 11.8 - 18.4 lb.ft)

4. Measure the capacitance between the terminal 2 & 3.

Standard value 800 - 1600 pF