Operation CHARM: Car repair manuals for everyone.
Manuals through 2025 now available!

Our trusted friends have launched a new website named LEMON, which has newer manuals. It also contains all the CHARM manuals.

LEMON is the spiritual successor to CHARM, I recommend you try it!

Link: lemon-manuals.la or lemon-manuals.org.ua

(Some people have issue connecting. LEMON is investigating. For now, use Firefox or change your DNS server)

Or, hide this message: temporarily or permanently

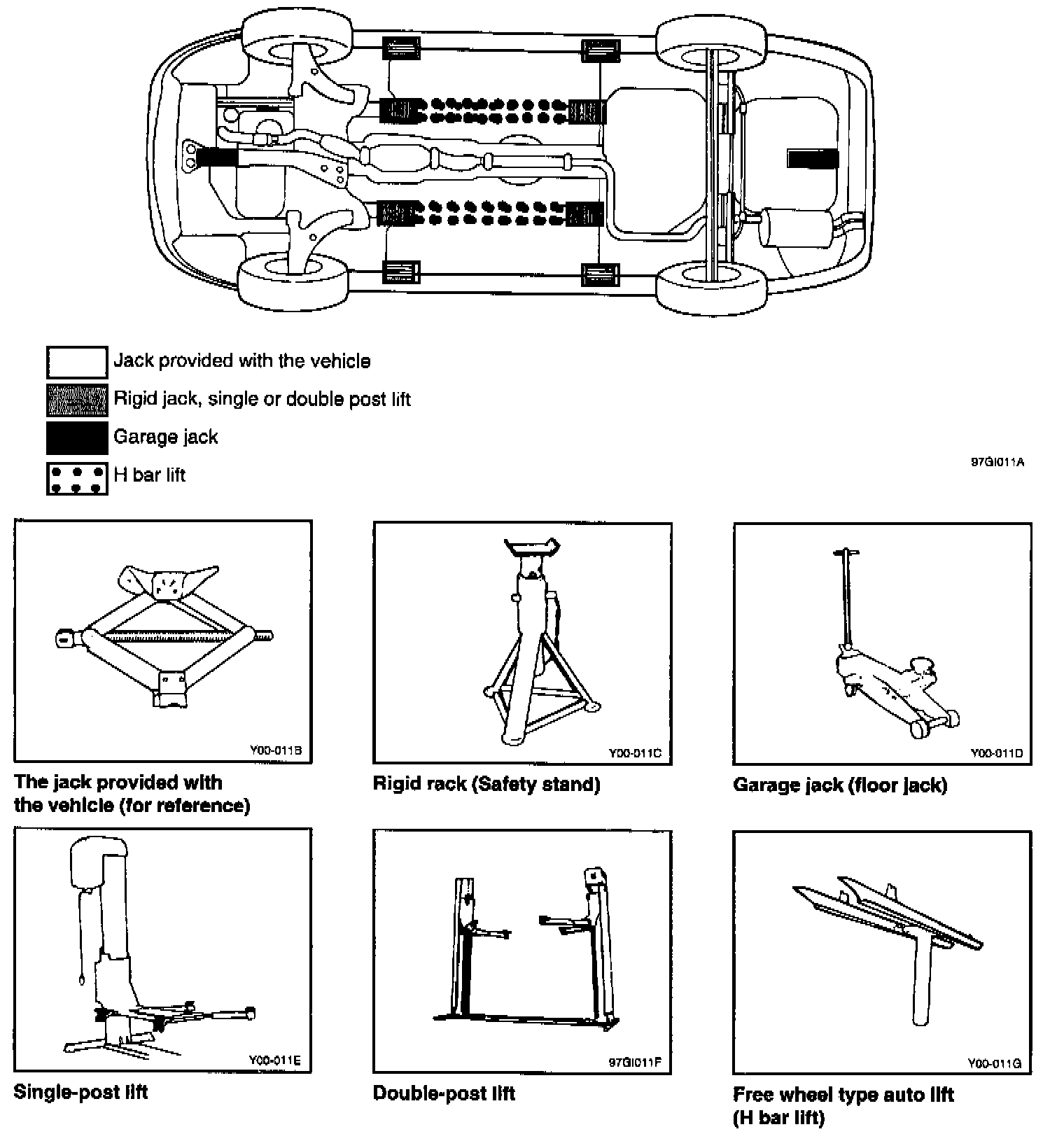
Vehicle Lift and Support Locations






CAUTION:
1. Never use B jack at the lateral rod or rear suspension assembly.
2. In order to prevent scarring the subframe, place a piece of cloth on the lack's contact surface (to prevent corrosion caused by damage to the coating).
3. Never attempt to position a floor jack on any part of the vehicle's underbody.
4. Do not attempt to raise one entire side of the vehicle by placing a lack midway between the front and rear wheels. To do so could result in permanent damage to the body.