Operation CHARM: Car repair manuals for everyone.
Manuals through 2025 now available!

Our trusted friends have launched a new website named LEMON, which has newer manuals. It also contains all the CHARM manuals.

LEMON is the spiritual successor to CHARM, I recommend you try it!

Link: lemon-manuals.la or lemon-manuals.org.ua

(Some people have issue connecting. LEMON is investigating. For now, use Firefox or change your DNS server)

Or, hide this message: temporarily or permanently

Component Tests and General Diagnostics

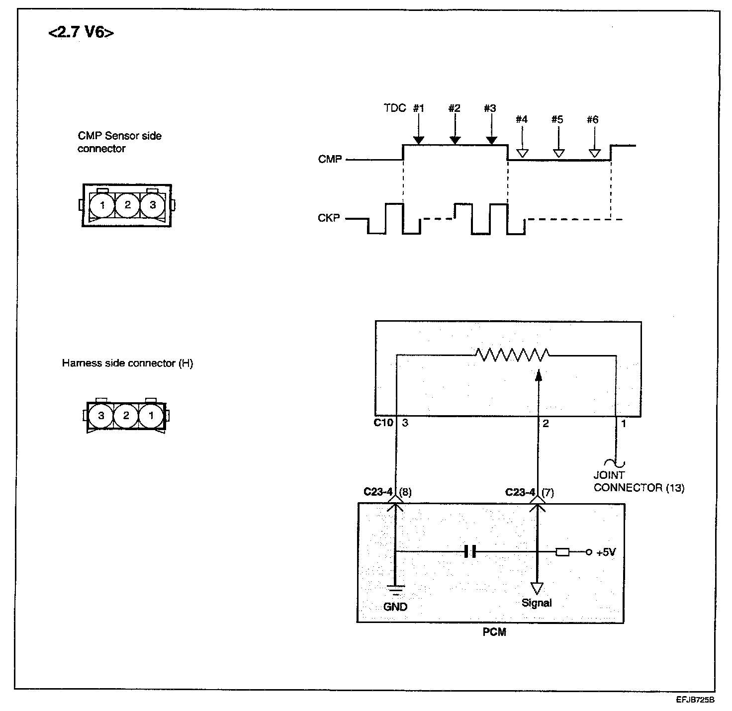
CRANKSHAFT POSITION SENSOR
The crankshaft position sensor is a Hall-effect sensor that senses the crank angle (piston position) of each cylinder and converts it into a pulse signal. Based on the input signal, the PCM computes the engine speed and controls the fuel injection timing and ignition timing.

Circuit Diagram <2.7 V6>:






TROUBLESHOOTING HINTS
1. If unexpected shocks are felt during driving or the engine stalls suddenly, shake the crankshaft position sensor harness If this causes the engine to stall, check for poor sensor connector contact.
2. If the tachometer reads 0 rpm when the engine is cranked, check for faulty crank angle sensor, broken timing belt or ignition system problems.
3. If the engine can be run at idle even if the crank angle sensor reading is out of specification, check the following:
- Faulty engine coolant temperature sensor
- Faulty idle speed control motor
- Poorly adjusted reference idle speed
4. The engine will run without a crank angle sensor signal, but will not start. Once the sensor detects TDC, the data is stored until the next re-start.

Using GST:






Harness Inspection Procedure <2.7 V6>: