Operation CHARM: Car repair manuals for everyone.
Manuals through 2025 now available!

Our trusted friends have launched a new website named LEMON, which has newer manuals. It also contains all the CHARM manuals.

LEMON is the spiritual successor to CHARM, I recommend you try it!

Link: lemon-manuals.la or lemon-manuals.org.ua

(Some people have issue connecting. LEMON is investigating. For now, use Firefox or change your DNS server)

Or, hide this message: temporarily or permanently

Timer/Control Unit, Accessory Control

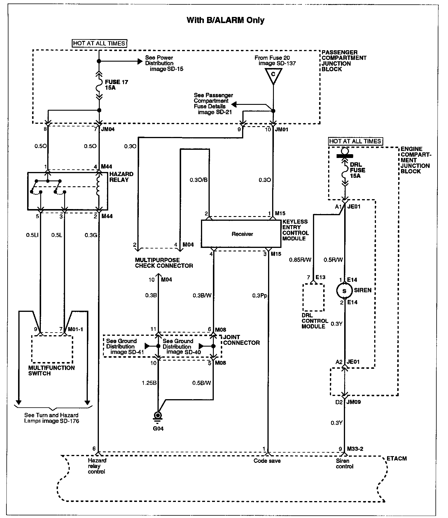
Image SD-132 - ETACS (Electronic Time & Alarm Control System) (1):



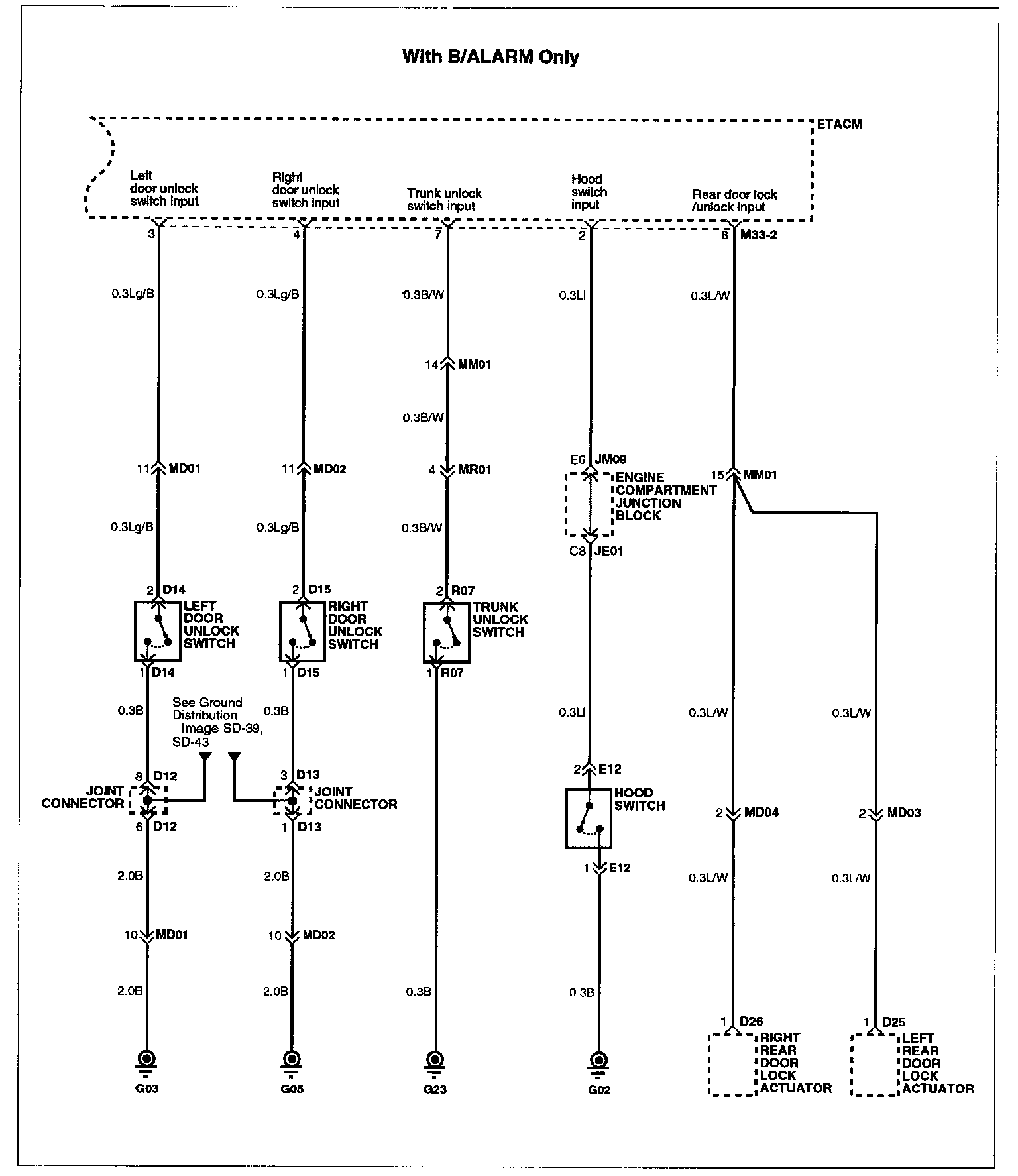
Image SD-133 - ETACS (Electronic Time & Alarm Control System) (2):



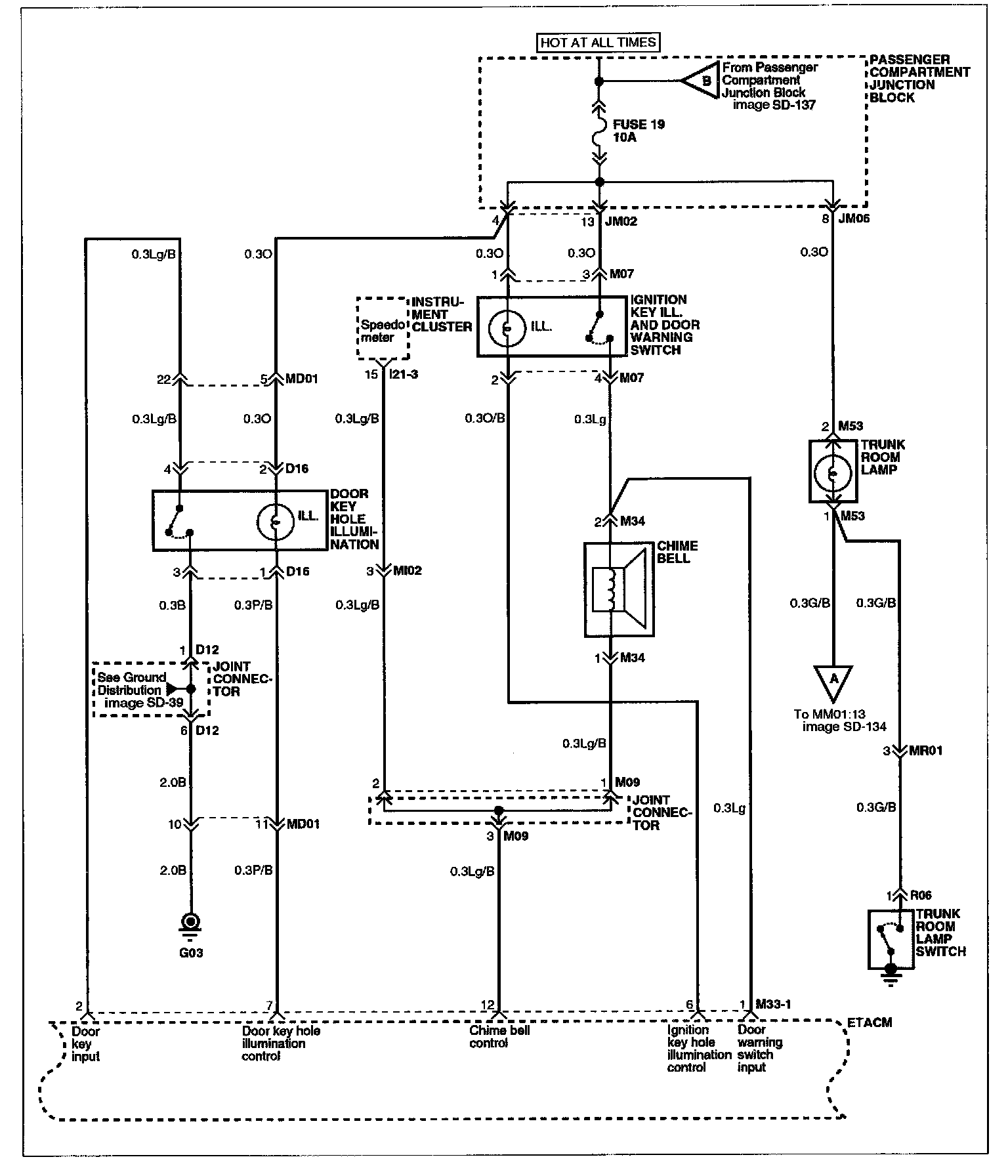
Image SD-134 - ETACS (Electronic Time & Alarm Control System) (3):



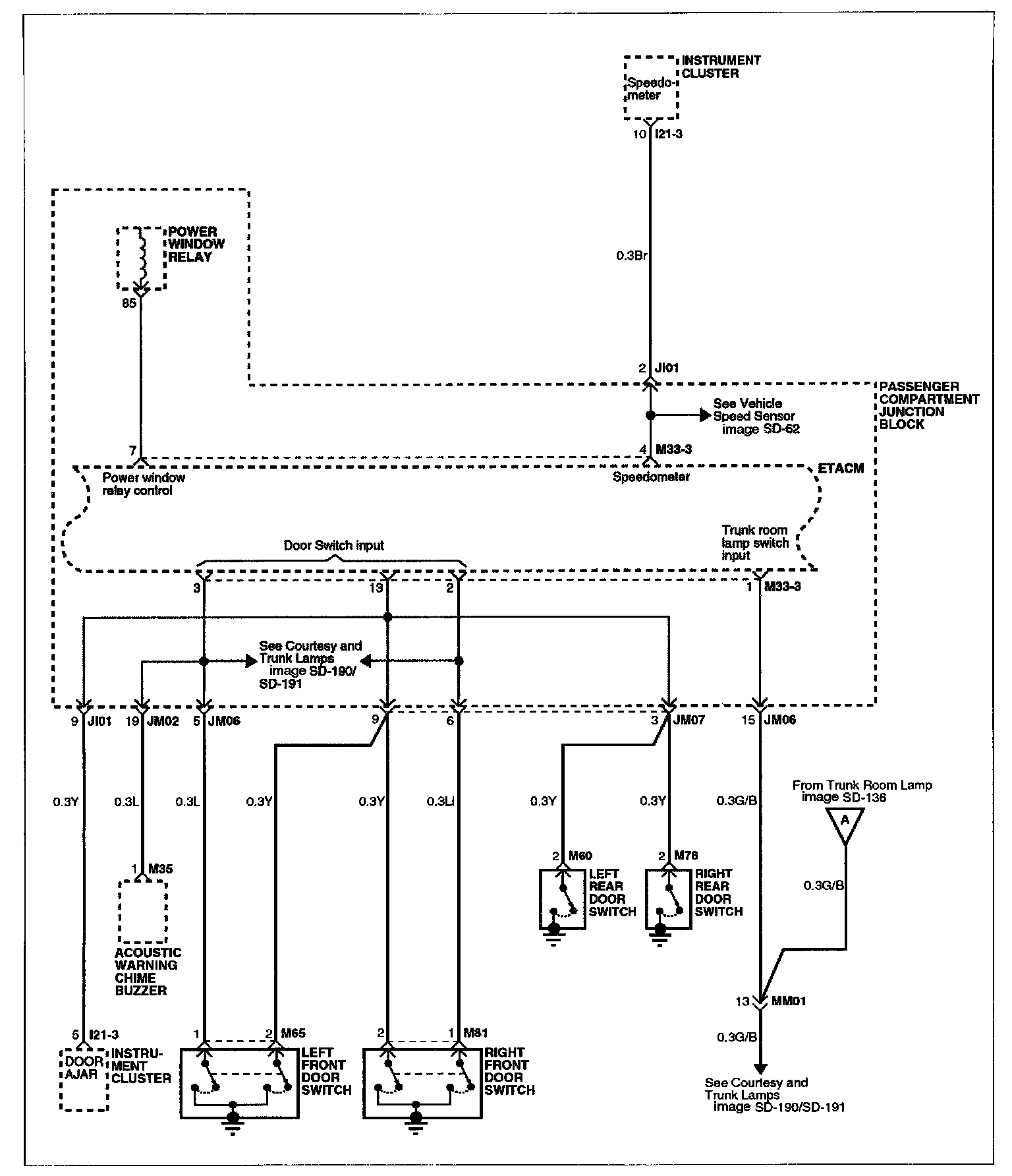
Image SD-135 - ETACS (Electronic Time & Alarm Control System) (4):



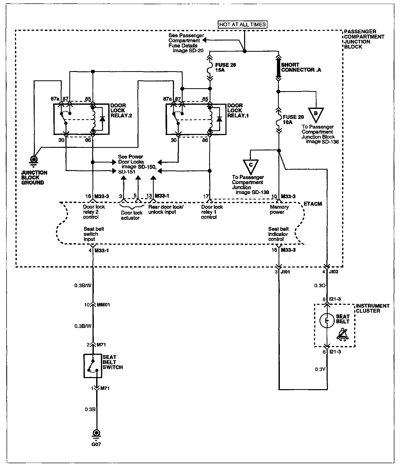
Image SD-136 - ETACS (Electronic Time & Alarm Control System) (5):



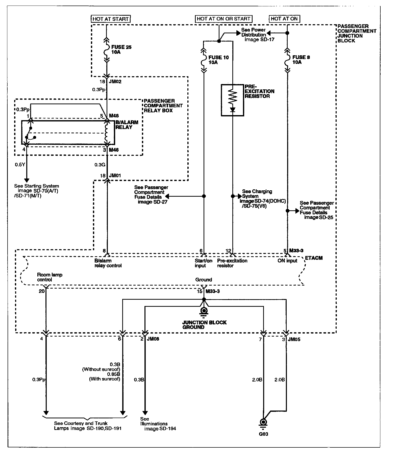
Image SD-137 - ETACS (Electronic Time & Alarm Control System) (6):



Image SD-138 - ETACS (Electronic Time & Alarm Control System) (7):



Image SD-139 - ETACS (Electronic Time & Alarm Control System) (8):