Operation CHARM: Car repair manuals for everyone.
Manuals through 2025 now available!

Our trusted friends have launched a new website named LEMON, which has newer manuals. It also contains all the CHARM manuals.

LEMON is the spiritual successor to CHARM, I recommend you try it!

Link: lemon-manuals.la or lemon-manuals.org.ua

(Some people have issue connecting. LEMON is investigating. For now, use Firefox or change your DNS server)

Or, hide this message: temporarily or permanently

Oxygen Sensor: Testing and Inspection

HEATED OXYGEN SENSOR (HO2S)
The heated oxygen sensor senses the oxygen concentration in exhaust gas and converts it into a voltage which is sent to the PCM. For Zirconium type sensors, the oxygen sensor outputs about 1 V when the air fuel ratio is richer than the theoretical ratio, and outputs about 0 V when the ratio is leaner (higher oxygen concentration in exhaust gas.). The PCM controls the fuel injection ratio based on this signal so that the air fuel ratio is maintained at the stoichiometric ratio. The oxygen sensor has a heating element which ensures sensor performance during all driving conditions.

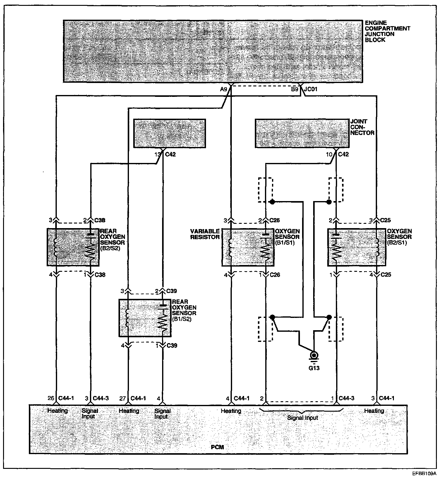
Circuit Diagram:






1. If the HO2S is defective, abnormally high emissions may occur.




2. If the HO2S check results are normal, but the sensor output voltage is out of specification, check for the following items (related to air fuel ratio control system):
- Defective injector
- Air leaks in the intake manifold
- Defective volume air flow sensor, intake air temperature sensor, barometric pressure sensor and engine coolant temperature sensor.

INSPECTION

NOTE:
- Before checking, warm up the engine until the engine coolant temperature reaches 80 to 95 °C (176 to 205 °F)
- Use an accurate digital voltmeter.

1. Disconnect the oxygen sensor connector, and measure the resistance between terminal 3 and terminal 4.




Standard value

2. Replace the oxygen sensor if there is a malfunction.
3. Apply battery voltage directly between terminal 3 and terminal 4.

NOTE: Be careful when applying the voltage. Damage will result if terminals 1 and 2 are connected to any voltage.




4. Connect a high-impedance digital-type voltmeter between terminal 1 and terminal 2.










5. While repeatedly racing the engine, measure the oxygen sensor output voltage.




6. If there is a problem, there may be an oxygen sensor malfunction.

Tightening torque
Heated oxygen sensor: 40 - 50 Nm (400 - 500 kg.cm, 29 - 36 lb.ft)

Harness Inspection Procedures: