Operation CHARM: Car repair manuals for everyone.
Manuals through 2025 now available!

Our trusted friends have launched a new website named LEMON, which has newer manuals. It also contains all the CHARM manuals.

LEMON is the spiritual successor to CHARM, I recommend you try it!

Link: lemon-manuals.la or lemon-manuals.org.ua

(Some people have issue connecting. LEMON is investigating. For now, use Firefox or change your DNS server)

Or, hide this message: temporarily or permanently

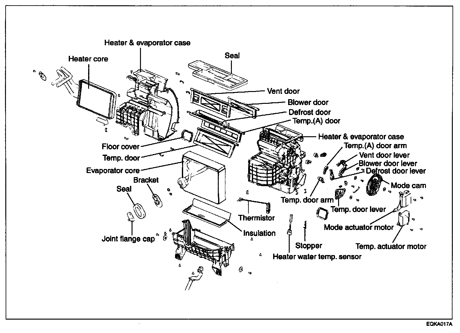
Heater Core Case: Service and Repair

Heater Unit:




REMOVAL
1. Disconnect the negative (-) battery terminal.







2. Disconnect the wire connectors from the front seats and then remove the front seats.

CAUTION: Take care not to scratch the trim when removing the front seats.




3. After removal of the shifter knob, remove the floor console upper cover with a flat-bladed screwdriver.




4. Remove the screws holding the floor console assembly and then pull the floor console out.




5. Remove the floor console side cover.




6. Remove the air bag module.

CAUTION: For instructions on the removal of the air bag module and clock spring, refer to Restraints System.




7. Remove the steering wheel.




8. Remove the screws holding the steering column lower shroud and then remove it.




9. Remove the clock spring.




10. Disconnect and remove the multifunction switch.




11. Remove the screws holding the instrument facia panel.




12. Remove the ash tray, then remove the screws holding the instrument facia panel and remove it.
13. Disconnect the connectors from the instrument facia panel.




14. Remove the instrument cluster.




15. Remove the audio and the air conditioner.




16. Remove the bolts holding the lower crash pad panel.




17. Remove the screws holding the lower crash pad panel and remove it.




18. Remove the driver side support panel.




19. Remove the bolts holding the steering column and pull the steering column down.




20. Remove the front door scuff trim and cowl side trim.










21. Disconnect the wire connectors from the main crash pad.




22. Remove the defogger nozzle upper cover and then remove the bolts holding the main crash pad.




23. Remove the side cover from the lower crash pad and then remove the bolts holding the main crash pad.







24. Remove the bolts holding the main crash pad from the center support bracket and the glove box.




25. Remove the bolts holding the main crash pad.




26. Remove the main crash pad.
27. Loosen the evaporator mounting nut.
28. Remove the evaporator assembly.
29. Loosen the cowl cross member mounting nut and remove the member.
30. Loosen the heater mounting nut.
31. Remove the heater assembly.

INSTALLATION
Installation is the reverse of removal.