Operation CHARM: Car repair manuals for everyone.
Manuals through 2025 now available!

Our trusted friends have launched a new website named LEMON, which has newer manuals. It also contains all the CHARM manuals.

LEMON is the spiritual successor to CHARM, I recommend you try it!

Link: lemon-manuals.la or lemon-manuals.org.ua

(Some people have issue connecting. LEMON is investigating. For now, use Firefox or change your DNS server)

Or, hide this message: temporarily or permanently

Crankshaft Position Sensor: Testing and Inspection




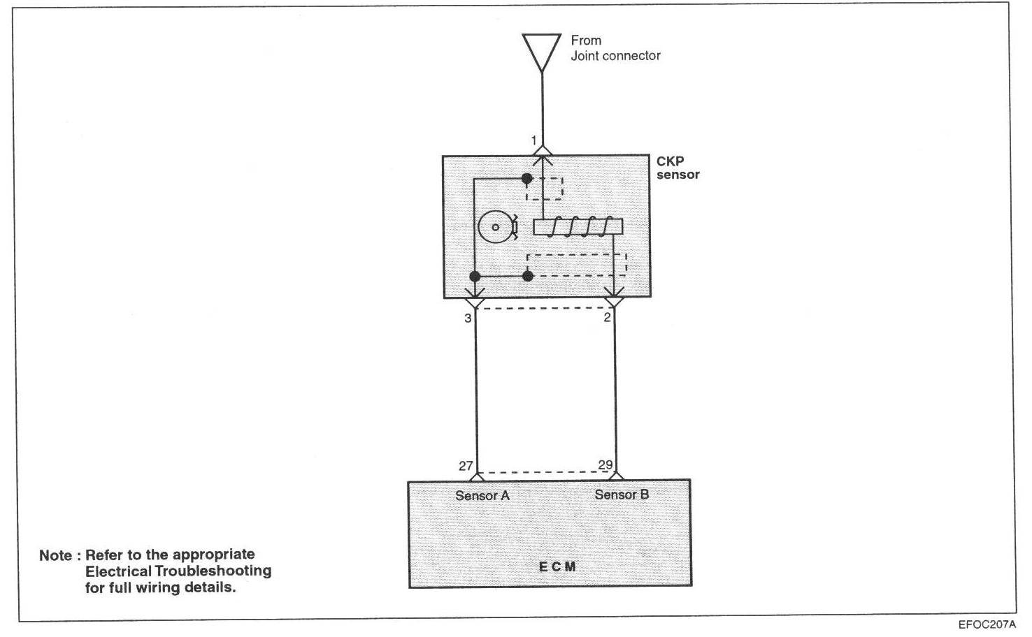
CRANKSHAFT POSITION SENSOR (CKP SENSOR)
The crankshaft position sensor, consisted of a magnet and coil, is located next to flywheel. The voltage signal from this crankshaft position sensor is relayed to the ECM to indicate engine RPM and the position of the crankshaft.

Circuit Diagram:






Harness Inspection Procedures: