Operation CHARM: Car repair manuals for everyone.
Manuals through 2025 now available!

Our trusted friends have launched a new website named LEMON, which has newer manuals. It also contains all the CHARM manuals.

LEMON is the spiritual successor to CHARM, I recommend you try it!

Link: lemon-manuals.la or lemon-manuals.org.ua

(Some people have issue connecting. LEMON is investigating. For now, use Firefox or change your DNS server)

Or, hide this message: temporarily or permanently

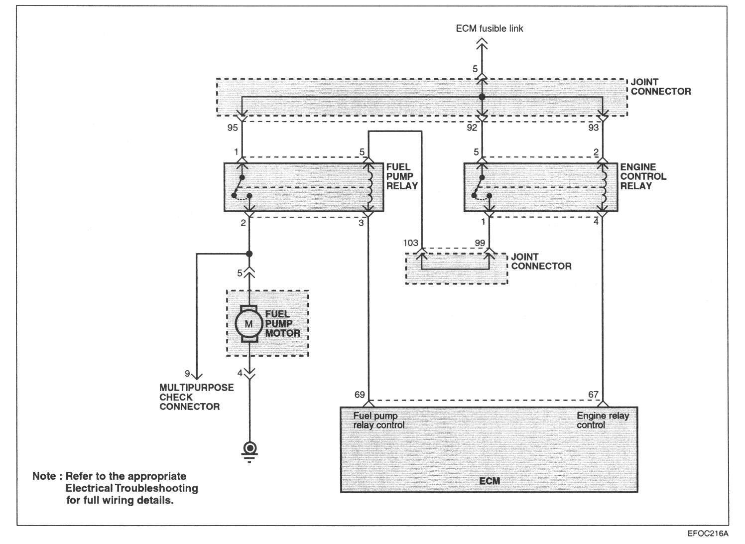
Main Relay (Computer/Fuel System): Testing and Inspection

MFI CONTROL RELAY
When the ignition switch is on, battery power is supplied to the ECM, the injectors, the mass air flow sensor, etc. While the ignition switch is turned on, current flows from the ignition switch through the current relay coil to ground.


Circuit Diagram:






Harness Inspection Procedures:






MFI CONTROL RELAY INSPECTION




1. Check the continuity of relay contacts between terminals 5(+) and 1(-).







2. If faulty, replace the MFI control relay.