Operation CHARM: Car repair manuals for everyone.
Manuals through 2025 now available!

Our trusted friends have launched a new website named LEMON, which has newer manuals. It also contains all the CHARM manuals.

LEMON is the spiritual successor to CHARM, I recommend you try it!

Link: lemon-manuals.la or lemon-manuals.org.ua

(Some people have issue connecting. LEMON is investigating. For now, use Firefox or change your DNS server)

Or, hide this message: temporarily or permanently

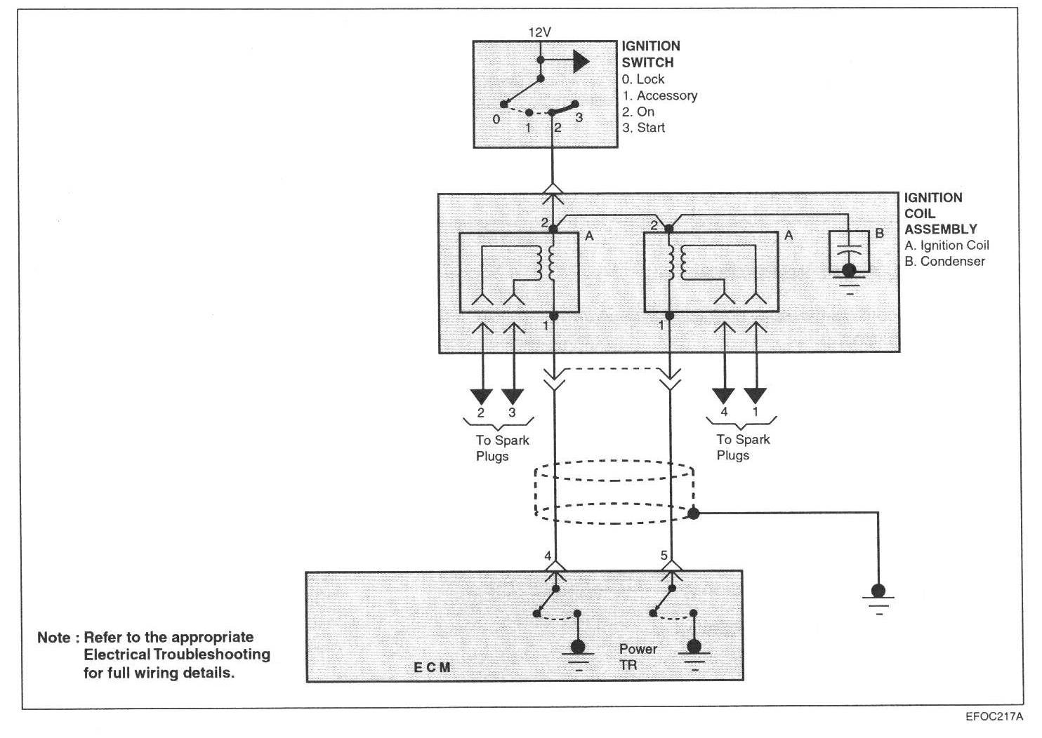
Ignition Coil Pack: Testing and Inspection




IGNITION COIL
When the ignition power transistor is turned ON by a signal from the ECM, the ECM sends a signal to the ignition coil, then the primary current is shut off and a high voltage is induced in the secondary coil.

Circuit Diagram:






Harness Inspection Procedures: