Timer/Control Unit: Testing and Inspection
INSPECTIONWhile operating the components, check whether the operations are normal with timing chart.
ETACS FUNCTION
1. Variable intermittent wiper
Time specification
T1 : Max. 0.3 sec.
T2 : 0.6 - 0.8 sec. (Time of wiper motor 1 rotation)
T3 : Intermittent time
Min. 2.2 ± 0.2 sec. (at VR = 0 kohm)
Max. 10 ± 1 sec. (at VR = 50 kohm)
2. Washer
a. Time specification
T1 : 0.6 sec.
T2 : 2.5 - 3.8 sec.
b. This function should be operated preferentially even though the variable intermittent wiper is operating.
3. Wiper mist
Time specification
T1 : 0.2 - 0.6 sec.
T2 : 0.7 ± 0.1 sec.
4. Rear window defogger
Time specification
T1 : 60 msec
T2 : 20 ± 1 min.
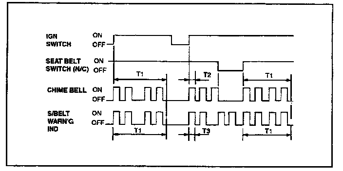
5. Seat belt warning
Time specification
T1 : 6 ± 1 sec.
T2 : 0.45 ± 0.1 sec.
T3 : 0.3 ± 0.1 sec.
6. Ignition key hole illumination
Time specification
T1 : 10 ± 1 sec.
T2 : 0 - 10 sec.
7. Delayed out room lamp
Time specification
T1 : 5.5 ± 0.5 sec.
T2 : 30 sec.
8. Door warning
Time specification
T1, T2 : 0.45 ± 0.1 sec.
9. Ignition key reminder
Time specification
T1 : 1 sec.
T2 : 0.5 sec.
T3 : Max. 0.5 sec.
10. Tail lamp auto cut
11. Power window timer
Time specification
T1 : 30 ± 3 sec.
12. Central door lock/unlock
Time specification
T1: 0.5 ± 0.1 sec.
13. Trunk room lamp
Time specification
T1 : 10 ± 1 min.
INSPECTION
While operating the components, check whether the operations are normal with timing chart.
TACS FUNCTION
1. Variable intermittent wiper
Time Specifications
T1 : Max. 0.3 sec.
T2 : 0.6 - 0.8 sec. (Time of wiper motor 1 rotation)
T3 : Intermittent time
Min. 2.2 ± 0.2 sec. (at VR = 0 kohm)
Max. 10 ± 1 sec. (at VR = 50 kohm)
2. Washer
a. Time specification
T1 : 0.6 sec.
T2 : 2.5 - 3.8 sec.
b. This function should be operated preferentially even though the variable intermittent wiper is operating.
3. Wiper mist
Time specification
T1 : 0.2 - 0.6 sec.
T2 : 0.7 ± 0.1 sec.
4. Rear window defogger
Time specification
T1 : 60 msec
T2 : 20 ± 1 min.
5. Seat belt warning
Time specification
T1 : 6 ± 1 sec.
T2 : 0.45 ± 0.1 sec.
T3 : 0.3 ± 0.1 sec.
6. Door warning
Time specification
T1, T2 : 0.45 ± 0.1 sec.
7. Tail lamp auto cut
8. Trunk room lamp
Time specification
T1 :10 ± 1 min.