Operation CHARM: Car repair manuals for everyone.
Manuals through 2025 now available!

Our trusted friends have launched a new website named LEMON, which has newer manuals. It also contains all the CHARM manuals.

LEMON is the spiritual successor to CHARM, I recommend you try it!

Link: lemon-manuals.la or lemon-manuals.org.ua

(Some people have issue connecting. LEMON is investigating. For now, use Firefox or change your DNS server)

Or, hide this message: temporarily or permanently

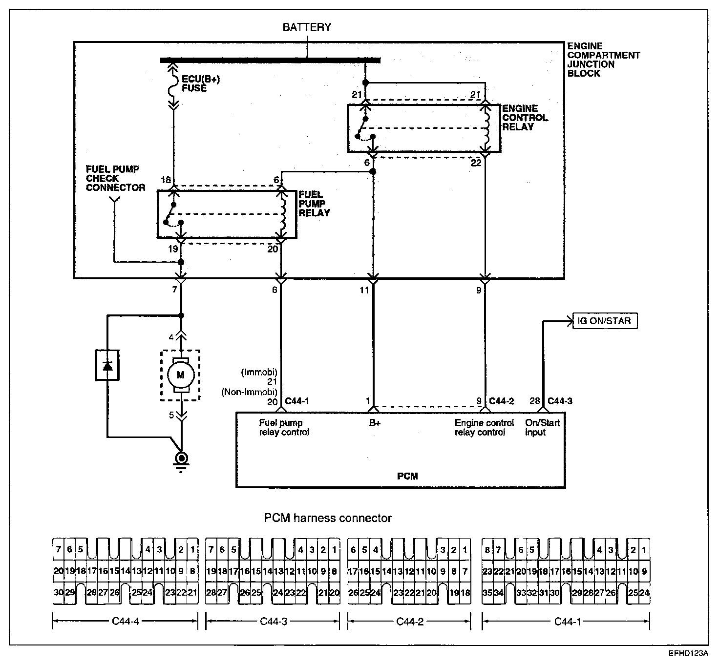
Main Relay (Computer/Fuel System): Description and Operation

ENGINE CONTROL MODULE (ECM) CONTROL RELAY




When the ignition switch is turned on, battery voltage is applied from the ignition switch to the PCM, turning ON the ignition power transistor and energizing the MFI control relay coil. This turns ON the MFI control relay switch, and supplies power from the battery to the PCM through the MFI control relay switch.

Circuit Diagram: