Operation CHARM: Car repair manuals for everyone.
Manuals through 2025 now available!

Our trusted friends have launched a new website named LEMON, which has newer manuals. It also contains all the CHARM manuals.

LEMON is the spiritual successor to CHARM, I recommend you try it!

Link: lemon-manuals.la or lemon-manuals.org.ua

(Some people have issue connecting. LEMON is investigating. For now, use Firefox or change your DNS server)

Or, hide this message: temporarily or permanently

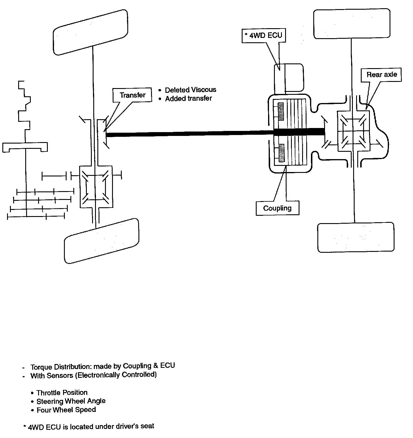
Coupling Assembly

COUPLING ASSEMBLY





SYSTEM SCHEMATICS

SYSTEM OPERATION





^ Normal driving situation (2WD)
^ 4WD driving in driving situation (rapid activation, cornering etc.)





SECTIONAL VIEW

POWER FLOW MECHANISM
^ Normal driving situation: 2WD base driving
^ 4WD driving in driving situations (rapid activation, cornering etc.)

1. Inputted the informations from each sensors in vehicle
^ Input torque (Throttle position sensor)
^ (bordering situation (Steering angle sensor)
^ Vehicle speed and different wheel speed front & rear (Wheel speed sensor)
^ Braking situation (Brake signal and ABS signal)
2. Distributed the required driving force after 4WD ECU operates.





3. Electric Magnetic Clutch (EMC) operates the primary clutch.





4. Control the cam's opening gap by operation of primary clutch.





5. Control the slip of inner & outer plate. Control variably the driving force distribution to optimize front & rear driving force.