Operation CHARM: Car repair manuals for everyone.
Manuals through 2025 now available!

Our trusted friends have launched a new website named LEMON, which has newer manuals. It also contains all the CHARM manuals.

LEMON is the spiritual successor to CHARM, I recommend you try it!

Link: lemon-manuals.la or lemon-manuals.org.ua

(Some people have issue connecting. LEMON is investigating. For now, use Firefox or change your DNS server)

Or, hide this message: temporarily or permanently

Cylinder Head Assembly: Service and Repair

Part 1:




Part 2:






DISASSEMBLY





1. Using remove the cylinder head bolts in the order shown in the illustration.





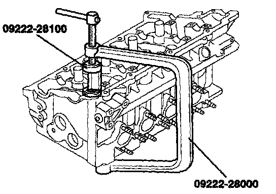
2. Using the special tool (09222-28000, 09222-28100), remove the valve spring retainer lock. Next remove the spring retainer, valve spring, spring seat and valve.

NOTE: Arrange these parts so that they can be reinstalled in their original positions.

3. Remove the valve stem seals with pliers.

NOTE: Do not reuse the valve stem seal.

INSPECTION
1. Check the cylinder head for crack, damage and coolant leakage. If cracked replace the cylinder head.





2. Remove scale, sealing compound and carbon deposits completely. After cleaning the oil passages, apply compressed air to verify that the passages are not clogged.
3. Check the cylinder head surface for flatness in the direction as shown in the illustration. If flatness exceeds the service limit in any direction, either replace the cylinder head or machine the cylinder head matching surface lightly.
Flatness of cylinder head gasket surface
Standard: Less than 0.03 mm (0.012 in.)
Limit: 0.06 mm (0.0024 in.)

VALVES





1. Using a wire brush, clean the valve thoroughly.
2. Check each valve for wear, damage and distortion of the head and the stem. Replace if necessary. If stem end, hollowed out or worn, resurface as necessary. This correction must be limited to a minimum. Also resurface the valve face.
Replace the valve if the margin has decreased to less than the service limit.
Margin
[Standard]
Intake: 1.15 mm (0.0453 in.)
Exhaust: 1.35 mm (0.0531 in.)
[Limit]
Intake: 0.8 mm (0.0315 inch
Exhaust: 1.0 mm (0.040 in.)

VALVE SPRING
1. Check the free height of each valve spring. If they exceed the service limit, replace the springs.








2. Using a square, test the squareness of each spring. If a spring is excessively out-of-square, replace it.
Valve spring
[Standard]
Free height: 48.86 mm (1.9236 in.)
Load: 18.3 kgf/39 mm (40.0 kgf/30.5 mm)
Out-of-square: 1.5° or less
[Limit]
Free height: -1.0 mm (-0.0394 in.)
Out-of-square:

VALVE GUIDE








Check the valve stem-to-guide clearance. If the clearance exceeds the service limit, replace the replace the valve guide.
Valve stem-to-guide clearance
[Standard]
Intake: 0.02 - 0.05 mm (0.0008 - 0.0020 in.)
Exhaust: 0.035 - 0.065 mm (0.0014 - 0.0026 in.)
[Limit]
Intake: 0.1 mm (0.0040 in.)
Exhaust: 0.13 mm (0.0051 in.)

REPLACING THE VALVE SEAT RING





1. Cut away the inner face of the valve seat to reduce the wall thickness.
2. Enlarge the diameter of the valve seat so that it matches the specified oversize hole diameter of the new valve seat ring.
3. Heat the cylinder head to about 250 °C (480 °F) and press-fit an oversize seat ring for the bore in the cylinder head.
4. Using lapping compound, lap the valve to the new seat.
Valve seat contact width
Intake: 1.1 - 1.5 mm (0.0433 - 0.0590 in.)
Exhaust: 1.3 - 1.7 mm (0.0512 - 0.0670 in.)





VALVE SEAT INSERT OVERSIZES

REPLACING VALVE GUIDE
1. Using the special tool (09221-3F100 A/B), with draw the old valve guide toward the bottom of cylinder head.





2. Recondition the valve guide hole so that it can match the newly press-fitted oversize valve guide.





3. Using the special tool (09221-3F100 A/B), press-fit the valve guide. The valve guide must be press - fitted from the upper side of the cylinder head. Keep in mind that the intake and exhaust valve guides are different in length.





NOTE: Do not install a valve guide unless it is oversize.

4. After the valve guide is press-fitted, insert a new valve and check for proper stem-to-guide clearance.
5. After the valve guide is replaced, check that the valve is seated properly. Recondition the valve seats as necessary.





VALVE GUIDE OVERSIZES

REASSEMBLY

NOTE:
1. Clean each part before assembly.
2. Apply engine oil to the sliding and rotating parts.

1. Install the spring seats. Using a special tool (09222-22001), tap the seal in position lightly.

NOTE:
^ Do not reuse old valve stem seals.
^ Incorrect installation of the seal could result in oil leakage past the valve guides.





2. Apply engine oil to each valve. Insert the valve into the valve guide. Avoid pushing the valve into the seal by force. After inserting the valve, check that it moves smoothly.





3. Place valve springs so that the side coated with enamel faces toward the valve spring retainer and then install the retainer.





4. Using the special tool (09222-28000, 09222-28100), compress the spring and install the retainer locks. After install the valves, ensure that the retainer locks are correctly in place before releasing the valve spring compressor.

NOTE: When the spring is compressed, check that the valve stem seal is not pressed against the bottom of the retainer.

5. Clean both gasket surfaces of the cylinder block and cylinder head.
6. Verify the identification marks on the cylinder head gasket.
7. Install the gasket so that the surface with the identification mark faces toward the cylinder head.





8. Tighten the bolts to the specified torque in the sequence shown below.
Cylinder head bolt
M10: 25 Nm (18 ft. lbs.) + (60 - 65°) + (60 - 65°)
M12: 30 Nm (22 ft. lbs.) + (60 - 65°) + (60 - 65°)