Operation CHARM: Car repair manuals for everyone.
Manuals through 2025 now available!

Our trusted friends have launched a new website named LEMON, which has newer manuals. It also contains all the CHARM manuals.

LEMON is the spiritual successor to CHARM, I recommend you try it!

Link: lemon-manuals.la or lemon-manuals.org.ua

(Some people have issue connecting. LEMON is investigating. For now, use Firefox or change your DNS server)

Or, hide this message: temporarily or permanently

Removal and Installation

ENGINE AND TRANSAXLE ASSEMBLY
REMOVAL

CAUTION:
^ Use fender covers to avoid damaging painted surfaces.
^ To avoid damage, unplug the wiring connectors carefully while holding the connector portion.

NOTE:
^ Mark all wiring and hoses to avoid misconnection.
^ Inspection the timing belt before removing the cylinder head.
^ Sum the crankshaft pulley so that the No. 1 piston is at top dead center.





1. Disconnect the negative terminal from the battery.





2. Remove the engine cover.
3. Drain the engine coolant. Remove the radiator cap to speed draining.
4. Remove the intake air hose and air cleaner assembly.
1. Disconnect the AFS connector.
2. Disconnect the breather hose from air cleaner hose.
3. Remove the intake air hose and air cleaner.





5. Remove the upper radiator hose (A) and lower radiator hose (B).





6. Remove the heater hoses (A).
7. Remove the engine wire harness connectors and wire harness clamps from the cylinder head and the intake manifold.
1. Oil Control Valve (OCV) connector (A).
2. Oil temperature sensor connector (B).
3. Engine Coolant Temperature (ECT) sensor (C) connector.





4. Ignition coil connector (D).
5. Throttle Position Sensor (TPS) connector (A).





6. Idle Speed Actuator (ISA) connector (B).
7. Camshaft Position Sensor (CMP) connector (A).
8. Four fuel injector connectors (B).
9. Knock sensor connector (C).





10. Disconnect ground cable (D) from the intake manifold.





11. Front heated oxygen sensor (A) connector.





12. Purge Control Solenoid Valve (PCSV) (A) connector.





8. Remove the fuel inlet from delivery pipe (A).





9. Remove the PCSV hose (A).





10. Remove the brake booster vacuum hose (A).
11. Remove the accelerator cable by loosening the locknut, then slip the cable end out of the throttle linkage.
12. Remove the power steering pump.





13. Disconnect the inhibitor switch and solenoid valve connector (A).





14. Remove the transaxle range switch connector (A).





15. Remove the vehicle speed sensor connector (A).





16. Remove the control cable transaxle range switch nut (A)





17. Remove the clip (A) of the control cable.





18. Remove the input shaft speed sensor connector (A).





19. Remove the output shaft speed sensor connector (A).





20. Remove the transaxle earth cable (A).





21. Remove the start motor cable mounting bolt (A).
22. Remove the starting motor connector.
23. Remove the alternator connector.
24. Install the SST (09200-38001), the engine support fixture and the adapter, on the engine and transaxle assembly.





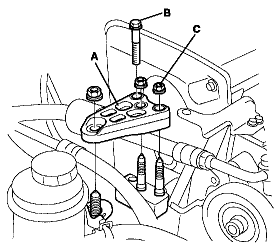
25. Remove the engine mounting bracket (A).





26. Remove the transaxle mounting bracket (A).
27. Remove the front tires.





28. Remove the ABS wheel speed sensor (A).








29. Remove the caliper and hang the caliper assembly (A).





30. Remove the knuckle mounting bolts (A).





31. Remove the power steering return hose (A) and drain the power steering oil.





32. Disconnect the rear oxygen sensor connector (A).





33. Remove the front muffler (A).





34. Remove the steering U-joint mounting bolt (A).








35. Remove the sub frame bolts (A).
36. Remove the engine support fixture and the adapter.
37. Jack up the vehicle.

INSTALLATION
Installation is in the reverse order of removal.
Perform the following:
^ Adjust the shift cable.
^ Adjust the throttle cable.
^ Refill the engine with engine oil.
^ Refill the transaxle with fluid.
^ Refill the radiator with engine coolant.
^ Bleed air form the cooling system with the heater valve open.
^ Clean the bakery posts and cable terminals with sandpaper assemble them, then apply grease to prevent corrosion.
^ Inspect for fuel leakage.
After assembling the fuel line, turn on the ignition switch (do not operate the starter) so that the from pump runs for approximately two seconds and fuel line pressurizes.
Repeat this operation two or three times, then check for fuel leakage at any point in the fuel line.