Operation CHARM: Car repair manuals for everyone.
Manuals through 2025 now available!

Our trusted friends have launched a new website named LEMON, which has newer manuals. It also contains all the CHARM manuals.

LEMON is the spiritual successor to CHARM, I recommend you try it!

Link: lemon-manuals.la or lemon-manuals.org.ua

(Some people have issue connecting. LEMON is investigating. For now, use Firefox or change your DNS server)

Or, hide this message: temporarily or permanently

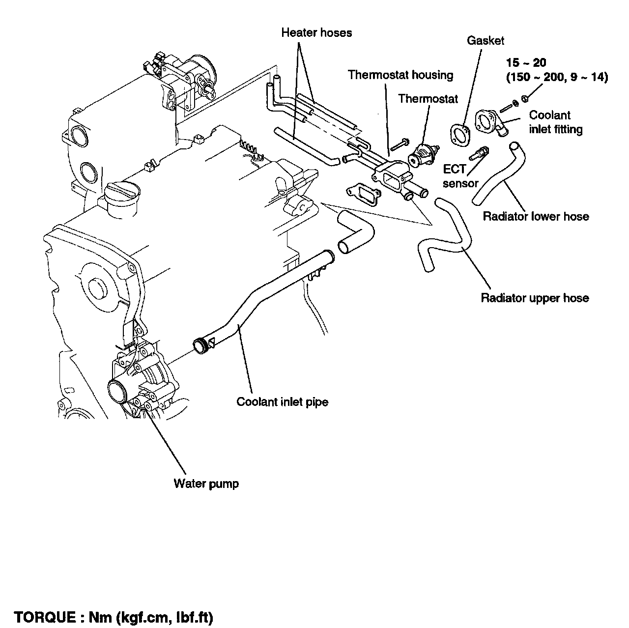
Coolant Line/Hose: Service and Repair






COOLANT HOSE AND PIPE
INSPECTION
Check the coolant pipe and hoses for cracks, damage, or restrictions.
Replace if necessary.

REASSEMBLY





Fit an O-ring in the groove provided at the coolant inlet pipe end, wet the O-ring with coolant and insert the coolant inlet pipe.

NOTE:
^ Do not apply of/or grease to the coolant pipe O-ring.
^ Keep the coolant pipe connections free from sand, dust, etc.
^ Insert the coolant pipe fully into the coolant pump.
^ Do not reuse O-ring. Replace it with a new one.