Operation CHARM: Car repair manuals for everyone.
Manuals through 2025 now available!

Our trusted friends have launched a new website named LEMON, which has newer manuals. It also contains all the CHARM manuals.

LEMON is the spiritual successor to CHARM, I recommend you try it!

Link: lemon-manuals.la or lemon-manuals.org.ua

(Some people have issue connecting. LEMON is investigating. For now, use Firefox or change your DNS server)

Or, hide this message: temporarily or permanently

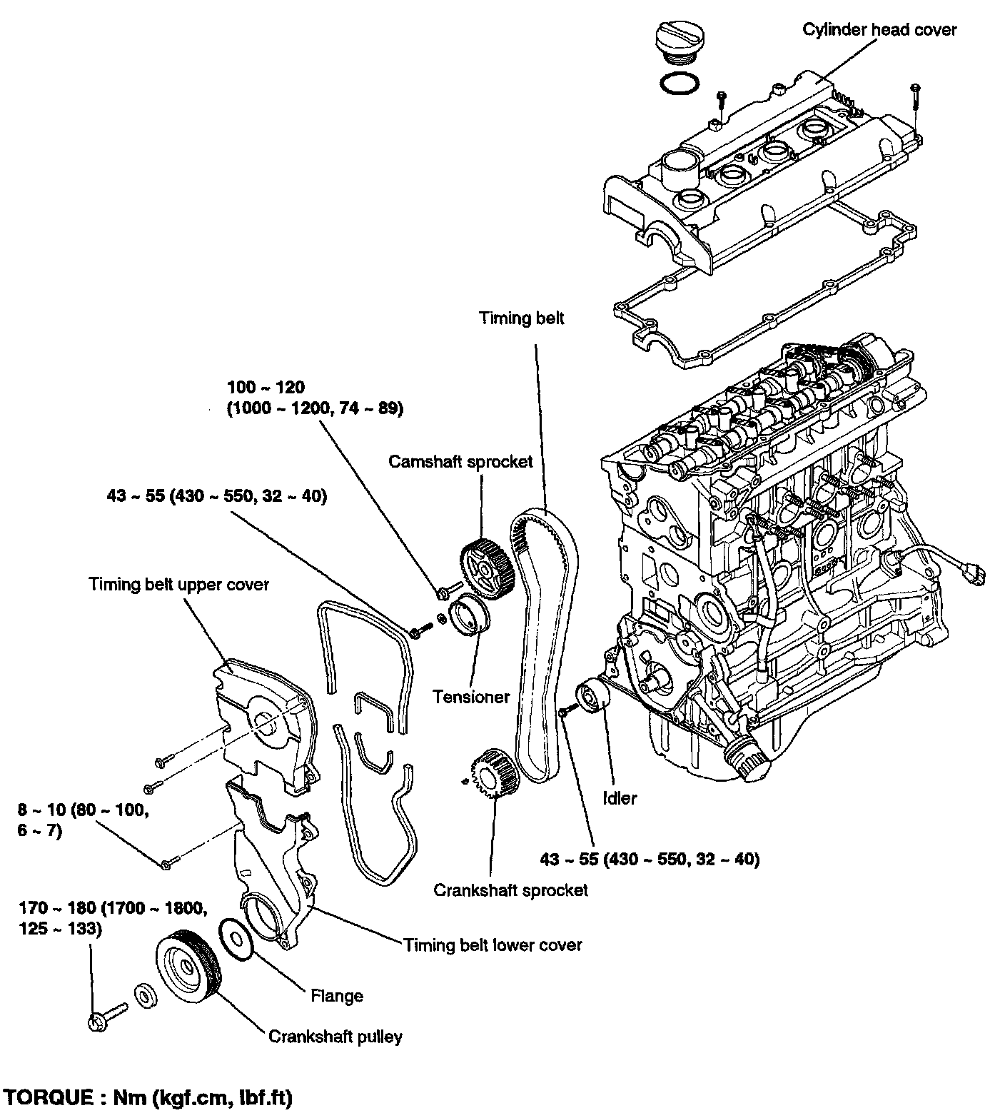
System Specifications





Timing belt tensioner bolts 43 - 55 Nm (31 - 40 ft. lbs.)
Timing belt cover bolts 8 - 10 Nm (6 - 7 ft. lbs.)
Crankshaft pulley bolt 170 - 180 Nm (125 - 133 ft. lbs.)