Operation CHARM: Car repair manuals for everyone.
Manuals through 2025 now available!

Our trusted friends have launched a new website named LEMON, which has newer manuals. It also contains all the CHARM manuals.

LEMON is the spiritual successor to CHARM, I recommend you try it!

Link: lemon-manuals.la or lemon-manuals.org.ua

(Some people have issue connecting. LEMON is investigating. For now, use Firefox or change your DNS server)

Or, hide this message: temporarily or permanently

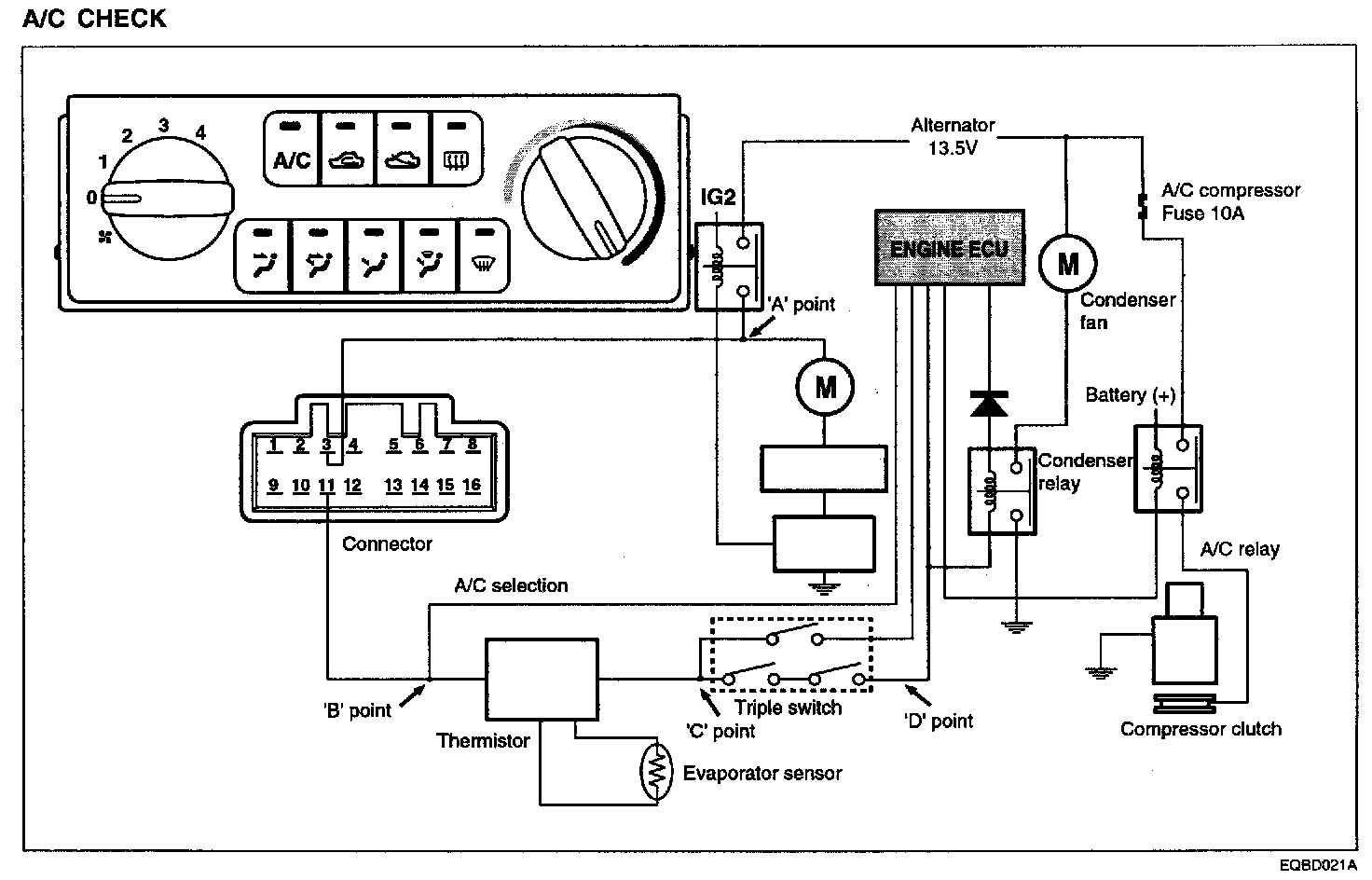
A/C Check




Troubleshooting:




For A/CON output, blower must be basically operated. When blower speed 1 is selected, blower relay is turned ON and voltage is supplied to point "A".

When the supplied voltage at point "A" is entered into control connector pin 3 and at this moment when A/CON switch is turned ON, voltage is supplied to connector pin 11 at 9 V or more.

EVA sensor value determines whether the input power at point "B" is supplied to point "C".

The state of ON/OFF of triple switch determines whether the input power at point "C" is supplied to point "D". Finally when the voltage is supplied to point "D", engine ECU determines whether A/CON and CONDENSER FAN turned ON/OFF.