Operation CHARM: Car repair manuals for everyone.
Manuals through 2025 now available!

Our trusted friends have launched a new website named LEMON, which has newer manuals. It also contains all the CHARM manuals.

LEMON is the spiritual successor to CHARM, I recommend you try it!

Link: lemon-manuals.la or lemon-manuals.org.ua

(Some people have issue connecting. LEMON is investigating. For now, use Firefox or change your DNS server)

Or, hide this message: temporarily or permanently

Accelerator Pedal Position Sensor: Testing and Inspection




ELECTRONIC THROTTLE SYSTEM(ETS) AND ACCEL. POSITION SENSOR (APS)


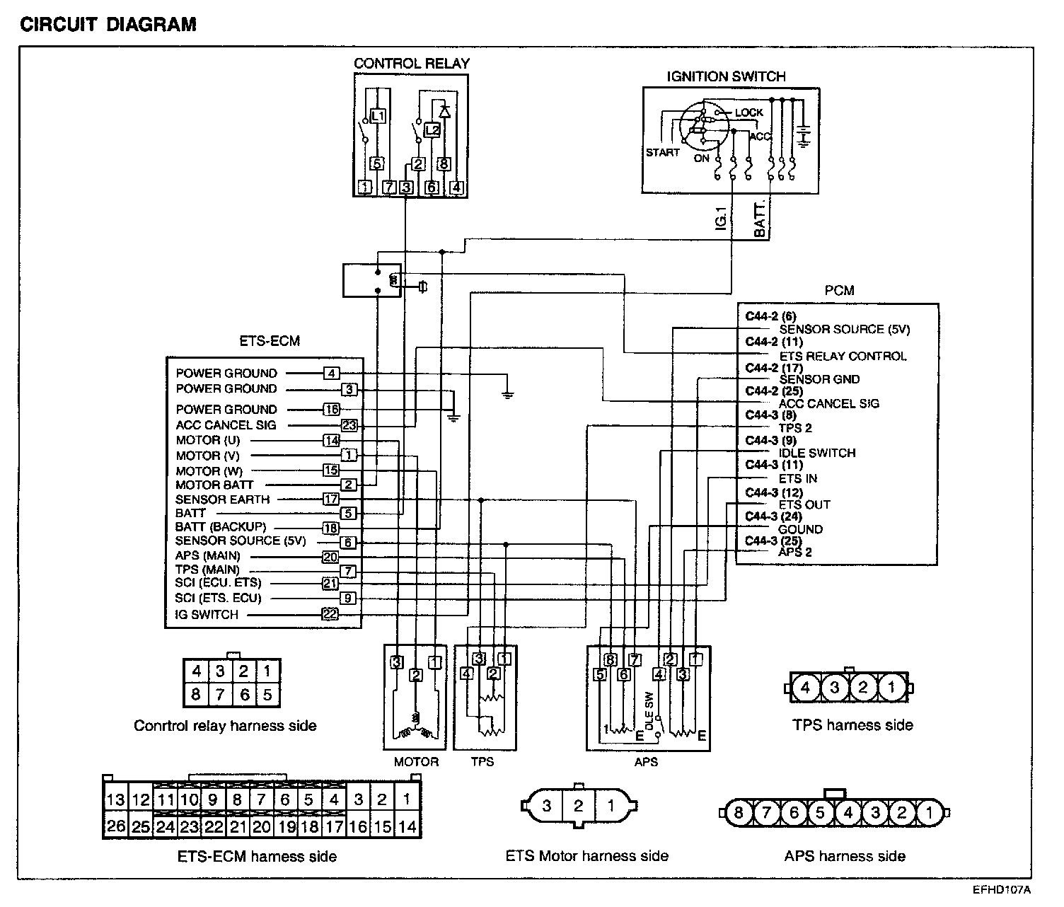
Circuit Diagram:






Harness Inspection Procedures Part 1:






Harness Inspection Procedures Part 2:






Using Hi-Scan:






USING VOLTMETER
1. Disconnect the APS connector.




2. Check the continuity between terminal 4 and sensor ground.




3. If out of specification, replace the throttle position sensor.