Operation CHARM: Car repair manuals for everyone.
Manuals through 2025 now available!

Our trusted friends have launched a new website named LEMON, which has newer manuals. It also contains all the CHARM manuals.

LEMON is the spiritual successor to CHARM, I recommend you try it!

Link: lemon-manuals.la or lemon-manuals.org.ua

(Some people have issue connecting. LEMON is investigating. For now, use Firefox or change your DNS server)

Or, hide this message: temporarily or permanently

Throttle Position Sensor: Testing and Inspection




THROTTLE POSITION (TP) SENSOR
The TPS is a variable resistor type that rotates with the throttle shaft to sense the throttle valve angle. As the throttle shaft rotates, the output voltage of the TPS changes. The PCM detects the throttle valve opening based on this voltage change.

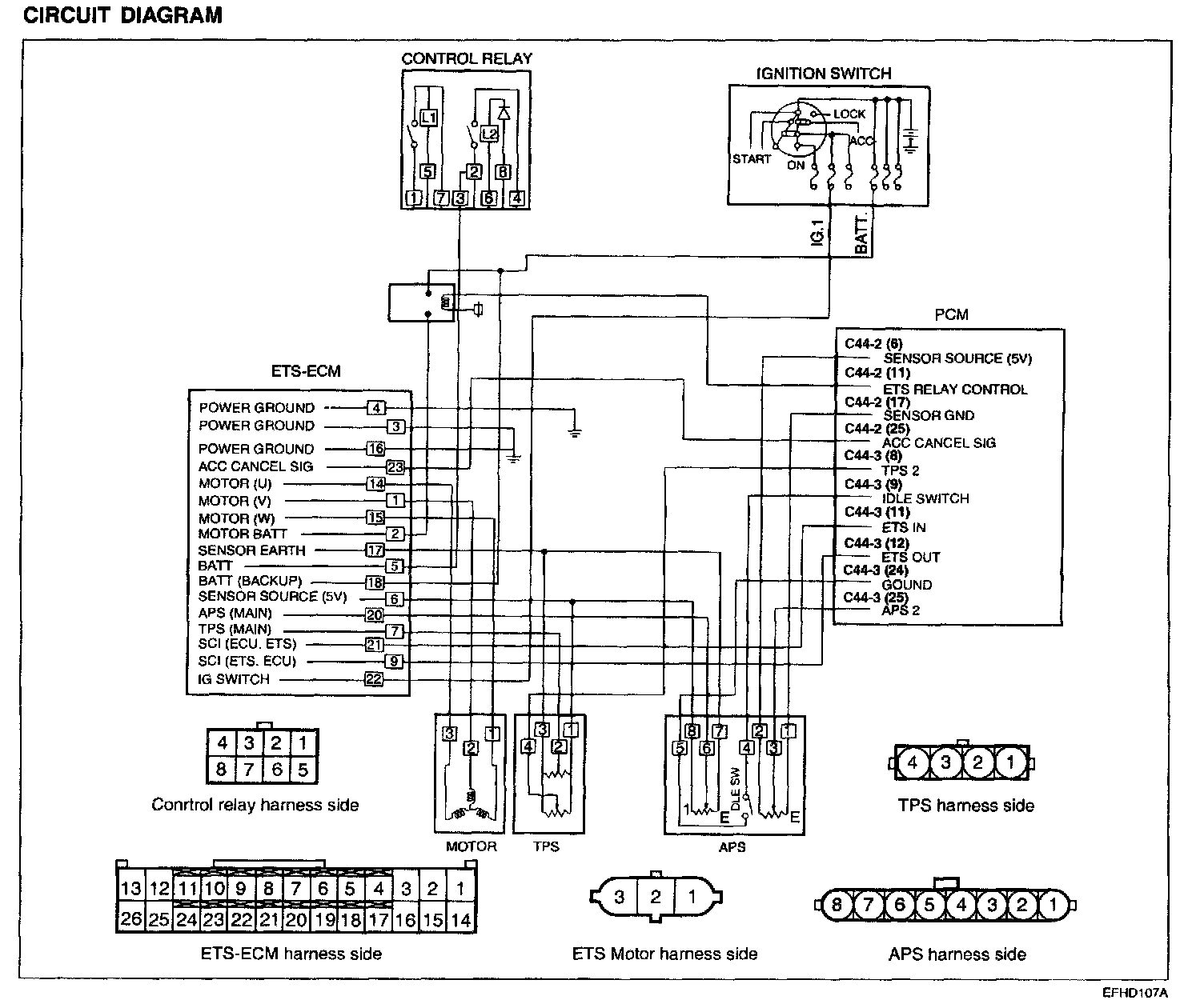
Circuit Diagram:






Harness Inspection Procedures:






TROUBLESHOOTING HINTS
The TPS signal is important in the control of the automatic transaxle. Shift shock and other trouble will occur if the sensor is faulty.


Using Hi-Scan:






USING VOLTMETER
1. Disconnect the throttle position sensor connector.
2. Measure resistance between terminal 3 (sensor ground) and terminal 1 (sensor power).
Standard value :3.5 - 6.5 k Ohms


3. Connect a pointer type ohmmeter between terminal 3 (sensor ground) and terminal 2 (sensor output).
4. Operate the throttle valve slowly from the idle position to the full open position and check that the resistance changes smoothly in proportion with the throttle valve opening angle.




5. If the resistance is out of specification, or fails to change smoothly, replace the throttle position sensor.

Tightening torque
TP Sensor: 1.5-2.5 Nm (15 - 25 kg.cm, 1.1- 1.8 lb.ft)

INSPECTION




1. Connect a HI-SCAN (PRO) to the data link connector.

NOTE: Before inspecting the TPS, verify the basic idle speed is as specified.




2. If a HI-SCAN (PRO) is not used, connect a digital type voltmeter between ground and TPS output terminal.
3. Turn the ignition switch to the ON position(do not start engine) and check that TPS output voltage is as specified. If a HI-SCAN (PRO) is used, read the TPS voltage.
Standard value (ETS vehicle): 300 - 900 mV




4. If it is out of specification, loosen TPS mounting screws and adjust by turning the TPS.

NOTE:
- Turning the TP Sensor clockwise increases the output voltage.
- Tighten the screws securely after adjustment.

5. Turn the ignition switch to the OFF position.