Operation CHARM: Car repair manuals for everyone.
Manuals through 2025 now available!

Our trusted friends have launched a new website named LEMON, which has newer manuals. It also contains all the CHARM manuals.

LEMON is the spiritual successor to CHARM, I recommend you try it!

Link: lemon-manuals.la or lemon-manuals.org.ua

(Some people have issue connecting. LEMON is investigating. For now, use Firefox or change your DNS server)

Or, hide this message: temporarily or permanently

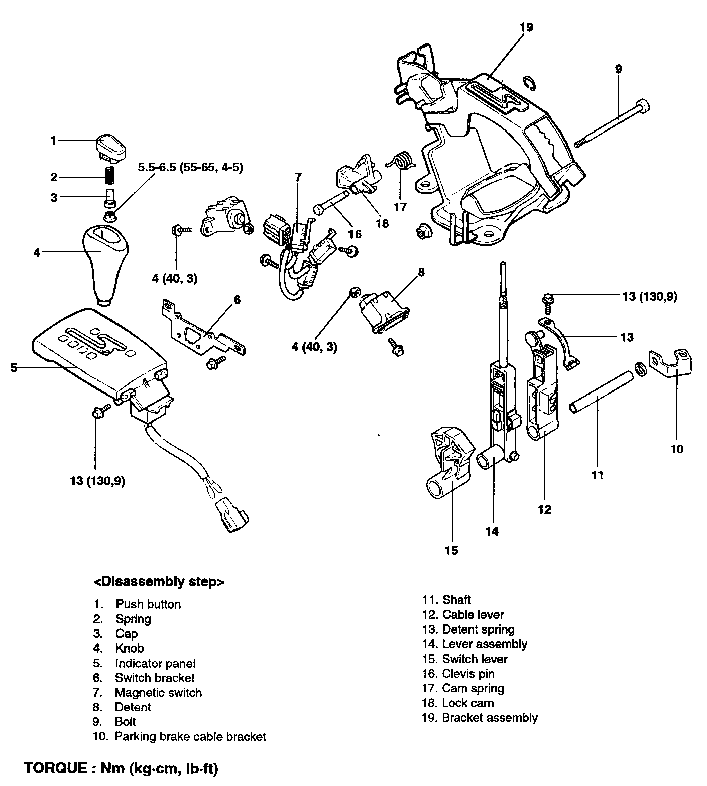
Shift Linkage: Service and Repair

AUTOMATIC TRANSAXLE SHIFT CONTROL





COMPONENTS

INSTALLATION





PROCEDURE TO INSTALL THE LOCK CAM





1. Move A/T lever to "P" position to set the key lock cam and the shift lock cam as shown in the image.
^ Check that the key lock cam is located at "B" by the detent pin.
^ Check that the shift lock cam is located at "A".
2. Check that the key cylinder is at "LOCK".

PROCEDURE FOR ADJUSTING SHIFT LOCK AND KEY LOCK CABLE
1. Check that each lock cam is as shown in the image.
2. Install the shift lock and key lock cable in position. In this case, the shift lock cable must be fixed to the brake pedal and the key lock cable must be fixed to the key cylinder.





3. Temporarily install each cable to the A/T lever assembly as shown in the image. Securely insert the cable end into the fixing pin of each cam.
4. Slightly pull the shift lock cable in the direction "E".
5. After checking that the portion of the cable end touches the cable fixing pin, fix with the self-tapping bolt.
6. Slightly push the key lock cam to direction "Q".
7. Slightly pull the key lock cable in the direction "G" to stretch the cable. Then fix the cable with the self-tapping bolt.
8. Check that the key lock and the shift lock cable are secure.

PROCEDURE FOR CHECKING THE SHIFT LOCK
1. When the brake pedal is not depressed, the push button of the shift lever at "P" position must not be operable. (Shift lever cannot be shifted at the other positions from "P".)
2. When the brake pedal stroke is 15 - 22 mm (with shift lever at "P" position), the push button should be operable without catching and the shift lever should shift smoothly to other positions.
3. When the brake pedal is not depressed, the shift lever should shift smoothly to UP" position from all heading other positions.
4. The brake pedal must operate smoothly without catching.
5. When the ignition key is at the "LOCK" position, although brake pedal is depressed, the push button should be operable.
6. The Ignition key must not be able to be turned to the "LOCK" position except in the "P" position.
7. If the shift lever is shifted to the "P" position, the ignition key must turn to the "LOCK" position smoothly.