Operation CHARM: Car repair manuals for everyone.
Manuals through 2025 now available!

Our trusted friends have launched a new website named LEMON, which has newer manuals. It also contains all the CHARM manuals.

LEMON is the spiritual successor to CHARM, I recommend you try it!

Link: lemon-manuals.la or lemon-manuals.org.ua

(Some people have issue connecting. LEMON is investigating. For now, use Firefox or change your DNS server)

Or, hide this message: temporarily or permanently

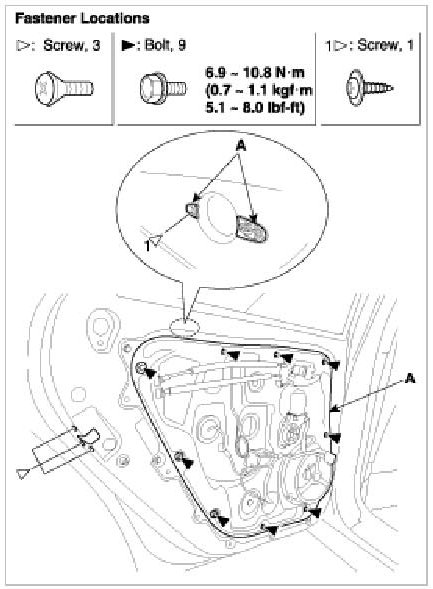
Module Assembly Replacement

MODULE ASSEMBLY REPLACEMENT

1. Remove the rear door trim.
2. Remove the glass.
3. Remove the inside handle.
4. Remove the outside handle.
5. After loosen the door module mounting bolts, remove the door module (A).






6. Disconnect the connector (C).
7. Detach the clips, then remove the wiring harness (A).
8. Remove the module (B).






9. Installation is the reverse of removal.

NOTE:
- Make sure the connector is plugged in properly and each cable is connected securely.
- Make sure the door lock and open properly.