Operation CHARM: Car repair manuals for everyone.
Manuals through 2025 now available!

Our trusted friends have launched a new website named LEMON, which has newer manuals. It also contains all the CHARM manuals.

LEMON is the spiritual successor to CHARM, I recommend you try it!

Link: lemon-manuals.la or lemon-manuals.org.ua

(Some people have issue connecting. LEMON is investigating. For now, use Firefox or change your DNS server)

Or, hide this message: temporarily or permanently

Electronic Brake Control Module: Service and Repair

ABS CONTROL MODULE (HECU)

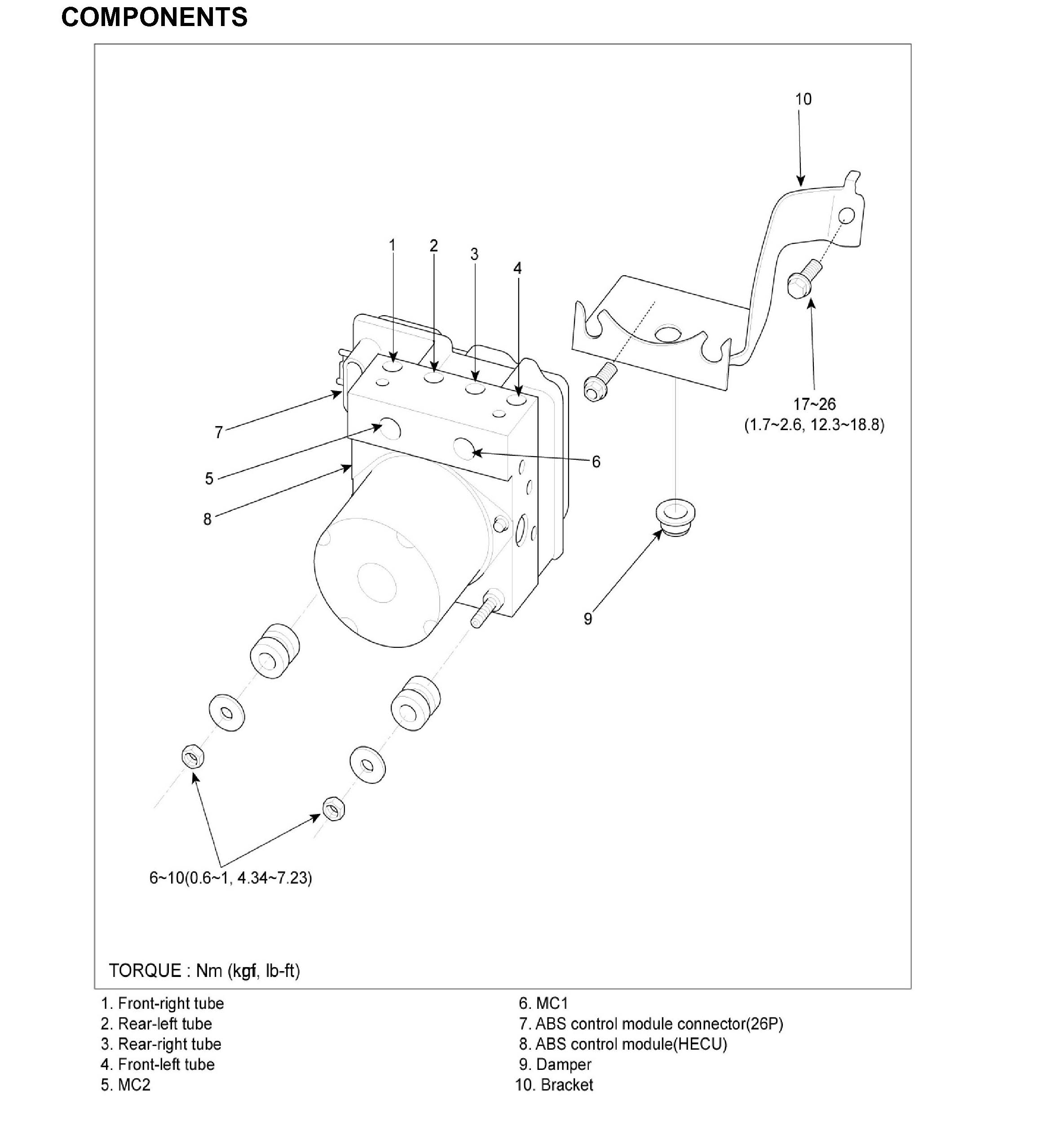
COMPONENTS:





INSTALLATION
1. Installation is the reverse of removal.
2. Tighten the EICU mounting bolts and brake tube nuts to the specified torque.
Tightening torque
HECU mounting nut:640 Nm (0.64 kgf-m, 4.34 - 7.23 ft. lbs.)
EICU bracket mounting bolt:17 - 26 Nm (1.7 - 2.6 kgf-m, 12.3 - 48.8 ft. lbs.)

REMOVAL
1. Remove the air cleaner.
2. Disconnect the brake tube from the HECU by unlocking the nuts counterclockwise with a spanner.





3. Disconnect the connector (A) from the HECU.





4. Remove the two HECU brake mounting bolts (B), and then disassemble the HECU with the bracket.

CAUTION:
^ Never attempt to disassemble the HECU.
^ The HECU must be transported and stored in
^ Never apply shock to the HECU.


5. Remove the two HECU mounting nuts and washers, and then remove the bracket.