Operation CHARM: Car repair manuals for everyone.
Manuals through 2025 now available!

Our trusted friends have launched a new website named LEMON, which has newer manuals. It also contains all the CHARM manuals.

LEMON is the spiritual successor to CHARM, I recommend you try it!

Link: lemon-manuals.la or lemon-manuals.org.ua

(Some people have issue connecting. LEMON is investigating. For now, use Firefox or change your DNS server)

Or, hide this message: temporarily or permanently

Oil Filter: Service and Repair

OIL FILTER ASSEMBLY

INSTALLATION
1. Install oil filter body (A) and new O-rings.
Tightening torque 9.80 - 11.76 Nm (1.0 - 1.2 kgf.m, 7.23 - 8.68 ft. lbs.)





NOTE:
^ All rubber gaskets must not be damaged by assembling parts.
^ Be careful of the knock sensor connector.
^ Always use a new O-ring

2. Install oil filter body cover (B) and new gasket on the oil filter body.
Tightening torque 9.80 - 11.76 Nm (1.0 - 1.2 kgf.m, 7.23 - 8.68 ft. lbs.)





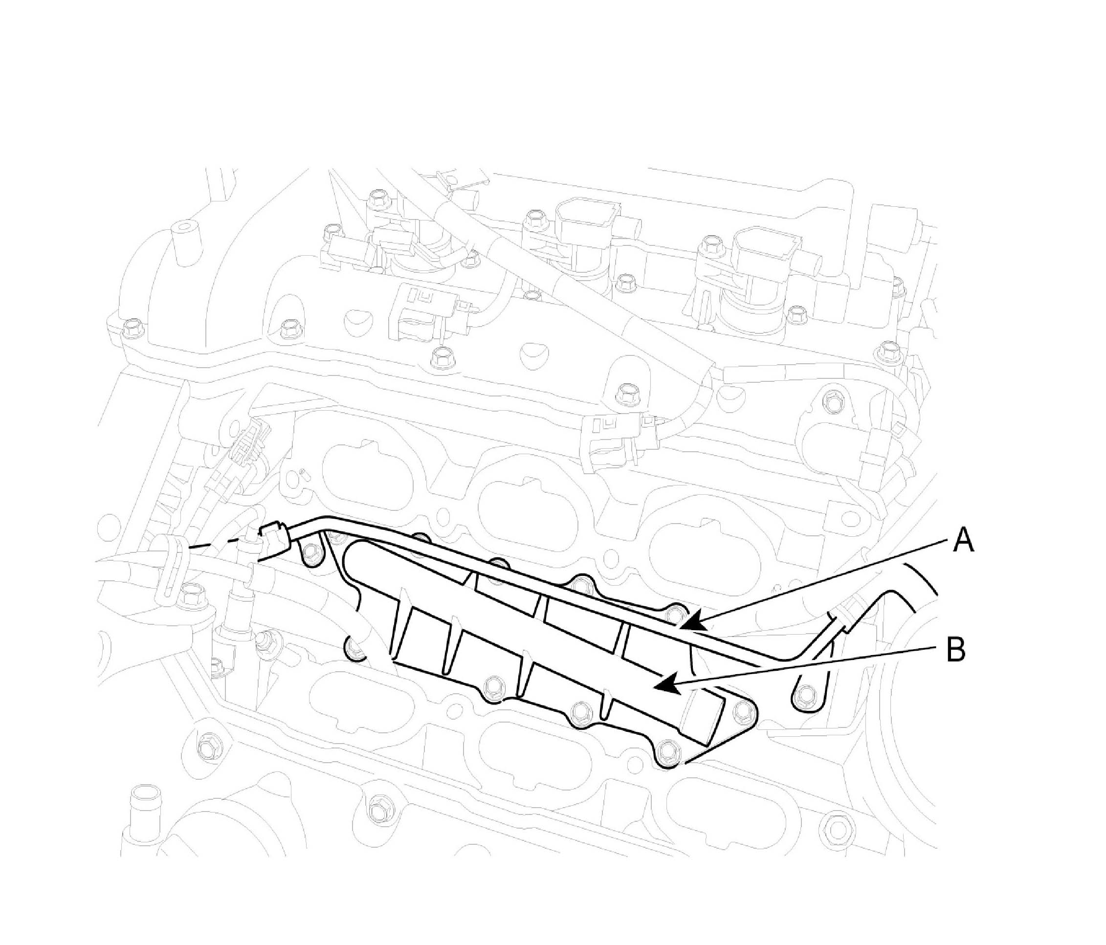
3. Connect water vent hose (A)
Tightening torque 9.80 - 11.76 Nm (1.0 - 1.2 kgf.m, 7.23 - 8.68 ft. lbs.)
4. Install water temperature control assembly.
5. Connect water hoses on the ETC.
6. Connect oil pressure switch connector.
7. Install intake manifold and surge tank.
8. Fill with engine coolant.
9. Start engine and check for leaks.
10. Recheck engine coolant level.

REMOVAL
1. Loosen the oil filter cap by turning it counterclockwise to drain the oil in the oil filter.
2. Remove surge tank and intake manifold.
3. Disconnect oil pressure switch connector.
4. Drain the engine coolant.
5. Disconnect water hoses from ETC.
6. Remove water temperature control assembly.
7. Disconnect water vent hose (A).
8. Remove oil filter body cover (B).





9. Remove oil filter body. (A).





NOTE: Be careful of the knock sensor connector.