Operation CHARM: Car repair manuals for everyone.
Manuals through 2025 now available!

Our trusted friends have launched a new website named LEMON, which has newer manuals. It also contains all the CHARM manuals.

LEMON is the spiritual successor to CHARM, I recommend you try it!

Link: lemon-manuals.la or lemon-manuals.org.ua

(Some people have issue connecting. LEMON is investigating. For now, use Firefox or change your DNS server)

Or, hide this message: temporarily or permanently

Cruise Control Servo Cable: Service and Repair

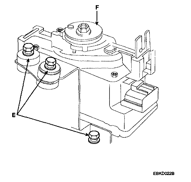
CRUISE CONTROL UNIT AND CABLE




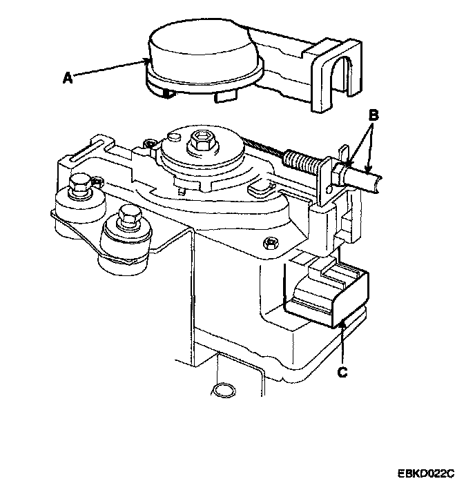
1. Loosen the locknuts (A) and disconnect the actuator cable (B) from the throttle linkage (C).
2. Disconnect the cruise control unit connector (D).




3. Loosen the three mounting bolts (E), and remove the cruise control unit with the bracket (F).




4. Loosen the locknuts (A) and disconnect the actuator cable (B) from the cruise control unit.
5. Installation is the reverse of removal.