Operation CHARM: Car repair manuals for everyone.
Manuals through 2025 now available!

Our trusted friends have launched a new website named LEMON, which has newer manuals. It also contains all the CHARM manuals.

LEMON is the spiritual successor to CHARM, I recommend you try it!

Link: lemon-manuals.la or lemon-manuals.org.ua

(Some people have issue connecting. LEMON is investigating. For now, use Firefox or change your DNS server)

Or, hide this message: temporarily or permanently

Engine Block

ENGINE BLOCK








COMPONENT

DISASSEMBLY
1. A/T: remove drive plate.
2. Install engine to engine stand for disassembly (A).
3. Remove timing belt.
4. Remove cylinder head.
5. Remove oil level gauge assembly.





6. Remove the alternator.
7. Remove the air compressor.
8. Remove the power steering pump bracket (A).
9. Remove water pump.





10. Remove knock sensors (A).





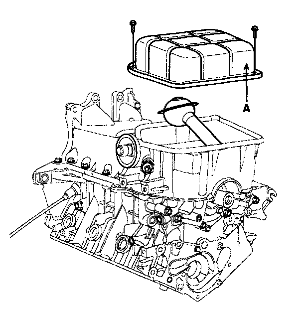
11. Remove the lower oil pan (A).





12. Remove oil screen. Remove the 2 bolts (B), oil screen (A) and gasket.





13. Remove the upper oil pan (A).
14. Check the connecting rod end play.
15. Remove the connecting rod caps and check oil clearance.
16. Remove piston and connecting rod assemblies.
1) Using a ridge reamer, remove all the carbon from the top of the cylinder.
2) Push the piston connecting rod assembly and upper bearing through the top of the cylinder block.

NOTE: Keep the bearings, connecting rod and cap together. Arrange the piston and connecting rod assemblies in the correct order

17. Remove front case.





18. Remove oil seal case.
Remove the 3 bolts (F) and oil seal case (A).
19. Check the crankshaft end play.





20. Remove crankshaft bearing cap and check oil clearance.





21. Lift the crankshaft (A) out of the engine, being careful not to damage journals.

NOTE: Arrange the main bearings and trust washers in the correct order

22. Check fit between piston and piston pin. Try to move the piston back and forth on the piston pin. If any movement is felt, replace the piston and pin as a set.
23. Remove piston rings.
1) Using a piston ring expender, remove the 2 compression rings.
2) Remove the 2 side rails and oil ring by hand.

NOTE: Arrange the piston rings in the correct order only.

24. Disconnect connecting rod from piston.

INSPECTION

CONNECTING ROD AND CRANKSHAFT





1. Check the connecting rod end play. Using a dial indicator, measure the end play while moving the connecting rod back and forth.
^ It out-of-tolerance, replace the connecting rod assembly.
^ If still out-of-tolerance, replace the crankshaft.
2. Check the connecting road bearing oil clearance.
1) Check the matchmarks on the connecting rod and cap are aligned to ensure correct reassembly.
2) Remove the 2 connecting rod cap bolts.
3) Remove the connecting rod cap and bearing half.
4) Clean the crank pin and bearing.
5) Place plastigage across the crank pin.
6) Reinstall the bearing half and cap, and torque the bolts.
Tightening torque 16 - 20 Nm (160 - 200 kgf-cm, 12 - 15 ft. lbs.) + 90°

NOTE: Do not turn the crankshaft.

7) Remove the 2 bolts, connecting rod cap and bearing half.





8) Measure the plastigage at its widest point.
Standard oil clearance: 0.018 - 0.036 mm (0.0007 - 0.0014 inch)
9) If the plastigage measures too wide or too narrow, remove the upper half of the bearing, install a new, complete bearing with the same color mark (select the color as shown in the next column), and recheck the clearance.

CAUTION: Do not file, shim, or scrape the bearings or the caps to adjust clearance.

10) If the plastigage shows the clearance is still incorrect, try the next larger or smaller bearing (the color listed above or below that one), and check clearance again.

NOTE: If the proper clearance cannot be obtained by using the appropriate larger or smaller bearings, replace the crankshaft and start over

CAUTION: If the marks are indecipherable because of an accumulation of dirt and dust, do not scrub them with a wire brush or scraper. Clean them only with solvent or detergent.





Connecting rod mark location





Discrimination of connecting rod





Crankshaft pin mark location





Discrimination of crankshaft





Place of identification mark (Connecting rod bearing)





Discrimination of connecting rod bearing





11) Selection
3. Check the crankshaft bearing oil clearance.
1) To check main bearing-to-journal oil clearance, remove the main caps and bearing halves.
2) Clean each main journal and bearing half with a clean shop tower.
3) Place one strip of plastigage across each main journal.
4) Reinstall the bearings and caps, then torque the bolts.
Tightening torque
M8 13 - 19 Nm (130 - 190 kgf-cm, 10 - 14 ft. lbs.) + 90°
M10 27 - 33 Nm (270 - 330 kgf-cm, 19.5 - 24 ft. lbs.) + 90°

NOTE: Do not turn the crankshaft.





5) Remove the cap and bearing again, and measure the widest part of the plastigage.
Standard oil clearance 0.004 - 0.022 mm (0.00016 - 0.00087 inch)
6) If the plastigage measures too wide or too narrow, remove the upper half of the bearing, install a new, complete bearing with the same color mark (select the color as shown in the next column), and recheck the clearance.

CAUTION: Do not file, shim, or scrape the bearings or the caps to adjust clearance.

7) If the plastigage shows the clearance is still incorrect, try the next larger or smaller bearing (the color listed above or below that one), and check clearance again.

NOTE: If the proper clearance cannot be obtained by using the appropriate large or smaller bearings, replace the crankshaft and start over

CAUTION: If the marks are indecipherable because of an accumulation of dirt and dust, do not scrub them with a wire brush or scraper. Clean them only with solvent or detergent.

CONNECTING RODS
1. When reinstalling, make sure that cylinder numbers put on the connecting rod and cap at disassembly match. When a new connecting rod is installed, make sure that the notches for holding the bearing in place are on the same side.
2. Replace the connecting rod if it is damaged on the thrust faces at either end. Also if step wear or a severely rough surface of the inside diameter of the small end is apparent, the rod must be replaced as well.
3. Using a connecting rod aligning tool, check the rod for bend and twist. If the measured value is close to the repair limit, correct the rod by a press. Any connecting rod that has been severely bent or distorted should be replaced.
Allowable bend of connecting rod 0.05 mm / 1 00 mm (0.0020 inch/3.94 inch) or less
Allowable twist of connecting rod 0.1 mm / 1 00 mm (0.0039 inch/3.94 inch) or less

Crankshaft bore mark location





Letters have been stamped on the end of the block as a mark for the size of each of the 4 main journal bores.
Use them, and the numbers or bar stamped on the crank (marks for main journal size), to choose the correct bearings.





Discrimination of cylinder block





Crankshaft journal mark location





Discrimination of crankshaft





Place of identification mark (Crankshaft bearing)





Discrimination of crankshaft bearing





Selection





4. Check crankshaft end play. Using a dial indicator, measure the thrust clearance while prying the crankshaft back and forth with a screwdriver.
Standard end play 0.07 - 0.25 mm (0.002 - 0.0098 inch)
Limit: 0.30 mm (0.0118 inch)
It the end play is greater than maximum, replace the thrust bearings as a set.
Thrust bearing thickness 1.925 - 1.965 mm (0.06 - 0.077 inch)





5. Inspect main journals and crank pins Using a micrometer, measure the diameter of each main journal and crank pin.
Main journal diameter 61.982 - 62.000 mm (2.4402 - 2.4409 inch)
Crank pin diameter 47.982 - 48.000 mm (1.8890 - 1.8898 inch)

CYLINDER BLOCK
1. Remove gasket material. Using a gasket scraper, remove all the gasket material from the top surface of the cylinder block.
2. Clean cylinder block Using a soft brush and solvent, thoroughly clean the cylinder block.





3. Inspect top surface of cylinder block for flatness. Using a precision straight edge and feeler gauge, measure the surface contacting the cylinder head gasket for warpage.
Flatness of cylinder block gasket surface
Standard: Less than 0.03 mm (0.0012 inch)
Limit: 0.05 mm ( 0.0020 inch)
4. Inspect cylinder bore diameter Visually check the cylinder for vertical scratches. If deep scratches are present, replace the cylinder liner.





5. Inspect cylinder bore diameter Using a cylinder bore gauge, measure the cylinder bore diameter at position A, B and C in the thrust and axial directions.
Standard diameter 86.70 - 86.73 mm (3.4134 - 3.4145 inch)








6. Check the cylinder bore size code (A) on the cylinder block bottom face.





7. Check the piston Size-code (A) on the piston top face.





NOTE: Stamp the grade mark of basic diameter with rubber stamp.

8. Select the piston related to cylinder bore class.
Clearance: 0.01 - 0.03 mm (0.0004 - 0.0012 inch)

BORING CYLINDER





1. Oversize pistons should be selected according to the largest bore cylinder.

NOTE: The size of piston is stamped on top of the piston.

2. Measure the outside diameter of the piston to be used.
3. According to the measured O.D., calculate the new bore size.
New bore size = Piston O.D + 0.01 to 0.03 mm (0.0004 to 0.0012 inch) (clearance between piston and cylinder) - 0.01 mm (0.0004 inch) (honing margin)
4. Bore each of the cylinders to the calculated size.

CAUTION: To prevent distortion that may result from temperature rise during honing, bore the cylinder holes in the firing order.

5. Hone the cylinders, finishing them to the proper dimension (piston outside diameter + gap with cylinder).
6. Check the clearance between the piston and cylinder.
Standard: 0.01 - 0.03 mm (0.0004 - 0.0012 inch)

NOTE: When boring the cylinders, finish all of the cylinders to the same oversize. Do not bore only one cylinder to the oversize.

PISTON AND RINGS
1. Clean piston
1) Using a gasket scraper, remove the carbon from the piston top.
2) Using a groove cleaning tool or broken ring, clean the piston ring grooves.
3) Using solvent and a brush, thoroughly clean the piston.

NOTE: Do not use a wire brush.





2. The standard measurement of the piston outside diameter is taken 38.5 mm (1.516 inch) from the top land of the piston.
Standard diameter 86.68 - 86.71 mm (3.4126 - 3.4138 inch)
3. Calculate the difference between the cylinder bore diameter and the piston diameter.
Piston-to-cylinder clearance 0.01 - 0.03 mm (0.0004 - 0.0012 inch)





4. Inspect the piston ring side clearance. Using a feeler gauge, measure the clearance between new piston ring and the wall of the ring groove.
Piston ring side clearance
No. 1 0.04 - 0.08 mm (0-0016 - 0.0031 inch)
No. 2 0.03 - 0.07 mm (0.0012 - 0.0028 inch)
Limit
No. 1: 0.1 mm (0.004 inch)
No. 2: 0.1 mm (0.004 inch)
If the clearance is greater than maximum, replace the piston.





5. Inspect piston ring end gap.
To measure the piston ring end gap, insert a piston ring into the cylinder bore. Position the ring at right angles to the cylinder wall by gently pressing it down with a piston. Measure the gap with a feeler gauge. If the gap exceeds the service limit, replace the piston ring. If the gap is too large, recheck the cylinder bore diameter against the wear limits, If the bore is over the service limit, the cylinder block must be rebored.
Piston ring end gap
Standard No.1: 0.20 - 0.35 mm (3.0079 - 0.0138 inch)
No.2: 0.37 - 0.52 mm (3.0146 - 0.0205 inch)
Limit Oil ring: 0.2 - 0.7 mm 1,13.0079 - 0.0276 inch)

PISTON PINS





1. Measure the diameter of the piston pin.
Piston pin diameter 21.001 - 21.007 mm (0.8268 - 0.8270 inch)
2. Measure the piston pin-to-piston clearance.
Piston pin-to-piston clearance 0.011 - 0.01 8 mm (0.00043 - 0.00071 inch)
3. Check the difference between the piston pin diameter and the connecting rod small end diameter.
Piston pin-to-connecting rod interference 0.016 - 0.033 mm (0.00063 - 0.00130 inch)

OIL PRESSURE SWITCH





1. Check the continuity between the terminal and the body with an ohmmeter.
If there is no continuity, replace the oil pressure switch.
2. Check the continuity between the terminal and the body when the fine wire is pushed. If there is continuity even when the fine wire is pushed, replace the switch.





3. If there is no continuity when a 50 kPa (7 psi) vacuum is applied through the oil hole, the switch is operating properly.
Check for air leakage. If air leaks, the diaphragm is broken. Replace it.

REASSEMBLY

NOTE: Thoroughly clean all parts to assembled. Before installing the parts, apply fresh engine oil to all sliding and rotating surfaces. Replace all gaskets, O-rings and oil seals with new parts.

1. Assemble piston and connecting rod.
1) Use a hydraulic press for installation.





2) The piston front mark (A) and the connecting rod front mark (B) must face the timing belt side of the engine.
2. Install piston rings.
1) Install the oil ring expander and 2 side rails by hand.
2) Using a piston ring expander, install the 2 compression rings with the code mark facing upward.





3) Position the piston rings so that the ring ends are as shown.
3. Install connecting rod bearings.
1) Align the bearing claw with the groove of the connecting rod or connecting rod cap.





2) Install the bearings in the connecting rod and connecting rod cap.





4. Install main bearings.

NOTE: Upper 1, 2, 3, 4 bearings have an oil groove of oil holes; Lower bearings do not.

1) Align the bearing claw with the claw groove of the cylinder block, push in the 4upper bearings (A).





2) Align the bearing claw with the claw groove of the main bearing cap (A), and push in the 4 lower bearings (B).





5. Install thrust bearings. Install the 2 thrust bearings (A) under the No.3 journal position of the cylinder block with the oil grooves facing outward.





6. Place crankshaft (A) on the cylinder block.
7. Place main bearing caps on cylinder block.
8. Install main bearing cap bolts.

NOTE: The main bearing cap bolts are tightened in 2 progressive steps. If any of the bearing cap bolts in broken or deformed, replace it.

Tightening torque
Main bearing cap bolt
M8 13 - 19 Nm (130 - 190 kgf-cm, 10 - 14 ft. lbs.) + 90° - 94°
M10 27 - 33 Nm (270 - 330 kgf-cm, 19.5 - 24 ft. lbs.) + 90° - 94°
1) Apply alight coat of engine oil on the threads and under the bearing cap bolts.





2) Install and uniformly tighten the 16 bearing cap bolts, in several passes, in the sequence shown.
Tightening torque
M8 (A): 13 - 19 Nm (130 - 190 kgf-cm, 10 - 14 ft. lbs.)
M10 (B): 27 - 33 Nm (270 - 330 kgf-cm, 19.5 - 24 ft. lbs.)





3) Retighten the bearing cap bolts by 90° - 94° in the numerical order shown.
4) Check that the crankshaft turns smoothly.
9. Check crankshaft end play.
10. Install piston and connecting rod assemblies.





NOTE: Before installing the pistons, apply a coat of engine oil to the ring grooves and cylinder bores.

1) Remove the connecting rod caps, and slip short sections of rubber hose over the threaded ends of the connecting rod bolts.
2) Install the ring compressor, check that the bearing is securely in place, then position the piston in the cylinder, and tap it in using the wooden handle of a hammer.
3) Stop after the compressor pops free, and check the connecting rod-to-check journal alignment before pushing the piston into place.
4) Apply engine oil to the bolt threads. Install the rod caps with bearings, and torque the bolts.
Tightening torque 16 - 20 Nm (160 - 200 kgf-cm, 12 - 15 ft. lbs.) + 90° - 94°

NOTE: Maintain downward force on the ring compressor to prevent the rings from expanding before entering the cylinder bore.





11. Apply liquid gasket to the oil seal case and install the oil seal case (A).

NOTE: Use liquid gasket MS721-40A or equivalent Check that the mating surfaces are clean and dry.

12. Install rear oil seal.
1) Apply engine oil to a new oil seal lip.





2) Using SST (09231-33000) and a hammer, tap in the oil seal until its surface is flush with the rear oil seal retainer edge.
13. Install front case.
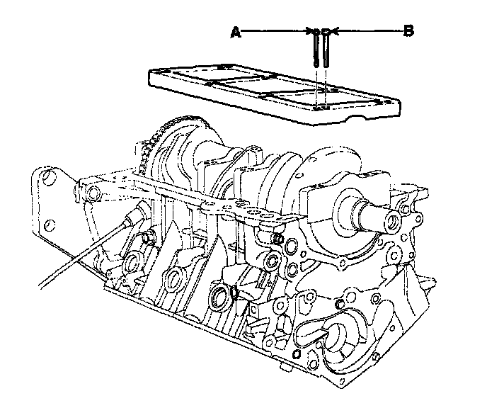
14. Install the upper oil pan.
1) Using a razor blade and gasket scraper, remove all the old packing material from the gasket surfaces.

NOTE: Check that the mating surfaces are clean and dry before applying liquid gasket.








2) Install the oil pan (A) with the 17 bolts. Uniformly tighten the bolts in several passes.

NOTE:
^ To prevent leakage of oil, apply liquid gasket to the inner threads of the bolt holes.
^ Do not install the parts if five minutes or more have elapsed since applying the liquid gasket. Instead, reapply liquid gasket after removing the residue.
^ After assembly, wait at least 30 minutes before filling the engine with oil.





15. Install oil screen.
Install a new gasket and oil screen (A) with 2 bolts (B).
16. Install the lower oil pan.
1) Apply liquid gasket as an even bead, centered between the edges of the mating surface. Use liquid gasket MS 721-40A or equivalent.

NOTE: To prevent leakage of oil, apply liquid gasket to the inner threads of the bolt holes. Do not install the parts if five minutes or more have elapsed since applying the liquid gasket. Instead, reapply liquid gasket after removing the residue. After assembly, wait at least 30 minutes before filling the engine with oil.





2) Install the lower oil pan 1O bolts.
Uniformly tighten the bolts several passes
17. Install oil pressure sensor.
1) Apply adhesive to 2 or 3 threads.
Adhesive: THREE BOND TB2403 or equivalent.





2) Install the oil pressure sensor (A).





18. Install knock sensor (A).
19. Install water pump.





20. Install the power steering pump bracket (A).
21. Install the air compressor.
22. Install the alternator.
23. Install oil level gauge assembly.
1) Install a new O-ring on the oil level gauge.
2) Apply engine oil in the O-ring.
3) Install the oil level gauge assembly (A) with the bolt.
Tightening torque 12 - 15 Nm (120 - 150 kgf-cm, 9 - 11 ft. lbs.)
24. Install cylinder head.
25. Install timing belt.
26. Remove engine stand.
27. Install drive plate.
Tightening torque 73 - 77 Nm (730 - 77 kgf-cm, 53 - 56 ft. lbs.)