Operation CHARM: Car repair manuals for everyone.
Manuals through 2025 now available!

Our trusted friends have launched a new website named LEMON, which has newer manuals. It also contains all the CHARM manuals.

LEMON is the spiritual successor to CHARM, I recommend you try it!

Link: lemon-manuals.la or lemon-manuals.org.ua

(Some people have issue connecting. LEMON is investigating. For now, use Firefox or change your DNS server)

Or, hide this message: temporarily or permanently

Oil Filter: Service and Repair

LUBRICATION SYSTEM





COMPONENT

OIL AND FILTER

CAUTION: Prolonged and repeated contact with mineral oil will result in the removal of natural fats from the skin, leading to dryness, irritation and dermatitis. In addition, used engine oil contains potentially harmful contaminants which may cause skin cancer.
Exercise caution In order to minimize the length and frequency of contact of your skin to used oil. Wear protective clothing and gloves. Wash your skin thoroughly with soap and water, or use water-less hand cleaner, to remove any used engine oil. Do not use gasoline, thinners, or solvents.
In order to preserve the environment, used oil and used oil filter must be disposed of only at designated disposal sites.





1. Drain engine oil.
a. Remove the oil filter cap.
b. Remove the oil drain plug (A), and drain the oil into a container.
2. Replace oil filter.
a. Remove the oil filter (B).
b. Check and clean the oil filter installation surface.
c. Check the part number of the new oil filter is as same as old one.
d. Apply clean engine oil to the gasket of a new oil filter.
e. Lightly screw the oil filter into place, and tighten it until the gasket contacts the seat.
f. Tighten it an additional 3/4 turn.
3. Refill with engine oil filter. Clean and install the oil drain plug with a new gasket.
Tightening torque 35 - 45 Nm (350 - 4501 (kgf-cm, 26 - 33 ft. lbs.)
Fill with fresh engine oil
Capacity
Drain and refill
W/Oil filter change: 4.5 (4.74 U.S.qts, 3.95 Imp qts)
W/O Oil filter change: 4.21 (4.30 U.S.qts, 3.65 Imp qts)
^ Install the oil filter cap.
4. Start engine and check for oil leaks.
5. Recheck engine oil level.

INSPECTION
1. Check engine oil quality Check the oil for deterioration, entry of water, discoloring or thinning. If the quality is visibly poor, replace the oil.
2. Check engine oil level. After warming up the engine and then 5 minutes after the engine stop, oil level should be between the L" and "F" marks or the dipstick. If low, check for leakage and add oil up to the "F" mark.

NOTE: Do not fill with engine oil above the "F" mark.

SELECTION OF ENGINE OIL

Recommended API classification: SH OR ABOVE





RECOMMENDED SAE VISCOSITY GRADES

NOTE: For best performance and maximum protection of all types of operation, select only those lubricants which

1. Satisfy the requirement of the API classification.
2. Have proper SAE grade number for expected ambient temperature range.
Lubricants that do not have both an SAE grade number and API service classification on the container should not be used.

REMOVAL
1. Drain engine oil.
2. Remove RH front wheel.
3. Remove RH side cover.
4. Remove the front exhaust pipe.
5. Remove the alternator from engine.
6. Remove the drive belt.
7. Turn the crankshaft and align the white groove on the crankshaft pulley with the pointer on the lower cover.
8. Remove the timing belt.
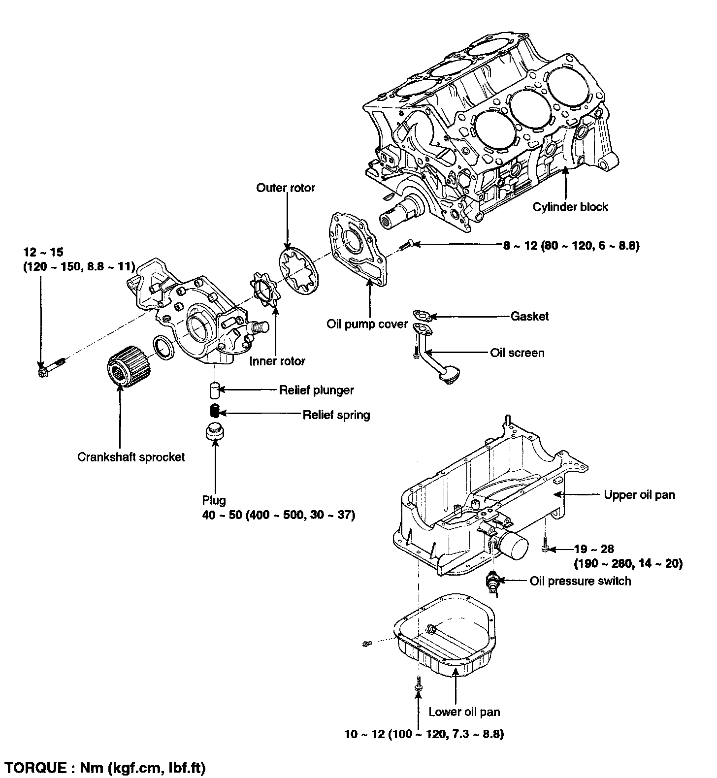
9. Remove the oil pan and oil screen.





10. Remove the oil pump case (A).





1) Remove the screws (B) from the pump housing, then separate the housing and cover (A).
2) Remove the inner and outer rotors.

DISASSEMBLY





1. Remove the relief plunger.
Remove the plug (A), spring (B) and relief plunger (C).

INSPECTION
1. Inspect relief plunger. Coat the valve with engine oil and check that it falls smoothly into the plunger hole by its own weight. If it does not, replace the relief plunger. If necessary, replace the front case.
2. Inspect relief valve spring. Inspect for distorted or broken relief valve spring.
Standard value
Free height: 43.8 mm (91.724 inch)
Load: 4.6 kg/39.l mm (10lb/1.547 inch)





3. Inspect rotor side clearance. Using a feeler gauge and precision straight edge, measure the clearance between the rotors and precision straight edge.
If the side clearance is greater than maximum, replace the rotors as a set. If necessary, replace the front case.





4. Inspect rotor body clearance. Using a feeler gauge, measure the clearance between the outer rotor and body.
If the body clearance is greater than maximum, replace the rotors as a set. If necessary, replace the front case.

REASSEMBLY





1. Install relief plunger. Install relief plunger (C) and spring (B) into the front case hole, and install the plug (A).

INSTALLATION
1. Install oil pump.
1) Place the inner and outer rotors into front case with the marks facing the oil pump cover side.





2) Install the oil pump cover (A) to front case with the 8 screws (B).
2. Check that the oil pump turns freely.
3. Install the oil pump on the cylinder block.
1) Remove any old liquid gasket and be careful not to drop any oil on the contact surfaces of the oil pump and cylinder block.
^ Using a razor blade and gasket scraper, remove all the old liquid gasket from the gasket surfaces and sealing grooves.
^ Using a non-residue solvent, clean both sealing surfaces.





2) Apply liquid gasket to the oil pump as shown in the illustration. Use liquid gasket MS 721-40A.

NOTE: To prevent leakage of oil, apply liquid gasket to the inner threads of the bolt holes. Do not install the parts if five minutes or more have elapsed since applying the liquid gasket. Instead, reapply liquid gasket after removing the residue. After assembly, wait at least 30 minutes before filling the engine with oil.

3) Place a new O-ring on the cylinder block.
4) Engage the spline teeth of the oil pump drive gear with large teeth of the crankshaft, and slide the oil pump on the crankshaft.





5) Install the oil pump with 5 bolts.
Uniformly tighten the bolts in several passes.
4. Apply a light coat of oil to the seal lip.





5. Using the special tool (09214-33000), install the oil seal.
6. Install the oil pan and oil screen.
7. Install the timing belt.
8. Install the drive belt.
9. Install the alternator.
10. Install the front exhaust pipe.
11. Install the RH front wheel.
12. Fill engine with oil.
13. Start engine and check for leaks.
14. Recheck engine oil level.