Operation CHARM: Car repair manuals for everyone.
Manuals through 2025 now available!

Our trusted friends have launched a new website named LEMON, which has newer manuals. It also contains all the CHARM manuals.

LEMON is the spiritual successor to CHARM, I recommend you try it!

Link: lemon-manuals.la or lemon-manuals.org.ua

(Some people have issue connecting. LEMON is investigating. For now, use Firefox or change your DNS server)

Or, hide this message: temporarily or permanently

Intake Manifold: Service and Repair





INTAKE MANIFOLD

REMOVAL

INTAKE MANIFOLD
1. Remove the engine cover.
2. Remove air cleaner hose.
3. Remove surge tank assembly.





1) Disconnect the accelerator cable.
2) Disconnect the TPS connector (A).
3) Disconnect the ISA connector (B).
4) Disconnect the VIS actuator connector (C).
5) Disconnect the injector connector (D).





6) Disconnect the PCSV connector (E).
7) Disconnect the PCSV hose.





8) Disconnect the brake booster vacuum hose (A).
9) Disconnect the PCV hose.
10) Disconnect the IAT sensor connector (A).





11) Disconnect the VIS actuator connector (B).





12) Disconnect the ground cable (A) from the surge tank assembly.








13) Remove the surge tank stay.





14) Remove the surge tank assembly (A).





4. Remove the injector assembly (A).





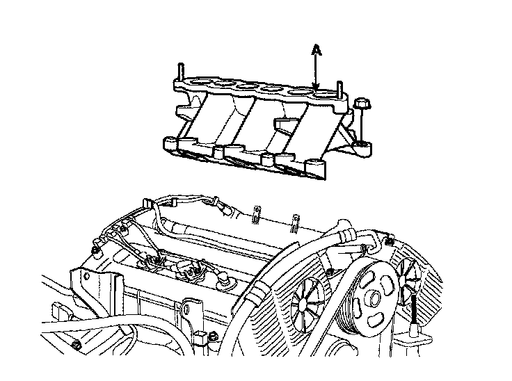
5. Remove the intake manifold (A) and gasket.

INSTALLATION

INTAKE MANIFOLD





1. Install the intake manifold and gasket.
Tightening torque 19 - 21 Nm (190 - 210 kgf-cm, 14 - 15 ft. lbs.)
2. Install the injector assembly.
3. Install the surge tank assembly (A).





1) Install the surge tank assembly.
Tightening torque 15 - 20 Nm (150 - 200 kgf-cm, 11 - 15 ft. lbs.)
2) Install the surge tank stay.
Tightening torque 15 - 20 Nm (150 - 200 kgf-cm, 11 - 15 ft. lbs.)
3) Install the ground cable.
4) Connect the VIS actuator connector.
5) Connect the IAT sensor connector.
6) Connect the PCV hose.
7) Connect the brake booster vacuum hose.
8) Connect the PCSV hose.
9) Connect the PCSV connector.
10) Connect the injector connector.
11) Connector the VIS actuator connector.
12) Connector the ISA connector.
13) Connector the TPS connector.
14) Connector the actuator cable.
4. Install the air cleaner hose.
5. Install the engine cover.