Operation CHARM: Car repair manuals for everyone.
Manuals through 2025 now available!

Our trusted friends have launched a new website named LEMON, which has newer manuals. It also contains all the CHARM manuals.

LEMON is the spiritual successor to CHARM, I recommend you try it!

Link: lemon-manuals.la or lemon-manuals.org.ua

(Some people have issue connecting. LEMON is investigating. For now, use Firefox or change your DNS server)

Or, hide this message: temporarily or permanently

Timing Belt: Service and Repair

TIMING SYSTEM





COMPONENT

REMOVAL
Engine removal is not required for this procedure.
1. Remove the engine cover.
2. Remove RH front wheel.





3. Remove 2 bolts (B) and RH side cover (A).





4. Turn the crankshaft pulley, and align its groove with timing mark T of the timing belt cover.

NOTE: Always turn the crankshaft clockwise.





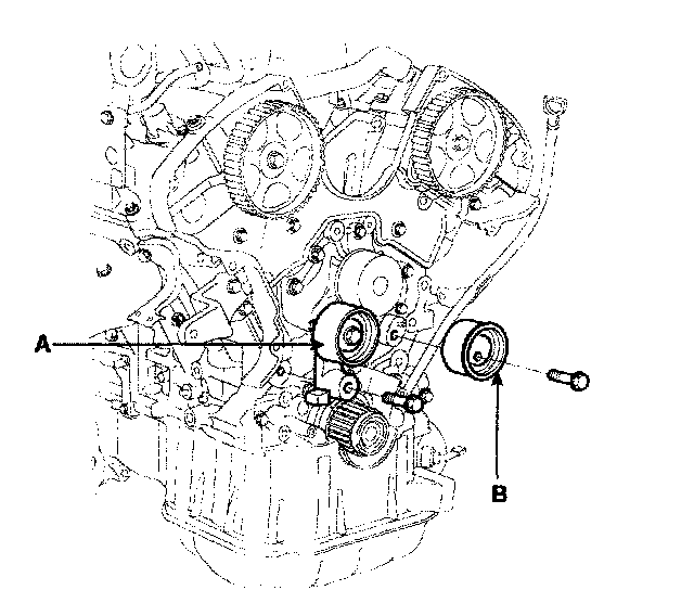
5. Remove drive belt (A) and belt tensioner (B).
6. Remove the engine mount bracket.





1) Set the jack to the engine oil pan.

NOTE: Place wooden block between the jack and engine oil pan.





2) Remove the 2 bolts, 2 nuts and engine mount bracket (A).
7. Remove the power steering pump.





8. Remove the 7 bolts(B) and timing belt upper cover (A).





9. Remove the crankshaft pulley bolt and crankshaft pulley (A).





10. Remove the drive belt idler pulley (A).





11. Remove the 4bolts(B) and timing belt lower cover (A).





12. Remove the engine support bracket (A).
13. Check that timing marks of the camshaft timing pulleys and cylinder head covers are aligned.
If not, turn the crankshaft 1 revolution (360°)





14. Remove timing belt tensioner.
Alternately loosen the 2 bolts, and remove the tensioner (A).





15. Remove the timing belt (A).

NOTE: If the timing belt is reused, make an arrow indicating the turning direction to make sure that the belt is reinstalled in the same direction as before.





16. Remove the tensioner pulley (A) and timing belt idler pulley (B).
17. Remove the crankshaft sprocket.
18. Remove camshaft sprockets. Hold the hexagonal head wrench portion of the camshaft with a wrench and remove the bolt and camshaft sprocket.

CAUTION: Be careful not to damage the cylinder head and valve lifter with the wrench.

INSPECTION

SPROCKETS, TENSIONER, IDLER
1. Check the camshaft sprocket, crankshaft sprocket, tensioner pulley, and idler pulley for abnormal wear, cracks, or damage. Replace as necessary.





2. Inspect the tensioner pulley and the idler pulley for easy and smooth rotation and check for play or noise. Replace as necessary.
3. Replace the pulley if there is a grease leak from its bearing.

TIMING BELT
1. Check the belt for oil or dust deposits.
Replace, if necessary.
Small deposits should be wiped away with a dry cloth or paper. Do not clean with solvent.
2. When the engine is overhauled or belt tension adjusted, check the belt carefully. If any of the following flaws are evident, replace the belt.

NOTE:
^ Do not bend, twist or turn the timing belt inside out.
^ Do not allow the timing belt to come into contact with oil, water and steam.

INSTALLATION
1. Install the crankshaft sprocket.
Align the pulley set key with the key groove the crankshaft sprocket and slide on the crankshaft sprocket.
2. Install the camshaft sprockets and tighten the bolts to the specified torque.
1) Temporarily install the camshaft sprocket bolts.
2) Hold the hexagonal head wrench portion of the camshaft with a wrench, and tighten the camshaft sprocket bolts.
Tightening torque
Camshaft sprocket bolt 90 - 110 Nm (900 - 1100 kgf-cm, 65 - 80 ft. lbs.)





3. Install the idler pulley (B) and the tensioner pulley (A).
Tightening torque
Idler pulley bolt 50 - 60Nm (500 - 600 kgf-cm, 36 - 43 ft. lbs.)
Tensioner arm fixed bolt 35 - 55Nm (350 - 550kgf-cm, 25 - 40 ft. lbs.)

NOTE: Insert and install the idler pulley to the roll pin that is pressed in the water pump boss.





4. Align the timing marks of the camshaft sprocket and crankshaft sprocket with the No. 1 piston placed at top dead center and its compression stroke.
5. Set timing belt tensioner.
1) Using a press, slowly press in the push rod.
2) Align the holes of the push rod and housing pass a set pin through the holes to keep the setting position of the push rod.
3) Release the press.
6. Install the timing belt tensioner.
1) Temporarily install the tensioner with the 2 bolts.





2) Alternately tighten the 2 bolts.
Tightening torque 20 - 27Nm (200 - 270kgf-cm, 14 - 20 ft. lbs.)
7. Install the timing belt.
1) Remove any oil or water on the sprockets, and keep them clean.





2) Install the timing belt in this order. Crankshaft sprocket (A) -> Idler pulley (B) Camshaft sprocket LH side (C) -> Water pump pulley (D) -> Camshaft sprocket RH side (E) Tensioner pulley (F).





8. Remove the set pin (A) from the tensioner.
9. Timing belt tensioner checking.
1) Rotate the crankshaft 2 turns clockwise and measure the projected length of the auto tensioner at TDC(#1 compression stroke) after 5 minutes.





2) The projected length should be 7 - 9 mm (0.27 - 0.31 inch).





10. Install the engine support bracket (A).
Tightening torque
B: 60 - 70 Nm (600 - 700 kgf-cm, 43 - 51 ft. lbs.)
C: 15 - 22 Nm (150 - 220 kgf-cm, 11 - 16 ft. lbs.)





11. Install the timing belt lower cover (A) with 4 bolts (B).
Tightening torque
Timing belt cover bolt 10 - 12Nm (100 - 120 kgf-cm, 7 - 9 ft. lbs.)





12. Install the drive belt idler pulley (A).
Tightening torque
Idler pulley bolt 35 - 55 Nm (350 - 550 kgf-cm, 25 - 40 ft. lbs.)





13. Install the crankshaft pulley (A).
Make sure that crankshaft sprocket pin fits the small hole in the pulley.
Tightening torque
Crankshaft pulley bolt 180 - 190 Nm (1800 - 1900 kgf-cm, 130 - 138 ft. lbs.)





14. Install the timing belt upper cover (A) with 7bolts(B).
15. Install the power steering pump.





16. Install the drive belt tensioner (B) and drive belt (A).





17. Install the engine mount bracket.
Install engine mount bracket with 2 nuts and 2 bolt.
Tightening torque 60 - 80 Nm (600 - 800 kgf, 44 - 59 ft. lbs.)





18. Install RH side cover (A) with 2 bolts (B).
19. Install RH front wheel.
20. Install engine cover.