Operation CHARM: Car repair manuals for everyone.
Manuals through 2025 now available!

Our trusted friends have launched a new website named LEMON, which has newer manuals. It also contains all the CHARM manuals.

LEMON is the spiritual successor to CHARM, I recommend you try it!

Link: lemon-manuals.la or lemon-manuals.org.ua

(Some people have issue connecting. LEMON is investigating. For now, use Firefox or change your DNS server)

Or, hide this message: temporarily or permanently

Electronic Brake Control Module: Service and Repair

ANTI-LOCK BRAKING SYSTEM CONTROL MODULE

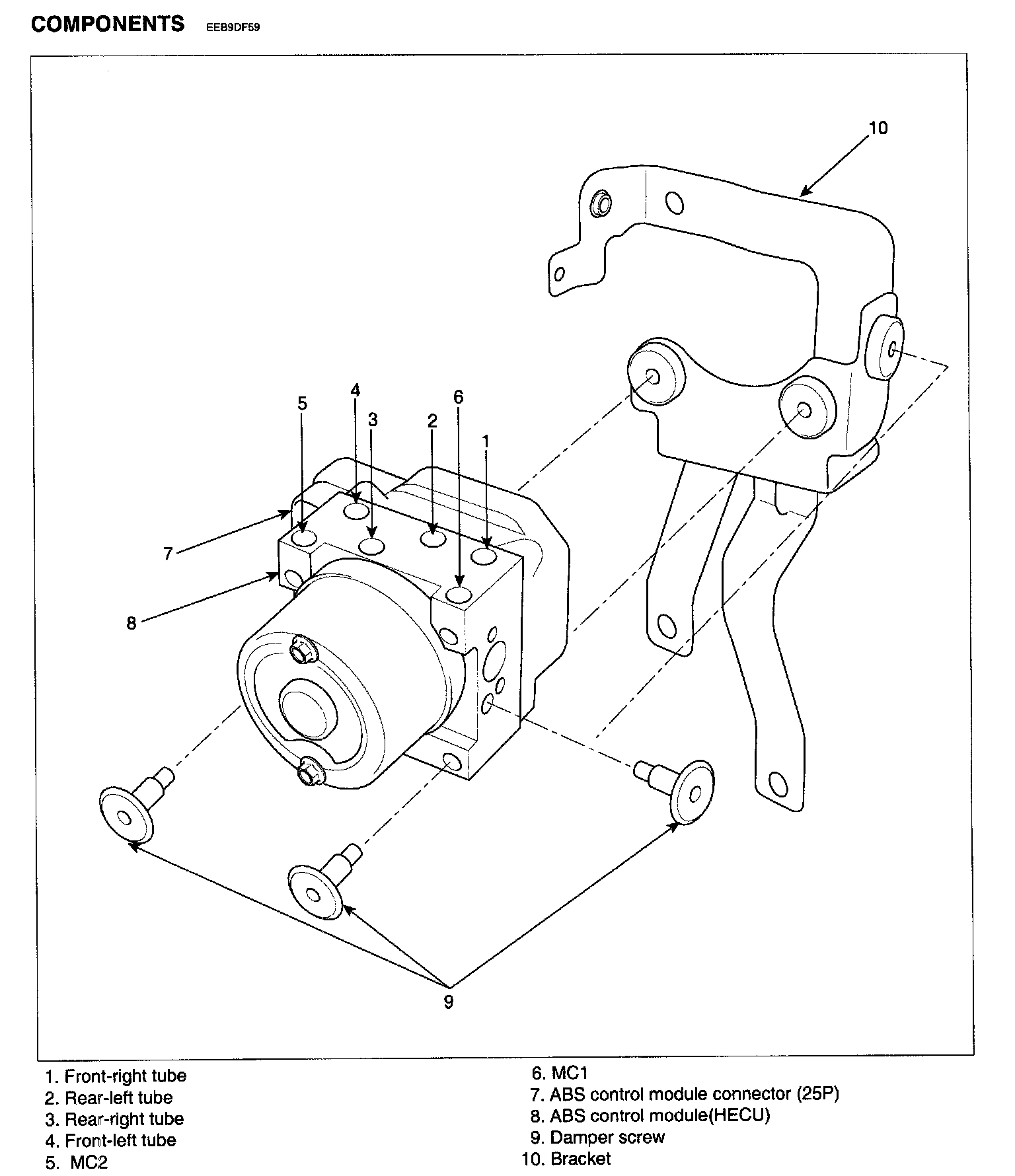
COMPONENTS:





REMOVAL

1. Turn the ignition switch OFF.
2. Pull up the lock(A) of the ABS control unit 25P connector, then disconnect the connector.





3. Disconnect the brake tubes from the HECU by unlocking the nuts counterclockwise with a spanner.





4. Loosen the 3 ABS HECU bracket bolts (A) and 1 nut(B), then remove HECU and bracket.





CAUTION:
1. Never attempt to disassemble the HECU.
2. The HECU must be transported and stored in.
3. Never shock to the HECU.


5. Remove the 3 damper screws and washer, then remove the bracket.

INSTALLATION

1. Installation is the reverse of removal.
2. Tighten the HECU mounting bolts and brake tube nuts to the specified torque.

Tightening torque
HECU damper screw: 12.36. - 14.02 Nm (1.26 - 1.43 kgf-m, 9.1 - 10.34 lb-ft)
HECU bracket mounting bolt, nut: 7.85 - 9.8 Nm (0.8 - 1.0 kgf-m, 5.79 - 7.23 lb-ft)