Operation CHARM: Car repair manuals for everyone.
Manuals through 2025 now available!

Our trusted friends have launched a new website named LEMON, which has newer manuals. It also contains all the CHARM manuals.

LEMON is the spiritual successor to CHARM, I recommend you try it!

Link: lemon-manuals.la or lemon-manuals.org.ua

(Some people have issue connecting. LEMON is investigating. For now, use Firefox or change your DNS server)

Or, hide this message: temporarily or permanently

Front

FRONT DISC BRAKE

COMPONENTS(1):




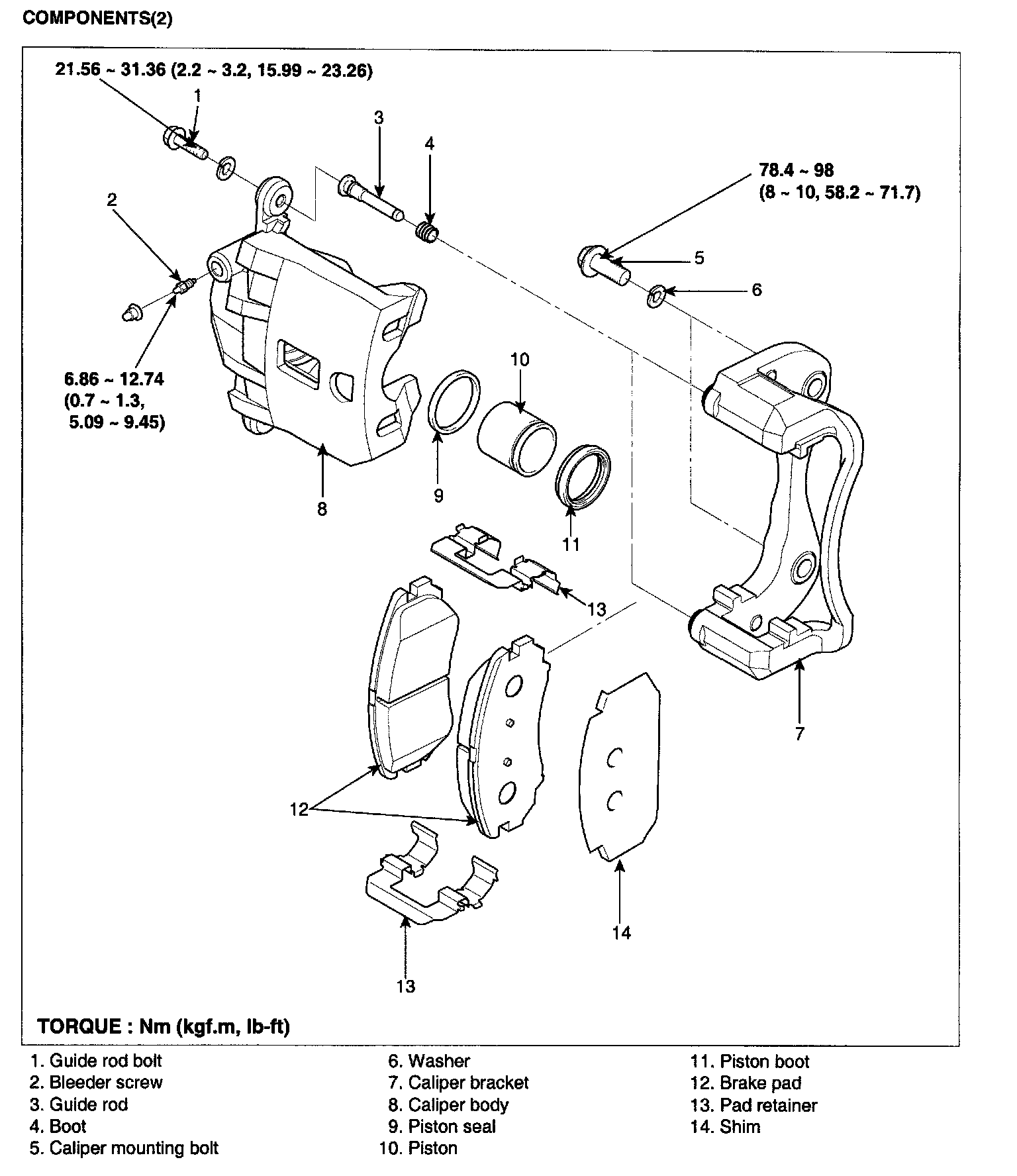
COMPONENTS(2):





REMOVAL

CAUTION: Frequent inhalation of brake pad dust, regardless of material composition, could be hazardous to your health.
-> Avoid breathing dust particles.
-> Never use on air hose or brush to clean brake assemblies.


1. Remove guide rod bolt(B) and raise the caliper (A).Check the hoses and pin boots for damage and deterioration.





2. Remove the pad shims (A), pad retainers (B) and pads (C).





INSPECTION

FRONT BRAKE DISC THICKNESS CHECK

1. Remove all rust and contamination from the disc surface, and then measure the disc thickness at 4 positions at least.

Front brake disc thickness
Standard value: 22.0 mm (0.87 in)
Limit: 20.0 mm ( 0.79 in)

2. Thickness variation should not exceed 0.005 mm(0.0002 in) (circumference) and 0.05 mm(0.0020 in) (radius) at any directions.
3. If wear exceeds the limit, replace the discs and pad assemblies for left and right of the vehicle.





FRONT BRAKE PAD CHECK

1. Check the pad wear. Measure the pad thickness. replace it if it is less than the specified value.





2. Check that grease is applied to sliding contact points and if there is damage to the pad and backing metal.

FRONT BRAKE DISC RUN OUT CHECK

1. Place a dial gauge about 5mm (0.2 in) from the outer circumference of the brake disc, and measure the run out of the disc.

Brake disc run out
Limit: 0.03 mm (0.0012 in) or less

2. If the run out of the brake disc exceeds the limit specification, replace the disc, and then measure the run out again.
3. If the run out does not exceed the limit specification, install the brake disc after turning it 180° and then check the run out of the brake disc again.
4. If the run out cannot be corrected by changing the position of the brake disc, replace the brake disc.

SEIZE OF FRONT BRAKE DISC

1. Remove the brake disc from hub using M8 screw(A) if the brake disc has been seized with the hub due to corrosion or overheat.

NOTE: Be careful not to use the hammer. The disc can be damaged if you remove the disc from the hub by hammer.





INSTALLATION

1. Install the pad retainers (B) to the caliper.
2. Check the foreign material at the pad shims (A) and the back of the pads (C).
Contaminated brake discs or pads reduce stopping ability. Keep grease off the discs and pads.
3. Install the brake pads (C) and pad shims (A) on the pad retainer correctly. Install the pad with the wear indicator on the inside. If you are reusing the pads, always reinstall the brake pads in their original positions to prevent a momentary loss of braking efficiency.





4. Push in the piston using the SST(09581-11000) so that the caliper will fit over the pads. Make sure that the piston boot is in position to prevent damaging it when pivoting the caliper down.





5. Pivot the caliper down into position. Being careful not to damage the pin boot, install the guide rod bolt (B) and tighten it to the specified torque.





6. If caliper assembly(A) was removed, install the brake hose to the caliper.
7. Refill the master cylinder reservoir to the MAX line.
8. Bleed the brake system.
9. Depress the brake pedal several times to make sure the brakes work, then test-drive.

NOTE: Engagement of the brake may require a greater pedal stroke immediately after the brake pads have been replaced as a set. Several applications of the brake will restore the normal pedal stroke.

10. After installation, check for leaks at hose and line joints or connections, and retighten if necessary.